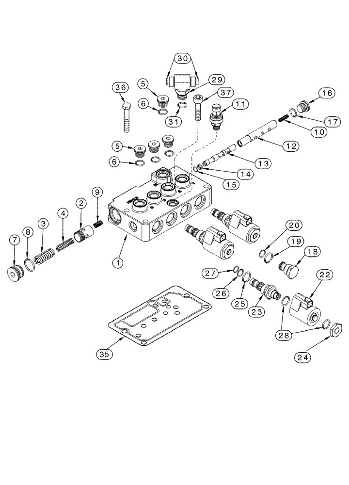
Запчасти Case IH MX240 (6-066) - VALVE ASSEMBLY, TRANSMISSION CONTROL, N.A. ONLY (06) - POWER TRAIN

Схема запчастей Case IH MX240 - (6-066) - VALVE ASSEMBLY, TRANSMISSION CONTROL, N.A. ONLY (06) - POWER TRAIN
29
12
1
7
14
3
28
11
24
4
6
35
13
25
20
16
30
26
18
9
5
8
23
37
17
31
5
6
2
15
36
22
10
27
19
FIT
1:1
100%

Артикул

Название

Примечание

Количество

234497A3

VALVE

ASSY, control, part number stamped on part, consists of: Ref. 1 - 31

1шт.

1

NSS

NOT SOLD SEPARAT

BODY valve

1шт.

2

222642A6

PISTON

1шт.

3

249130A1

SPRING

outer

1шт.

4

249129A1

SPRING

inner

1шт.

5

221578A1

PLUG,M18 x 1.5 ORB

Includes Ref. 6

4шт.

6

637-63153

O-RING,2.2mm Thk x 15.3mm ID, Cl 6, 90 Duro

1шт.

7

221580A1

PLUG,M27 x 2 ORB

Includes Ref. 8

1шт.

8

637-64236

O-RING,2.9mm Thk x 23.6mm ID, Cl 6, 90 Duro

1шт.

9

281397A3

SPRING

1шт.

10

225246A3

SPRING

1шт.

11

231751A1

PRESSURE SWITCH

SENSOR pressure

1шт.

280123A6

SPOOL

ASSY, consists of: Ref. 12 - 15

1шт.

12

NSS

NOT SOLD SEPARAT

SPOOL

1шт.

13

NSS

NOT SOLD SEPARAT

SPOOL

1шт.

14

NSS

NOT SOLD SEPARAT

PLUG

1шт.

15

NSS

NOT SOLD SEPARAT

RING retaining

1шт.

16

221578A1

PLUG,M18 x 1.5 ORB

Includes Ref. 17

1шт.

17

637-63153

O-RING,2.2mm Thk x 15.3mm ID, Cl 6, 90 Duro

1шт.

18

315363A1

PLUG

Includes: Ref. 19, 20

1шт.

19

237-6010

O-RING,0.097" Thk x 0.755" ID, -910, Cl 6, 90 Duro

1шт.

20

238-5015

O-RING,0.07" Thk x 0.551" ID, -15, Cl 5, 75 Duro

1шт.

234783A7

SOLENOID

ASSY, consists of: Ref. 22 - 28

3шт.

22

NSS

NOT SOLD SEPARAT

COIL

1шт.

23

NSS

NOT SOLD SEPARAT

CARTRIDGE

1шт.

24

252462A2

NUT

1шт.

304317A1

SEAL KIT

PACKAGE seals, consists of: Ref. 25 - 28

1шт.

25

237-6010

O-RING,0.097" Thk x 0.755" ID, -910, Cl 6, 90 Duro

1шт.

26

238-5015

O-RING,0.07" Thk x 0.551" ID, -15, Cl 5, 75 Duro

1шт.

27

256633A1

O-RING,1.24mm Thk x 12.9mm ID, Cl 5

12.9 ID x 1.24 mm

1шт.

28

238-5115

O-RING,0.103" Thk x 0.674" ID, -115, Cl 5, 75 Duro

2шт.

29

700-402

TEE,13/16" - 16 Male ORFS x 13/16" - 16 Male ORFS x M18 x 1.5 Male ORB

13/16 fc sl x 18 Or, Includes: Ref. 30, 31

1шт.

Author: Tom A. Sprasky. 700-402 is being changed to a special screen tee. If dealer says the fitting has a screen, supply 330909A1--fitting has a 95 Micron screen.

1шт.

30

238-6014

O-RING,0.07" Thk x 0.489" ID, -14, Cl 6, 90 Duro

2шт.

31

637-63153

O-RING,2.2mm Thk x 15.3mm ID, Cl 6, 90 Duro

1шт.

35

255527A4

GASKET

mounting

1шт.

36

828-10060

BOLT,Hex, M10 x 1.5 x 60mm, Cl 10.9

4шт.

37

861-8060

HEX SOC SCREW,M8 x 60mm, Cl 12.9

BOLT socket, M8 x 60; 12.9

1шт.

Выбрано товаров: 38