Запчасти Case IH MX240 (9-026) - HOOD, FIXED (09) - CHASSIS/ATTACHMENTS

Схема запчастей Case IH MX240 - (9-026) - HOOD, FIXED (09) - CHASSIS/ATTACHMENTS
16
10
29
1
29
39
12
42
30
34
7
23
22
41
41
43
26
35
25
15
28
4
12
33
36
42
40
21
14
30
20
3
5
13
2
38
11
3
42
24
8
37
FIT
1:1
100%

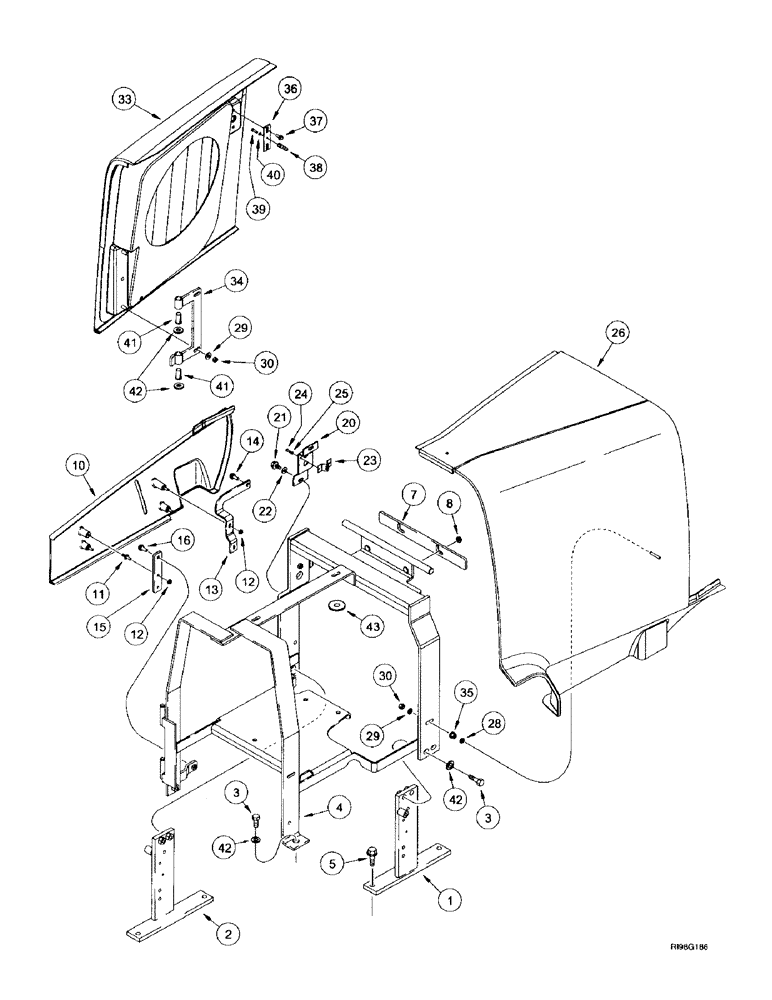
Артикул

Название

Примечание

Количество

1

252296A4

SUPPORT

BRACKET, right-hand

1шт.

2

252297A4

SUPPORT

BRACKET, left-hand

1шт.

3

614-12040

BOLT,Hex, M12 x 1.75 x 40mm, Cl 8.8, Full Thd

6шт.

4

275781A8

SUPPORT

1шт.

5

854-12035

BOLT,Hvy Hex, M12 x 35mm, Cl 10.9

BOLT flange, M12 x 35; 10.9

4шт.

7

248802A1

BAR

1шт.

8

825-2408

FLANGE NUT,M8 x 1.25, Flg, Cl 8

2шт.

10

254031A3

PANEL, SIDE

ASSY, Includes: Ref. 11

1шт.

11

259391A2

STUD

4шт.

12

825-2406

FLANGE NUT,M6 x 1, Cl 8.8

4шт.

13

241791A1

SUPPORT

BRACKET

1шт.

14

844-8020

BOLT,Hvy Hex, M8 x 20mm, Cl 8.8

1шт.

15

297957A1

SUPPORT

BRACKET

1шт.

16

844-8020

BOLT,Hvy Hex, M8 x 20mm, Cl 8.8

1шт.

20

252293A2

SUPPORT

BRACKET

1шт.

21

844-8025

BOLT,Hvy Hex, M8 x 25mm, Cl 8.8

2шт.

23

1968039C3

FASTENER

1шт.

24

260-5448

SELF-TAP SCREW,Cross Pan Hd, #8 x 1/2"

2шт.

25

495-21019

WASHER,#8

2шт.

26

277303A4

COWL

PANEL

1шт.

28

829-4408

NUT,Thin, M8 x 1.25, Cl 05

4шт.

29

896-15008

WASHER,9mm ID x 21mm OD x 2.5mm Thk

9 x 21 x 2.5 mm

8шт.

30

829-1408

NUT,Hex, M8 x 1.25, Cl 10.9

8шт.

33

252114A3

PANEL, SIDE

1шт.

34

251649A2

PLATE

1шт.

35

825-2408

FLANGE NUT,M8 x 1.25, Flg, Cl 8

2шт.

36

252368A1

LARGE PLATE

PLATE, LARGE

2шт.

37

844-6016

BOLT,Hvy Hex, M6 x 16mm, Cl 8.8

2шт.

38

1348465C1

BALL STUD,#10 - 32

1шт.

39

463-61010

SCREW,Hex, #10 - 32 x 5/8"

1шт.

40

493-21020

LOCK WASHER,Int Tooth, #10

(3/16")

1шт.

41

236998A1

BUSHING,12.72mm ID x 14.27mm OD x 30.7mm L

BUSHING

2шт.

42

896-15012

WASHER,13.5mm ID x 28mm OD x 4mm Thk

13.5 x 28 x 4 mm

8шт.

43

337401A1

CROWN NUT

WASHER special

2шт.

22

895-15008

WASHER,9mm ID x 20mm OD x 1.6mm Thk

2шт.

Выбрано товаров: 35