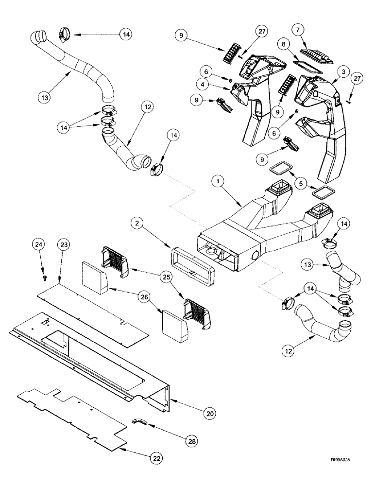
Запчасти Case IH MX240 (9-100) - AIR CONDITIONING, DUCTS (09) - CHASSIS/ATTACHMENTS

Схема запчастей Case IH MX240 - (9-100) - AIR CONDITIONING, DUCTS (09) - CHASSIS/ATTACHMENTS
8
14
9
1
9
14
6
24
27
2
13
23
6
12
26
9
14
7
28
20
9
22
4
25
12
14
5
3
27
13
14
FIT
1:1
100%

Артикул

Название

Примечание

Количество

1

330276A1

DUCT

Includes: Ref. 2

1шт.

2

326665A1

SEALING STRIP,51mm W x 889mm L x 8mm Thk

1шт.

3

281094A2

DUCT

right-hand, Includes: Ref. 6

1шт.

4

281095A3

DUCT

left-hand, Includes: Ref. 6

1шт.

5

257098A1

FOAM INSULATION

mounting

2шт.

6

96900C1

SPRING NUT,U, #10-16, Panel type

2шт.

7

281057A1

DIFFUSER

LOUVER

2шт.

8

281084A2

GASKET

mounting

1шт.

9

1958752C1

VENT

LOUVER

4шт.

12

256331A2

HOSE

2шт.

13

303732A1

TUBE

2шт.

14

214-1540

HOSE CLAMP,#40, 2.06" - 3", Type F Worm, W/ Liner

8шт.

20

337570A1

EXTENSION

1шт.

21

781-24820

SELF-TAP SCREW,Hex Flg, M8 x 1.25 x 20mm

5шт.

22

322659A1

FOAM

INSULATION

1шт.

23

337571A1

COVER

1шт.

24

780-34395

SELF-TAP SCREW,Hex Wash Hd, M4.8 x 9.5

5шт.

25

301180A3

VENT (AIR)

2шт.

26

293615A1

FILTER

2шт.

27

840-1525

SCREW,Pan, M5 x 25mm, Cl 4.8

2шт.

28

313248A2

LINING

TRIM

1шт.

Выбрано товаров: 21