Качественные детали и логистика
Оригинальные и аналоговые запчасти с доставкой по России, Казахстану и Беларуси
©2022 PartSell ООО "Система" ИНН 2463123282 ОГРН 1212400004838
Центральный офис: г. Красноярск, Академика Киренского, д.87, пом.4
Телефон: 8 (800) 777-65-74 Email: zakaz@partsell.ru
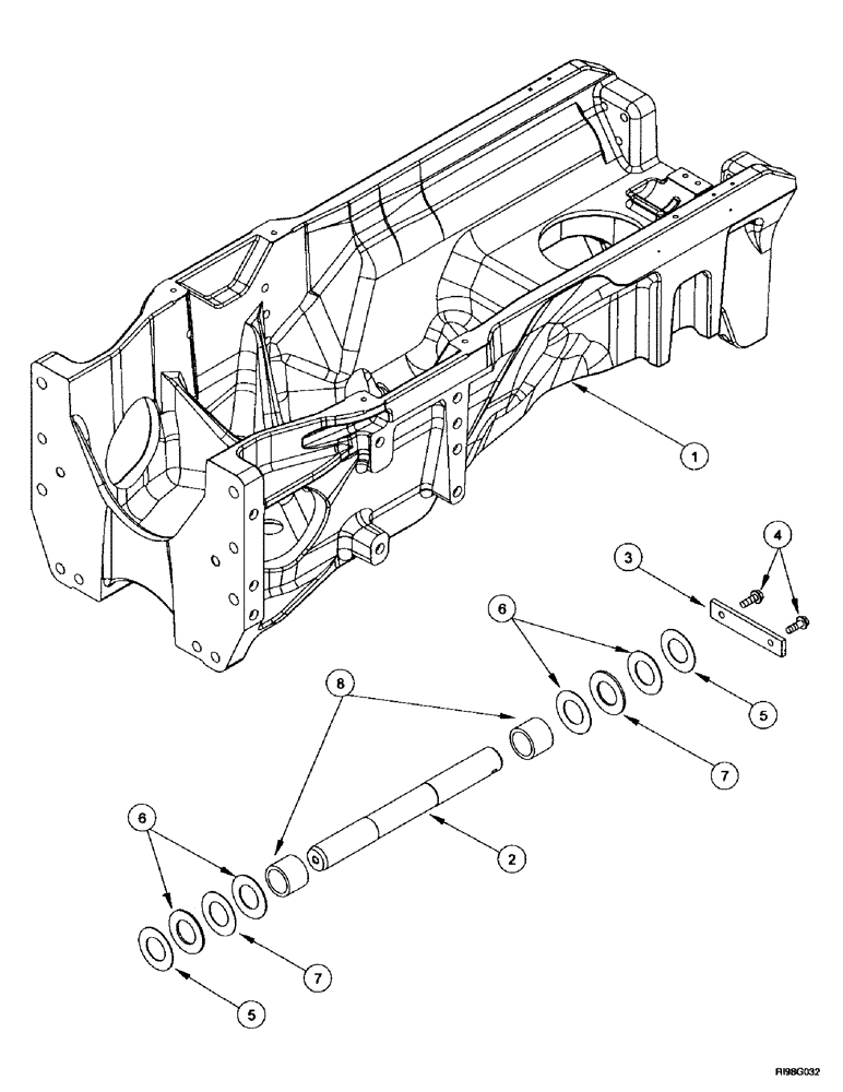
(5-024) - FRONT AXLE, MOUNTING
№
Артикул
Название
Примечание
Количество
1
REF
INSTRUCTION
FRAME, see Figure 9-002
1шт.
2
226687A3
PIN,49.75mm OD x 475mm L
3
226686A3
PLATE
4
844-12035
BOLT,Hvy Hex, M12 x 35mm, Cl 8.8
2шт.
5
186869A1
SHIM,50.3mm ID x 90mm OD x 2.26mm Thk
2.26 mm
6
A177854
WASHER,50.3mm ID x 90mm OD x 1.6mm Thk
special
7
A177855
SEALING WASHER,50.3mm ID x 90mm OD x 4.9mm Thk
thrust
8
196294A1
BUSHING
Выбрано товаров: 0