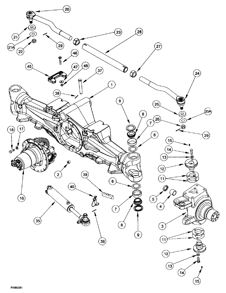
Запчасти Case IH MX240 (5-036) - FRONT AXLE HOUSING, STEERING KNUCKLE AND TIE ROD, M.F.D., MX240, MX270 (05) - STEERING

Схема запчастей Case IH MX240 - (5-036) - FRONT AXLE HOUSING, STEERING KNUCKLE AND TIE ROD, M.F.D., MX240, MX270 (05) - STEERING
15
27
21
36
23
46
8
7
4
37
39
15
25
16
20
29
5
13
6
11
17
8
45
28
25a
9
24
38
29
9
22
6
7
3
11
2
47
14
14
12
35
12
18
40
21a
26
1
13
48
FIT
1:1
100%

Артикул

Название

Примечание

Количество

191814A4

4WD AXLE ASSY

front drive, MX240, MX270, see Figures 5-030 - 5-064

1шт.

191814A9R

REMAN-AXLE, MFD

Remanufactured Axle, N.A. Only

1шт.

191814A9C

CORE-AXLE, MFD

Return Number, N.A. Only

1шт.

1

321520A1

HOUSING

axle

1шт.

2

221-887

PLUG

3/4

1шт.

3

292564A2

STEERING KNUCKLE,RH

ASSY, right-hand shown, Replaces: 292564A1, Includes: Ref. 4, 5

1шт.

These parts need to be changed in pairs (left and right). The depth and width of the taper for the ball socket were changed between the A1 and A2 parts. If a tie rod end or knuckle is changed, then the same side knuckle or tie rod end need to be changed also. The A1 and A2 parts are not interchangeable. Both sides do not need to be changed at the same time. AH TSG 9/7/01

1шт.

3

292560A2

STEERING KNUCKLE,LH

ASSY, left-hand, Replaces: 292560A1, Includes: Ref. 4, 5

1шт.

These parts need to be changed in pairs (left and right). The depth and width of the taper for the ball socket were changed between the A1 and A2 parts. If a tie rod end or knuckle is changed, then the same side knuckle or tie rod end need to be changed also. The A1 and A2 parts are not interchangeable. Both sides do not need to be changed at the same time. AH TSG 9/7/01

1шт.

4

235628A1

BUSHING

1шт.

5

128647A1

OIL SEAL

1шт.

6

281937A1

RETAINER,50mm ID x 80mm OD

4шт.

7

530745R1

BEARING, CUP

4шт.

8

406535R91

ROLLER BEARING,1.5005" ID x 3.251" OD x 1.1643, 0.9063"

4шт.

9

281939A1

OIL SEAL

4шт.

313557A1

SHIM KIT

consists of: Ref. 11

1шт.

11

NSS

NOT SOLD SEPARAT

SHIM

5шт.

11

NSS

NOT SOLD SEPARAT

SHIM

5шт.

11

NSS

NOT SOLD SEPARAT

SHIM

5шт.

11

NSS

NOT SOLD SEPARAT

SHIM

5шт.

11

NSS

NOT SOLD SEPARAT

SHIM

5шт.

11

NSS

NOT SOLD SEPARAT

SHIM

5шт.

12

293641A1

CAP

4шт.

13

896-11014

WASHER,15.5mm ID x 28mm OD x 3mm Thk

15.5 x 28 x 3 mm

12шт.

14

627-14045

BOLT,Hex, M14 x 2 x 45mm, Cl 10.9, Full Thd

12шт.

15

219-10

LUBE NIPPLE,1/4" - 28 NPTF

FITTING grease, 1/4 tpr x 11/16

4шт.

16

REF

INSTRUCTION

CARRIER, see Figure 5-046

1шт.

17

896-11014

WASHER,15.5mm ID x 28mm OD x 3mm Thk

15.5 x 28 x 3 mm

16шт.

18

627-14045

BOLT,Hex, M14 x 2 x 45mm, Cl 10.9, Full Thd

16шт.

20

311169A2

BALL JOINT

ASSY, left-hand threads, Replaces: 311169A1, Includes: Ref. 21 - 22

1шт.

These parts need to be changed in pairs (left and right). The depth and width of the taper for the ball socket were changed between the A1 and A2 parts. If a tie rod end or knuckle is changed, then the same side knuckle or tie rod end need to be changed also. The A1 and A2 parts are not interchangeable. Both sides do not need to be changed at the same time. AH TSG 9/7/01

1шт.

333617A1

SEAL KIT

PACKAGE seals, Includes: Ref. 21, 21A

1шт.

21

NSS

NOT SOLD SEPARAT

BOOT

1шт.

21a

NSS

NOT SOLD SEPARAT

SPACER

1шт.

22

429-1314

NUT,7/8"-14, G8

7/8 NF; 8

1шт.

23

311168A1

NUT

left-hand threads, 1-1/2

1шт.

24

311170A2

BALL JOINT

ASSY, right-hand threads, Replaces: 311170A1, Includes: Ref. 25, 26

1шт.

These parts need to be changed in pairs (left and right). The depth and width of the taper for the ball socket were changed between the A1 and A2 parts. If a tie rod end or knuckle is changed, then the same side knuckle or tie rod end need to be changed also. The A1 and A2 parts are not interchangeable. Both sides do not need to be changed at the same time. AH TSG 9/7/01

1шт.

333617A1

SEAL KIT

PACKAGE seals, Includes: Ref. 25, 25A

1шт.

25

NSS

NOT SOLD SEPARAT

BOOT

1шт.

25a

NSS

NOT SOLD SEPARAT

SPACER

1шт.

26

429-1314

NUT,7/8"-14, G8

7/8 NF; 8

1шт.

27

311167A1

NUT

right-hand threads, 1-1/2

1шт.

28

311166A1

TUBE,34 mm ID, 54.293 mm OD, 531 mm Length

ROD tie

1шт.

29

432-820

COTTER PIN,1/8" x 1 1/4"

2шт.

35

REF

INSTRUCTION

CYLINDER ASSY, see Figure 5-064

2шт.

36

432-820

COTTER PIN,1/8" x 1 1/4"

2шт.

37

292565A1

PIN,22.25mm OD x 155mm L

clevis

2шт.

38

733-4032

COTTER PIN,M4 x 32

2шт.

39

281914A1

ROD

ADJUSTMENT, (3 Hole) Steering Stop, Length 113 mm, If Used (Shown)

2шт.

39

451995A1

ADJUSTMENT ROD

(4 Hole) Steering Stop, Length 171 mm, If Used

2шт.

39

87368673

ADJUSTMENT ROD

(5 Hole) Steering Stop, Length 171 mm, If Used

2шт.

40

314449A1

LOCK PIN

2шт.

45

297333A1

BLOCK ASSY.

2шт.

46

844-12070

BOLT,Hvy Hex, M12 x 70mm, Cl 8.8

BOLT flange, M12 x 70; 8.8

4шт.

47

895-25012

WASHER,M12 x 37 x 3

13.5 x 37 x 3 mm

4шт.

48

829-1412

NUT,M12, Cl 10.9

4шт.

Выбрано товаров: 57