Запчасти Case IH MX245 (02-25) - CYLINDER BLOCK - ENGINE BLOCK HEATERS (02) - ENGINE

Схема запчастей Case IH MX245 - (02-25) - CYLINDER BLOCK - ENGINE BLOCK HEATERS (02) - ENGINE
27
10
4
16
37
13
3
11
21
9
1
39
40
34
22
5
14
20
30
29
4
24
19
35
5
8
6
41
15
12
18
23
14
2
38
28
31
4
25
17
7
4
33
32
26
36
FIT
1:1
100%

Артикул

Название

Примечание

Количество

87539017

BASIC ENGINE

Service, Tier 3

1шт.

See Note, Less Starter, Alternator, Fan, Fan Belt, Air Cleaner, Muffler, Exhaust Manifold, Flywheel and Housing, Oil Fill and Dipstick, Fuel Injection Pump, Injectors and Lines, Front Pulley, Belt Tensioner, Turbocharger and Aftercooler

1шт.

The engines are complete internally; however, externally all parts are not supplied with the engines. Check the configuration of the engine being removed, with the configuration of the engine being installed. For any external components not supplied with the engine being installed, reuse those parts from the engine that has just been removed. Do not return the old engine, until the unit is reassembled.

1шт.

MX215 and Magnum 215

1шт.

87539017R

REMAN-BASIC ENGINE

MX215, Magnum 215, Both w/Tier 3 8.3 Liter Engines. Includes Fuel Injectors

1шт.

87539017C

CORE-BASIC ENGINE

Return Number

1шт.

87537667

BASIC ENGINE

Service, Tier 3

1шт.

See Note, Less Starter, Alternator, Fan, Fan Belt, Air Cleaner, Muffler, Exhaust Manifold, Flywheel and Housing, Oil Fill and Dipstick, Fuel Injection Pump, Injectors and Lines, Front Pulley, Belt Tensioner, Turbocharger and Aftercooler

1шт.

The engines are complete internally; however, externally all parts are not supplied with the engines. Check the configuration of the engine being removed, with the configuration of the engine being installed. For any external components not supplied with the engine being installed, reuse those parts from the engine that has just been removed. Do not return the old engine, until the unit is reassembled.

1шт.

MX245 and Magnum 245

1шт.

MX275 and Magnum 275 with 8.3 liter Engine

1шт.

87537667R

REMAN-BASIC ENGINE

MX245, MX275, Magnum 245, Magnum 275, All w/Tier 3, 8.3 Liter Engines. Includes Fuel Injectors

1шт.

87537667C

CORE-BASIC ENGINE

Return Number

1шт.

87676433

BASIC ENGINE

Service, Tier 3

1шт.

See Note, Less Starter, Alternator, Fan, Fan Belt, Air Cleaner, Muffler, Exhaust Manifold, Flywheel and Housing, Oil Fill and Dipstick, Fuel Injection Pump, Injectors and Lines, Front Pulley, Belt Tensioner, Turbocharger and Aftercooler

1шт.

The engines are complete internally; however, externally all parts are not supplied with the engines. Check the configuration of the engine being removed, with the configuration of the engine being installed. For any external components not supplied with the engine being installed, reuse those parts from the engine that has just been removed. Do not return the old engine, until the unit is reassembled.

1шт.

MX275, MX305, Magnum 275, Magnum 305 and Magnum 335

1шт.

MX275 and Magnum 275 with 9.0 liter Engine

1шт.

87676433R

REMAN-BASIC ENGINE

MX275, MX305, Magnum 275, Magnum 305, Magnum 330, All Tier 3 w/9 Liter Engine. Includes Fuel Injectors

1шт.

87676433C

CORE-BASIC ENGINE

Return Number

1шт.

87390942

SHORT ENGINE

1шт.

MX215, Magnum 215, MX245, and Magnum 245

1шт.

MX275 and Magnum 275 with 8.3 liter Engine

1шт.

87390942R

REMAN-SHORT ENGINE

MX215, Magnum 215, MX245, Magnum 245, MX275, Magnum 275, All w/Tier 3, 8.3 Liter Engines

1шт.

87390942C

CORE-SHORT ENGINE

Return Number

1шт.

87676434

SHORT ENGINE

1шт.

MX275, MX305, Magnum 275, Magnum 305 and Magnum 335

1шт.

MX275 and Magnum 275 with 9.0 liter Engine

1шт.

87676434R

REMAN-SHORT ENGINE

MX275, Magnum 275, MX305, Magnum 305, MX330, Magnum 330, All w/Tier 3, 9 Liter Engines

1шт.

87676434C

SHORT ENGINE

Return Number

1шт.

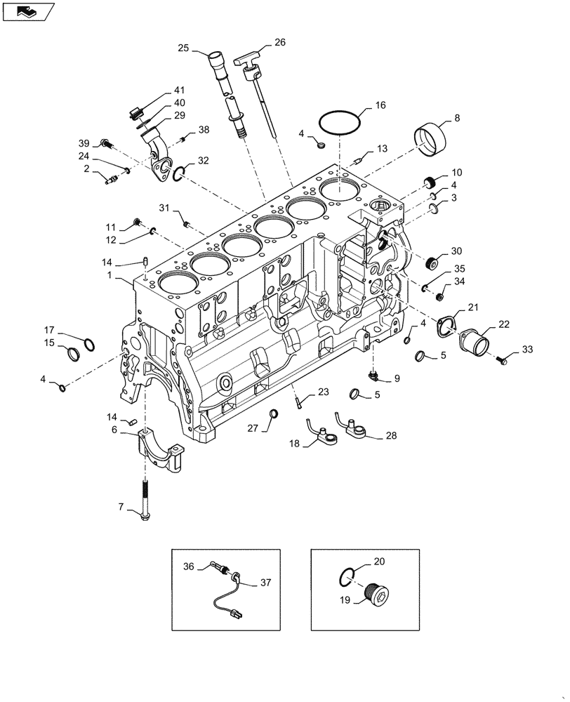
1

84165305

CYLINDER BLOCK

Stripped, Incl 1 - 8, Also Order 87338079

1шт.

2

87341100

ADAPTER

1шт.

3

A77586

PLUG

28.9 mm

3шт.

4

A77506

PLUG

21 mm

4шт.

5

J905401

PLUG

35 mm

4шт.

6

87444056

BEARING CAP,159 mm OD x 34 mm

Main Bearing

7шт.

7

87444059

BOLT

M14 x 128

14шт.

8

J945329

CAMSHAFT BEARING,60.08mm ID x 64.13mm OD x 25mm L

7шт.

87338079

KIT

Incl 9 - 20

1шт.

9

217-103

COCK, DRAIN

1/4 PT

2шт.

10

86625135

PLUG,1" - 11-1/2 NPT

1шт.

11

J678923

PLUG,M10 x 1

10 mm, Incl 12

6шт.

12

637-72081

O-RING,1.6mm Thk x 8.1mm ID, Cl 7, 75 Duro

1шт.

13

J900257

PIN,10.01mm OD x 16mm L

16 mm

4шт.

14

J901846

PIN,12.01mm OD x 24mm L

8шт.

15

41-3044

PLUG,Exp, 2 3/4"

2шт.

16

J907177

SEAL,118mm ID x 122.32mm OD x 4mm Thk

6шт.

17

J926048

O-RING,0.07" Thk x 2.614" ID, -38, Cl 5, 75 Duro

66 mm ID

2шт.

18

87739191

NOZZLE

6шт.

MX275 and Magnum 275 with 9.0 Liter Engine

1шт.

19

J678921

PLUG

14 mm, Incl 20

1шт.

19

87708865

PLUG,M42 x 2

42 mm, Incl 20

1шт.

20

J678912

O-RING,2.2mm Thk x 11.3mm ID

Use With J678921

1шт.

20

NSS

NOT SOLD SEPARAT

O-RING, Incl In 87708865

1шт.

21

J945603

GASKET,1.65mm Thk

Water Inlet

1шт.

22

J913030

FITTING

Water Inlet

1шт.

23

J928031

NOZZLE,8.5mm OD x 30mm L

12шт.

24

87341228

O-RING,8.9154mm ID x 1.8288mm Width

1шт.

25

87340850

TUBE

Dipstick

1шт.

26

87340846

DIPSTICK

1шт.

MX215, Magnum 215, MX245, Magnum 245

1шт.

26

87357523

DIPSTICK

1шт.

MX275, MX305, Magnum 275, Magnum 305 and Magnum 335

1шт.

27

A77439

PLUG

22 mm

1шт.

28

87673839

NOZZLE

6шт.

MX275 and Magnum 275 with 8.3 Liter Engine

1шт.

29

87341096

HYD CONNECTOR

1шт.

30

263136

MAGNETIC PLUG,Sq. Soc, 3/4"-14 NPTF

5шт.

31

217-438

PLUG,Hex Soc, 1/2" - 14 NPTF

6шт.

32

J906696

SEAL,41mm ID x 43mm OD x 2.5mm H

1шт.

33

845-8020

BOLT,Hvy Hex, M8 x 20mm, Cl 8.8

2шт.

34

313244A1

PLUG

Hex Socket, 22 mm, Incl 35

2шт.

35

313246A1

O-RING,2.2mm Thk x 19.3mm ID

19 ID x 2,2 mm

1шт.

36

310493A1

KIT

Engine Block Heater, 120 Volt, Incl 37

1шт.

37

196466A1

ELECTRIC CABLE

1829 mm (72 in)

1шт.

36

310494A1

KIT

Coolant Heater, 240V, Incl 37

1шт.

37

J913112

WIRE HARNESS

305 mm (12")

1шт.

38

217-432

PLUG,Hex Soc, 1/4" - 18 NPTF

1шт.

39

854-12030

BOLT,Hvy Hex, M12 x 30mm, Cl 10.9

2шт.

40

J936876

SEALING RING,30mm ID x 48mm OD x 2.8mm Thk

1шт.

41

J914136

CAP

Filler

1шт.

42

87338185

BOLT

Not Illustrated

1шт.

43

217-432

PLUG,Hex Soc, 1/4" - 18 NPTF

Not Illustrated

1шт.

44

J900956

PLUG

Not Illustrated

3шт.

45

J678923

PLUG,M10 x 1

Not Illustrated

6шт.

46

637-72081

O-RING,1.6mm Thk x 8.1mm ID, Cl 7, 75 Duro

Not Illustrated

1шт.

47

J678921

PLUG

Not Illustrated

1шт.

48

J678912

O-RING,2.2mm Thk x 11.3mm ID

Not Illustrated

1шт.

49

A77586

PLUG

Not Illustrated

3шт.

50

J909025

FLANGE BOLT,Hex, M8 x 1.25 x 55mm, Cl 10.9

M8 x 1.25 x 55, Not Illustrated

6шт.

51

87337018

BOLT

Not Illustrated

6шт.

52

369929A1

FASTENER

Not Illustrated

3шт.

Install In Block Behind Starter

1шт.

53

A77530

PLUG

30 mm, Not Illustrated

2шт.

54

87348859

ENGINE OVERHAUL KIT

Not Illustrated

1шт.

MX215, Magnum 215, MX245, Magnum 245

1шт.

See Figure 02-26

1шт.

55

87356539

ENGINE OVERHAUL KIT

Not Illustrated

1шт.

MX275, MX305, Magnum 275, Magnum 305 and Magnum 335

1шт.

Выбрано товаров: 99