Запчасти Case IH MX255 (02-37) - CYLINDER BLOCK, MX255 AND MX285 (02) - ENGINE

Схема запчастей Case IH MX255 - (02-37) - CYLINDER BLOCK, MX255 AND MX285 (02) - ENGINE
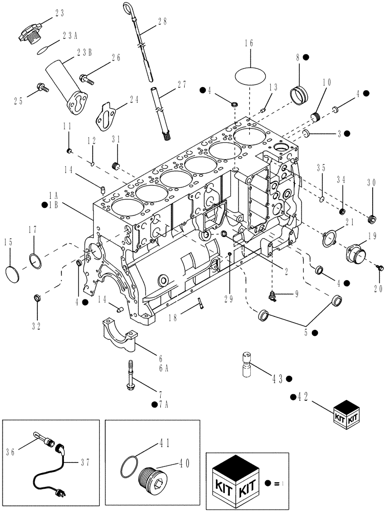
1
21
1a
15
28
5
2
1
35
42
1
31
41
4
1
17
6
6a
1
1
1
3
40
18
1
11
16
26
25
7
19
32
1
8
23
14
36
1
29
23b
43
30
1
37
4
34
12
4
23a
24
10
1
14
4
1
20
13
7a
1b
9
27
FIT
1:1
100%

Артикул

Название

Примечание

Количество

389379A2

ENGINE ASSEMBLY

ENGINE ASSY Complete Engine, Order 87410984

1шт.

Complete Engine, Less, Starter, Alternator, Fan, Fan Belt, Air Cleaner, Muffler and Exhaust Pipe.

1шт.

MX255

1шт.

389379A4

ENGINE ASSEMBLY

ENGINE ASSY Remanufactured, For N.A. Only

1шт.

389379A4C

CORE-EPA ENGINE

Return Part Number

1шт.

NSS

NOT SOLD SEPARAT

Complete Engine, Order 87400262

1шт.

Complete Engine, Less, Starter, Alternator, Fan, Fan Belt, Air Cleaner, Muffler and Exhaust Pipe.

1шт.

MX285

1шт.

87410984

BASIC ENGINE

8.3L, 24 Valve, 6 Cyl.

1шт.

MX255

1шт.

84252733R

REMAN-BASIC ENGINE

1шт.

84252733C

CORE-BASIC ENGINE

Return Part Number Basic - 8.3L, 24 Valve, 6 Cyl.

1шт.

MX255

1шт.

87400262

ENGINE

Basic - 8.3L, 24 Valve, 6 Cyl.

1шт.

See Note; Less, Starter, Alternator, Fan, Fan Belt, Air Cleaner, Muffler, Exhaust Manifold, Flywheel and Housing, Oil Fill and Dipstick, Fuel Injection Pump, Injectors and Lines, Front Pulley, Belt Tensioner, Turbocharger and Aftercooler

1шт.

MX285

1шт.

84252743R

REMAN-BASIC ENGINE

1шт.

84252743C

CORE-BASIC ENGINE

Return Part Number

1шт.

MX285

1шт.

84165306

CYLINDER BLOCK

Inc. Of 1 - 8, Also order 87444569

1шт.

MX255

1шт.

Stripped Short Block, Pistons, Connecting Rods and Bearings, Crankshaft and Bearings

1шт.

J991308

SHORT ENGINE

Inc. Of 1 - 8

1шт.

MX285

1шт.

Stripped Short Block, Pistons, Connecting Rods and Bearings, Crankshaft and Bearings

1шт.

J991308R

Reman For New P/N J991308, MX285

1шт.

J991308C

Return Part Number

1шт.

JR991308

REMAN-SHORT ENGINE

1шт.

6830SHBC

CORE-SHORT ENGINE

Return Part Number, Engine, Short Block Cyl.

1шт.

J991309

SHORT ENGINE

Block Assembly- Short

1шт.

MX255

1шт.

JR991309

REMAN-SHORT ENGINE

1шт.

6-830-SHBC

CORE

Return Part Number Engine, Short Block Cyl.

1шт.

1

84271502

KIT

CYLINDER BLOCK, Inc. 1B, 3 - 5, 6A, 7A, 8, 42, 43

1шт.

1a

J939299

BASIC BLOCK

Stripped, Also Order J800332 and J945967, Inc. 3 - 8

1шт.

1b

NSS

NOT SOLD SEPARAT

CYLINDER BLOCK

1шт.

2

J920706

PLUG

22 mm

1шт.

3

A77586

PLUG

28.9 mm

2шт.

4

A77506

PLUG

21 mm

4шт.

5

J905401

PLUG

35 mm

4шт.

6

J936058

BEARING CAP

7шт.

6a

87444056

BEARING CAP,159 mm OD x 34 mm

7шт.

7

J916369

FLANGE BOLT,Hex, M14 x 2 x 128mm, Cl 10.9

14шт.

7a

87444059

BOLT

14шт.

8

J945329

CAMSHAFT BEARING,60.08mm ID x 64.13mm OD x 25mm L

7шт.

See Figure 02-35

1шт.

J800332

KIT

Inc. 9 - 18

1шт.

9

217-103

COCK, DRAIN

1/4" PT

1шт.

10

86625135

PLUG,1" - 11-1/2 NPT

1шт.

11

J678923

PLUG,M10 x 1

10 mm, Includes 637-72081

6шт.

12

637-72081

O-RING,1.6mm Thk x 8.1mm ID, Cl 7, 75 Duro

1шт.

13

J900257

PIN,10.01mm OD x 16mm L

16 mm

2шт.

14

J901846

PIN,12.01mm OD x 24mm L

4шт.

15

41-3044

PLUG,Exp, 2 3/4"

(70 mm)

1шт.

16

J907177

SEAL,118mm ID x 122.32mm OD x 4mm Thk

6шт.

17

J926048

O-RING,0.07" Thk x 2.614" ID, -38, Cl 5, 75 Duro

66 mm ID

1шт.

18

J928031

NOZZLE,8.5mm OD x 30mm L

12шт.

19

J944720

HYD CONNECTOR

, Serial Range: -JAZ130634

1шт.

19

87415507

TUBE,548, 344 mm L

(Not Shown), Start Serial: JAZ130634

1шт.

See Figure 02-03

1шт.

20

845-8020

BOLT,Hvy Hex, M8 x 20mm, Cl 8.8

2шт.

21

J945603

GASKET,1.65mm Thk

1шт.

23

J937759

FILLER CAP

1шт.

23a

238-5123

O-RING,0.103" Thk x 1.174" ID, -123, Cl 5, 75 Duro

1-3/16 ID x 3/32

1шт.

23b

J944510

PIPE ASSY.

1шт.

24

J939258

GASKET,1.21mm Thk

1шт.

25

845-8020

BOLT,Hvy Hex, M8 x 20mm, Cl 8.8

1шт.

26

845-8070

BOLT,Hvy Hex, M8 x 70mm, Cl 8.8

1шт.

27

A77645

TUBE

1шт.

28

J934481

DIPSTICK

1шт.

29

J943808

PLUG

13 mm

1шт.

30

263136

MAGNETIC PLUG,Sq. Soc, 3/4"-14 NPTF

PLUG, MAGNETIC

2шт.

31

217-438

PLUG,Hex Soc, 1/2" - 14 NPTF

2шт.

32

J920443

PLUG

30 mm

2шт.

34

313244A1

PLUG

Hex Socket, 22 mm, Includes 35

2шт.

35

313246A1

O-RING,2.2mm Thk x 19.3mm ID

19 ID x 2,2 mm

1шт.

36

310493A1

KIT

Engine Block Heater, 120V/1000W, Inc. 37

1шт.

37

196466A1

ELECTRIC CABLE

1829 mm (72 in)

1шт.

36

310494A1

KIT

Engine Block Heater, 240V/1000W, Inc. 37

1шт.

37

J913112

WIRE HARNESS

305 mm (12")

1шт.

A78020

PACKAGE, REPAIR

Engine Block, Not Illustrated

1шт.

See Figure 02-39

1шт.

38

369929A1

FASTENER

(Not Shown)

3шт.

Install In Block Behind Starter

1шт.

40

87708865

PLUG,M42 x 2

42 mm, Inc. 41

1шт.

41

NSS

NOT SOLD SEPARAT

O-RING

1шт.

42

84272274

KIT

Cylinder Block Hardware

1шт.

43

J945967

PLUNGER

Oil pressure Regulator

1шт.

Выбрано товаров: 88