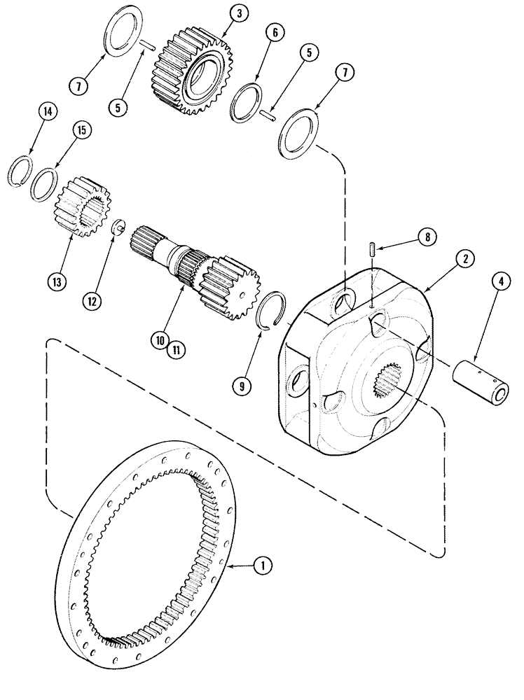
Запчасти Case IH MX270 (06-30) - REAR AXLE PLANETARY, MX270 (06) - POWER TRAIN

Схема запчастей Case IH MX270 - (06-30) - REAR AXLE PLANETARY, MX270 (06) - POWER TRAIN
10
3
14
4
2
7
5
8
11
7
15
13
12
6
5
9
1
FIT
1:1
100%

Артикул

Название

Примечание

Количество

1

178538A1

GEAR, RING

RING, GEAR

2шт.

2

178541A3

PINION CARRIER

GEAR CARRIER

2шт.

3

1349350C2

PINION

28T

8шт.

4

1349346C2

SHAFT

8шт.

5

1349347C1

NEEDLE ROLLER,Needle, 6.65mm OD x 34.09mm L

464шт.

6

1349348C1

THRUST RING

8шт.

7

1997886C1

THRUST WASHER

16шт.

8

838-3826

PIN,M8 x 26, Coiled

8шт.

9

101-11350

SNAP RING,#350, Ext

2шт.

10

94651C2

SHAFT

Left Hand

1шт.

11

94652C3

SHAFT

Right Hand, Inc. 12

1шт.

12

1981327C1

PLUG

1шт.

13

1259732C1

HUB,47T Internal/18T External

2шт.

14

101-11275

SNAP RING,#275, 2.594, Ext

2шт.

15

1259753C1

THRUST WASHER

2шт.

Выбрано товаров: 15