Запчасти Case IH MX270 (5-064) - STEERING CYLINDER ASSEMBLY, M.F.D., MX240, MX270 (05) - STEERING

Схема запчастей Case IH MX270 - (5-064) - STEERING CYLINDER ASSEMBLY, M.F.D., MX240, MX270 (05) - STEERING
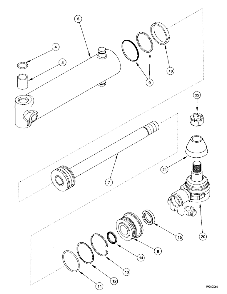
22
20
4
15
7
8
14
3
10
9
5
11
21
13
12
FIT
1:1
100%

Артикул

Название

Примечание

Количество

191814A4

4WD AXLE ASSY

front drive, MX240, MX270, see Figures 5-030 - 5-064

1шт.

191814A9R

REMAN-AXLE, MFD

Remanufactured Axle, N.A. Only

1шт.

191814A9C

CORE-AXLE, MFD

Return Number, N.A. Only

1шт.

3

314450A1

BUSHING

4шт.

4

238-5212

O-RING,0.139" Thk x 0.859" ID, -212, Cl 5, 75 Duro

4шт.

293678A2

STEERING CYLINDER

ASSY, consists of: Ref. 5 - 15

2шт.

5

NSS

NOT SOLD SEPARAT

TUBE

1шт.

7

295564A1

PISTON ROD

1шт.

8

327554A1

CYLINDER END CAP

HEAD

1шт.

318850A1

SEAL KIT

PACKAGE seals, consists of: Ref. 9 - 15

1шт.

9

NSS

NOT SOLD SEPARAT

SEAL

1шт.

10

NSS

NOT SOLD SEPARAT

RING wear

1шт.

11

NSS

NOT SOLD SEPARAT

O-RING

1шт.

12

NSS

NOT SOLD SEPARAT

RING backup

1шт.

13

NSS

NOT SOLD SEPARAT

RING retaining

1шт.

14

NSS

NOT SOLD SEPARAT

SEAL

1шт.

15

NSS

NOT SOLD SEPARAT

WIPER

1шт.

16

220064A1

PLUG,M14 x 1.5, ORB

Incl. Ref. 17

1шт.

17

637-63113

O-RING,2.2mm Thk x 11.3mm ID, Cl 6

1шт.

20

292562A1

BALL JOINT

ASSY, Includes: Ref. 21, 22

2шт.

21

317647A1

BOOT

1шт.

22

429-1314

NUT,7/8"-14, G8

7/8 NF; 8

1шт.

Выбрано товаров: 22