Запчасти Case IH MX270 (9-126) - LOWER LIFT LINKS, HITCH, EUROPE ONLY (09) - CHASSIS/ATTACHMENTS

Схема запчастей Case IH MX270 - (9-126) - LOWER LIFT LINKS, HITCH, EUROPE ONLY (09) - CHASSIS/ATTACHMENTS
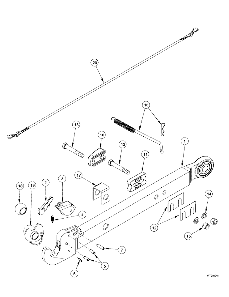
3
11
4
15
7
14
6
2
16
5
13
12
20
17
13
18
10
1
19
FIT
1:1
100%

Артикул

Название

Примечание

Количество

234403A2

DRAWBAR

LINK ASSY, right-hand, consists of: Ref. 1 - 7

1шт.

234402A2

DRAWBAR

LINK ASSY, left-hand, consists of: Ref. 1 - 7

1шт.

1

NSS

NOT SOLD SEPARAT

LINK, right-hand shown

1шт.

1

NSS

NOT SOLD SEPARAT

LINK, left-hand

1шт.

2

1348155C1

LATCH ASSY.

2шт.

3

1348156C1

LEVER

2шт.

4

1974207C1

SPRING

2шт.

5

838-51336

LOCK PIN,M13 x 36, Slotted

4шт.

6

838-1632

LOCK PIN,6mm OD x 32mm L, Slotted

2шт.

7

838-51350

LOCK PIN,13mm OD x 50mm L, Slotted

13 x 50 mm

2шт.

10

301248A2

BUMPER

2шт.

11

301927A1

SPACER

2шт.

12

189946A1

SHIM,76mm OD x 1.03mm Thk

4шт.

13

827-20130

BOLT,Hex, M20 x 2.5 x 130mm, Cl 10.9

4шт.

14

896-11020

WASHER,22mm ID x 37mm OD x 4mm Thk

22 x 37 x 4 mm

4шт.

15

832-10420

NUT,M20 x 2.5, Cl 8

4шт.

16

1252040C1

SPRING

ROD

1шт.

17

293002A1

SPACER

2шт.

18

1348074C1

BALL JOINT

37.5 mm

2шт.

19

1348073C1

BALL JOINT

37.5 mm

2шт.

20

1348076C1

CABLE,4500mm L

1шт.

Выбрано товаров: 21