Запчасти Case IH MX285 (03-08) - FUEL INJECTION PUMP, MX255 AND MX285 (03) - FUEL SYSTEM

Схема запчастей Case IH MX285 - (03-08) - FUEL INJECTION PUMP, MX255 AND MX285 (03) - FUEL SYSTEM
2
18
10
12
19
5
3
4
9
14
6
20
7
8
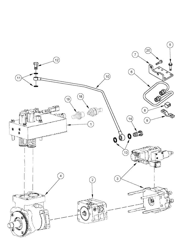
1
13
11
FIT
1:1
100%

Артикул

Название

Примечание

Количество

J4076442

FUEL INJECTION PUMP

Inc. 1 - 14

1шт.

JR4076442

REMAN-INJECTION PUMP

MX255, MX285

1шт.

JC4076442

CORE-INJECTION PUMP

Return Part Number

1шт.

A78006

KIT

Kit -- Instructions 6-10880 and Electrical Connector J164187

1шт.

1

J4025319

REPAIR KIT

Accumulator

1шт.

See Figure 03-09

1шт.

87442224

KIT

Stator, NEW

1шт.

87440895

KIT

Equalizer, ICV, NEW

1шт.

87440896

KIT

Distributor, NEW

1шт.

2

J4089074

REPAIR KIT

Gear Pump

1шт.

See Figure 03-10

1шт.

3

J4010269

REPAIR KIT

Distributor

1шт.

See Figure 03-11

1шт.

4

A77928

HOUSING

Cam Housing

1шт.

See Figure 03-12

1шт.

A77932

KIT

Fuel Supply, Inc. 5 - 9

1шт.

5

NSS

NOT SOLD SEPARAT

M6 x 20, Bolt, Special

8шт.

6

NSS

NOT SOLD SEPARAT

Tube

1шт.

7

NSS

NOT SOLD SEPARAT

Bracket

1шт.

8

NSS

NOT SOLD SEPARAT

Isolator

4шт.

9

NSS

NOT SOLD SEPARAT

Clamp

4шт.

10

J4010174

FUEL TUBE,119, 189.7 mm L

1шт.

11

J935170

SPECIAL WASHER

2шт.

12

J918002

BANJO BOLT

1шт.

13

J918192

PACKING RING,14mm ID x 20mm OD x 1mm Thk

14 x 20 x 1 mm

2шт.

14

J4002006

BANJO BOLT,M14 x 1.5 x 26.40mm

1шт.

18

J4010051

TEMPERATURE SENDER

1шт.

19

J4010084

ADAPTER

1шт.

20

J417068

FLANGE BOLT,Hex, M8 x 1.25 x 20mm, Gr 10.9

1шт.

Выбрано товаров: 29