Запчасти Case IH MX305 (02-21A) - CYLINDER HEAD - VALVE MECHANISM, MX305, MAGNUM 305, AND 335 (02) - ENGINE

Схема запчастей Case IH MX305 - (02-21A) - CYLINDER HEAD - VALVE MECHANISM, MX305, MAGNUM 305, AND 335 (02) - ENGINE
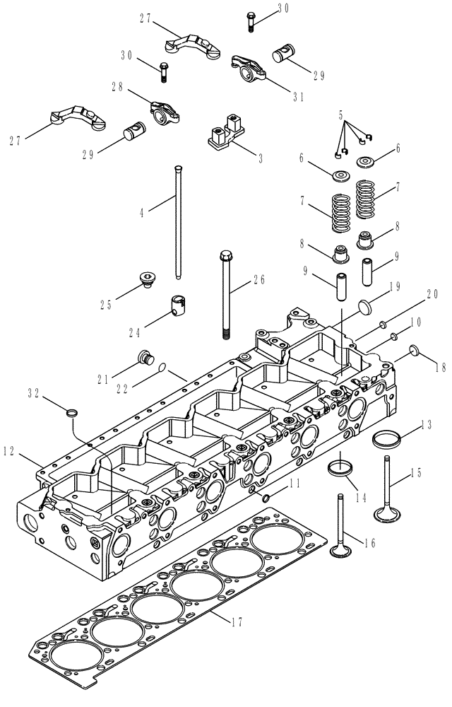
12
7
6
30
16
26
25
3
4
8
27
28
9
10
27
31
17
6
30
5
15
18
11
29
8
19
20
29
9
32
21
24
7
13
22
14
FIT
1:1
100%

Артикул

Название

Примечание

Количество

84332118

CYLINDER HEAD

Assembly With Valves, Inc. 5 - 9, 11, 13 - 16, 18 - 20, 32

1шт.

84332118R

REMAN-CYLINDER HEAD

Magnum 305 (9/06), Magnum 335, MX305, Head Includes Valves

1шт.

84332118C

CORE-CYLINDER HEAD

Return Part Number

1шт.

3

J941140

SUPPORT

6шт.

4

87435955

PUSH ROD

12шт.

5

CASJ900250

RETAINER

Collet

48шт.

6

J944452

RETAINER

, Serial Range: -(ESN) 46535055

24шт.

6

J944452

RETAINER

Intake, Start Serial: (ESN) 46535055

12шт.

6

87351062

VALVE

Rotator, Exhaust, Start Serial: (ESN) 46535055

12шт.

7

87666321

VALVE SPRING

, Serial Range: -(ESN) 46654163

24шт.

7

87666321

VALVE SPRING

Intake, Start Serial: (ESN) 46654163

12шт.

7

87666324

VALVE SPRING

Exhaust, Start Serial: (ESN) 46654163

12шт.

8

87352235

SEAL

Valve Stem

24шт.

9

87666373

VALVE GUIDE

24шт.

10

J945093

PLUG

Expansion

1шт.

11

87666392

PLUG

Expansion

6шт.

12

NSS

NOT SOLD SEPARAT

HEAD ASSY, Stripped

1шт.

You Will Need To order Head Assy P/N 84332118.

1шт.

13

J940152

INSERT

Intake

12шт.

14

87344002

INSERT

Exhaust

12шт.

15

84201835

STD INLET VALVE

12шт.

16

84201836

STD EXHAUST VALVE

12шт.

17

87737237

CYLINDER HEAD GASKET,1.81mm Thk

1шт.

18

A77590

PLUG

Expansion

2шт.

19

87344118

PLUG

Expansion

2шт.

20

87344108

PLUG

Expansion

1шт.

21

J678923

PLUG,M10 x 1

Inc. 22

1шт.

22

637-72081

O-RING,1.6mm Thk x 8.1mm ID, Cl 7, 75 Duro

1шт.

24

87435851

TAPPET

12шт.

25

87644763

GUIDE

12шт.

26

87344126

BOLT

26шт.

27

J943445

CROSSBAR

Head Cross

12шт.

28

84282647

ROCKER ARM

Intake

6шт.

29

87435951

SHAFT

12шт.

30

J943933

SCREW,Hex Flg, M10 x 1.5 x 68mm, Cl 10.9

12шт.

31

84286199

ROCKER ARM

Exhaust

6шт.

32

J920706

PLUG

18шт.

Выбрано товаров: 37