Запчасти Case IH MX100 (09-73) - STABILIZER (09) - CHASSIS/ATTACHMENTS

Схема запчастей Case IH MX100 - (09-73) - STABILIZER (09) - CHASSIS/ATTACHMENTS
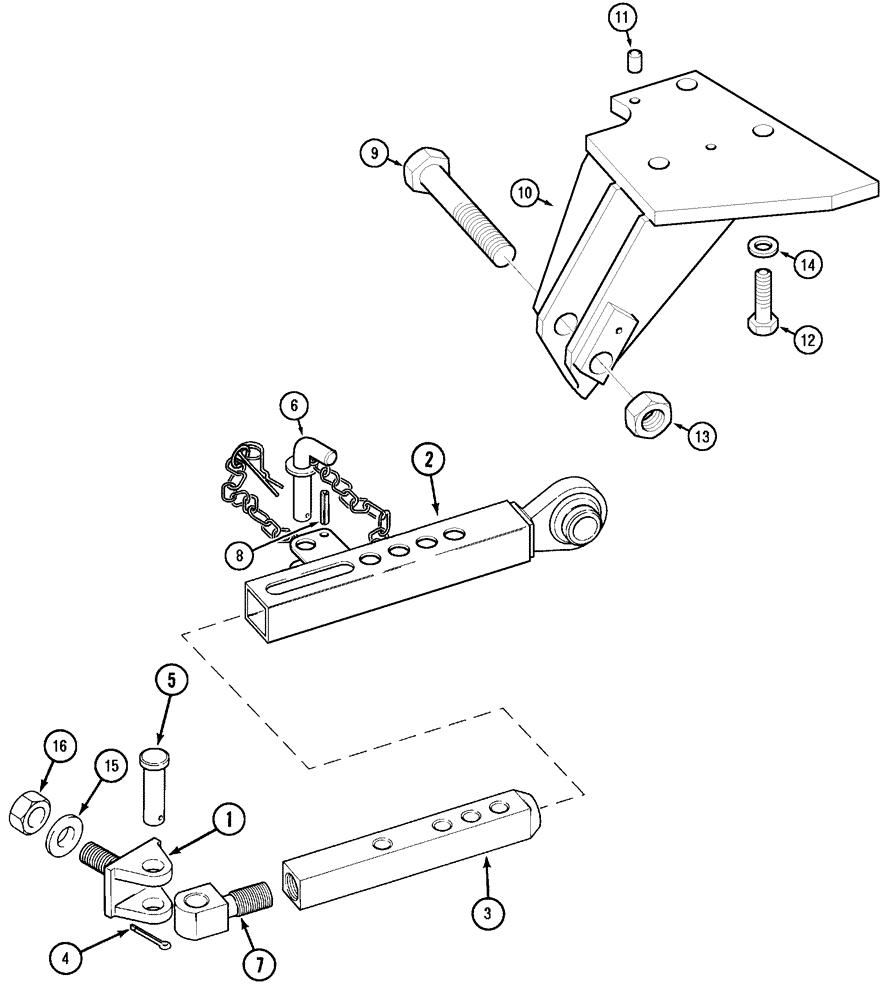
3
11
13
7
10
4
1
8
12
9
15
6
2
5
14
16
FIT
1:1
100%

Артикул

Название

Примечание

Количество

Serial Number JJE0957960, Build Date 10-9-1998

1шт.

Telescopic

1шт.

310208A1

STABILIZER

Consists Of 1 - 8

2шт.

1

1974344C1

CLEVIS,M24 x 3

1шт.

2

317752A1

TURNBUCKLE

1шт.

3

317755A1

BAR

Telescopic

1шт.

4

732-5032

COTTER PIN,M5 x 32

1шт.

5

1974345C1

CLEVIS PIN,30mm OD x 83mm L

1шт.

6

1348035C1

HITCH PIN,16mm OD x 100mm L

1шт.

7

1974343C1

EYEBOLT,M30 x 3.5

1шт.

8

838-3432

PIN,M4 x 32, Coiled

1шт.

9

426-1280

BOLT,Hex, 3/4" - 10 x 5", Gr 8

2шт.

10

308840A1

SUPPORT ASSY.

Right, Includes 11

1шт.

10

308839A1

SUPPORT ASSY.

Left, Includes 11

1шт.

11

837-12025

DOWEL,M12 x 25

2шт.

12

861-20060

HEX SOC SCREW,M20 x 60mm, Cl 12.9

3шт.

13

231-42312

LOCK NUT,3/4"-10, GB

2шт.

14

896-11020

WASHER,22mm ID x 37mm OD x 4mm Thk

22 x 37 x 4 mm

3шт.

15

896-12024

WASHER,26mm ID x 44mm OD x 5mm Thk

26 x 44 x 5 mm

1шт.

16

832-41324

NUT,M24 x 3, Cl 10

1шт.

Выбрано товаров: 20