Запчасти Case IH MX100 (09-82) - THREE POINT HITCH FRONT (09) - CHASSIS/ATTACHMENTS

Схема запчастей Case IH MX100 - (09-82) - THREE POINT HITCH FRONT (09) - CHASSIS/ATTACHMENTS
13
17
54
44
53
51
56
60
42
3
15
27
12
53
12
54
28
22
25
27
19
24
40
36
2
31
29
1
5
9
28
33
49
14
58
50
32
29
6
63
64
24
30
38
55
11
34
47
21
61
35
8
10
48
57
23
30
61
16
39
7
43
26
41
37
59
26
65
23
20
62
18
48
52
49
FIT
1:1
100%

Артикул

Название

Примечание

Количество

1534574C1

HITCH PIN,30mm OD x 95mm L

Serial No. JJE0959581, Build Date 4-12-1999, Consists Of 1 - 3

2шт.

337589A1

HITCH PIN,29.93mm OD x 72mm L

Serial No. JJE0959582, Build Date 4-12-1999, Consists Of 1,2,3A, Use With 5A,16A

2шт.

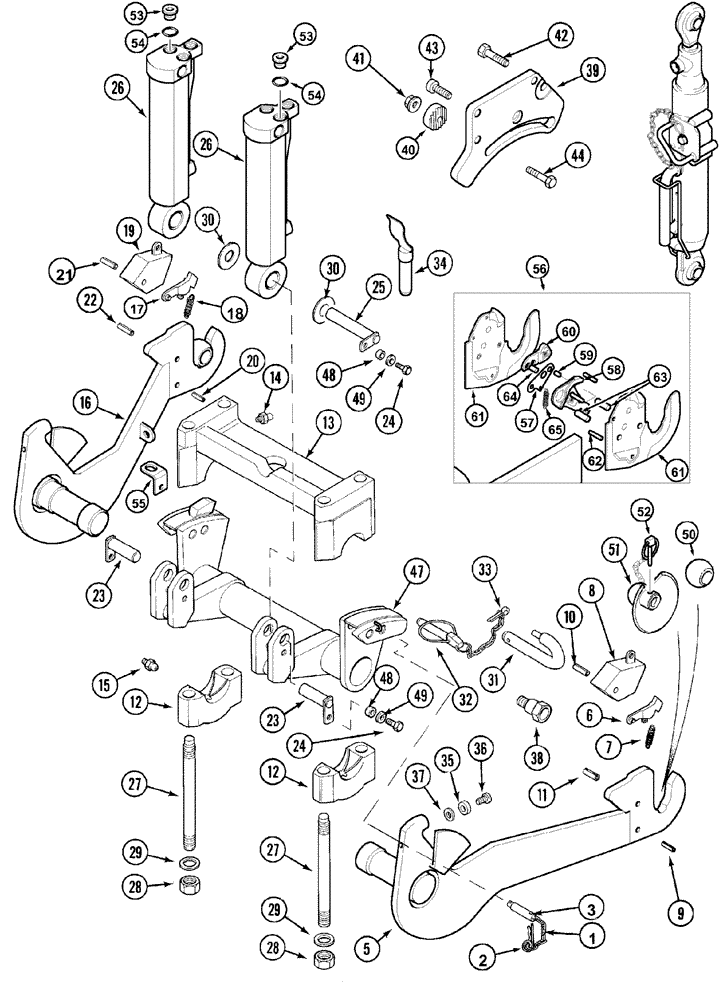
1

T104098

CHAIN,W/Ring

1шт.

2

T104026

SPLIT PIN/SAFETY PIN

1шт.

3

1534575C1

HITCH PIN,30mm OD x 95mm L

1шт.

3b

337591A1

HITCH PIN

1шт.

5

228037A2

LOWER LINK

Right, Includes 6 - 11

1шт.

5b

337576A2

LOWER LINK

Right, Includes 6 - 11

1шт.

6

1974206C2

LATCH ASSY.

1шт.

7

1974207C1

SPRING

1шт.

8

1974208C1

LEVER

1шт.

9

30783R1

LOCK PIN,M6 x 28, Slotted

1шт.

10

905985R1

LOCK PIN,M13 x 45, Slotted

1шт.

11

905984R1

LOCK PIN,M13 x 32, Slotted

1шт.

12

1533227C1

SUPPORT

2шт.

13

1533217C2

SUPPORT ASSY.

1шт.

14

933781R1

LUBE NIPPLE,M10 x 1

2шт.

15

A52236

LUBE NIPPLE,M8 x 1

Straight

2шт.

16

228039A1

LOWER LINK

Left, Includes 17 - 22, Use With 153457C1,231152A1

1шт.

16b

337578A2

LOWER LINK

Left, Includes 17 - 22, Use With 337589A1,337583A1

1шт.

17

1974206C2

LATCH ASSY.

1шт.

18

1974207C1

SPRING

1шт.

19

1974208C1

LEVER

1шт.

20

30783R1

LOCK PIN,M6 x 28, Slotted

1шт.

22

905984R1

LOCK PIN,M13 x 32, Slotted

1шт.

23

1533063C1

PIN,31.85mm OD x 93mm L

2шт.

24

614-8030

BOLT,Hex, M8 x 1.25 x 30mm, Cl 8.8, Full Thd

4шт.

21

905985R1

LOCK PIN,M13 x 45, Slotted

1шт.

25

1533124C1

PIN,31.85mm OD x 170mm L

2шт.

26

228042A2

CYLINDER ASSY.,Double Acting, 35mm Rod, 200mm Stroke

2шт.

254074A1

SEAL KIT

1шт.

27

T104086

STUD

M24

4шт.

28

829-1324

NUT

M24; 10

4шт.

29

905763R1

WASHER,M25 High Tensile

4шт.

30

3226898R1

WASHER

1шт.

31

T100657

PIN

1шт.

32

1531615C1

CHAIN (AG),10mm OD

Includes 33

1шт.

33

3059364R1

PIN

1шт.

34

230520A1

HITCH PIN

1шт.

35

T100522

SPACER

2шт.

36

934600R1

HEX SOC SCREW,M8 x 25mm, Cl 8.8

2шт.

37

T100538

WASHER

1шт.

38

T100885

UNION

2шт.

39

254005A3

PLATE

1шт.

40

1531361C2

STOP

1шт.

41

905958R1

FLANGE NUT,Flg, M16 x 1.5, 10

1шт.

42

628-20045

BOLT,Hex, M20 x 2.5 x 45mm, Cl 10.9, Full Thd

3шт.

42

627-20060

BOLT,Hex, M20 x 2.5 x 60mm, Cl 10.9, Full Thd

3шт.

43

864-20040

HEX SOC SCREW,M20 x 40mm, Cl 8.8

1шт.

43

862-20045

HEX SOC SCREW,M20 x 45mm, Cl 12.9

1шт.

44

514-1023

BOLT,Hex, M16 x 1.5 x 50mm, Cl 10.9, Full Thd

1шт.

46

130422A1

UPPER LINK

Upper, See Fig. 09-83

1шт.

47

231152A1

SUPPORT ASSY.

Not Illustrated

1шт.

47

337583A1

SUPPORT ASSY.

Narrow

1шт.

48

1533065C1

SPACER

4шт.

49

933615R1

WASHER,M8.4 x 21 x 4

4шт.

3224240R1

BALL,20.7mm ID x 56mm OD

Includes 50

1шт.

50

3224240R1

BALL,20.7mm ID x 56mm OD

1шт.

3224232R1

BALL JOINT

Includes 51

1шт.

51

1537371C1

BALL JOINT

Includes 52

1шт.

51

3224232R1

BALL JOINT

Optional

1шт.

52

1537373C1

LINCH PIN

1шт.

53

221578A1

PLUG,M18 x 1.5 ORB

Includes 54

2шт.

54

637-63153

O-RING,2.2mm Thk x 15.3mm ID, Cl 6, 90 Duro

1шт.

55

277098A1

ANGLE

See Fig. 09-05

2шт.

56

370031A1

LATCH

CAT II, Consists Of 57 - 60

1шт.

57

357751A1

LEVER

1шт.

58

357748A1

LATCH

1шт.

59

359042A1

PIN

8.3 x 10 mm

1шт.

60

359044A1

DRAW HOOK

CAT II

1шт.

61

370225A1

SET

Includes 62,63

1шт.

62

738-51036

COTTER PIN,M10 x 36, Slotted

4шт.

63

738-5636

ROLL PIN,M6 x 36, Slotted

2шт.

64

359050A1

LARGE PIN

PIN, LARGE 10 x 50 mm

1шт.

65

357749A1

SPRING,16.5mm OD x 36mm L

1шт.

Выбрано товаров: 75