Запчасти Case IH MX100 (05-07) - FRONT AXLE (05) - STEERING

Схема запчастей Case IH MX100 - (05-07) - FRONT AXLE (05) - STEERING
12
7
13
15
18
7
14
11
6
2
15
17
4
16
8
13
3
9
6
12
11
1
19
16
10
FIT
1:1
100%

Артикул

Название

Примечание

Количество

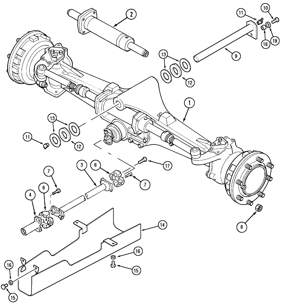
1

257474A2

4WD AXLE ASSY

20:19, MX100, MX110, MX120, Europe Only

1шт.

1

257477A2

4WD AXLE ASSY

20:22, MX135, Europe Only

1шт.

1

257473A2

AXLE

20:19, MX100, MX110, MX120, N.A. Only

1шт.

1

310974A2

4WD AXLE ASSY

MX100, MX110, MX120, Optional

1шт.

1

257475A2

AXLE

20:22, MX135, N.A. Only

1шт.

257475A2R

REMAN-AXLE, MFD

MX135

1шт.

257475A2C

CORE-AXLE, MFD

Return Number

1шт.

1

310976A2

4WD AXLE ASSY

MX135, Optional

1шт.

1

257476A2

AXLE

20:22, N.A. Only, High Clearance

1шт.

1

310978A2

4WD AXLE ASSY

Europe Only, High Clearance, MX110, MX120, MX135

1шт.

2

247531A1

STEERING CYLINDER

See Fig.(s) 05-11, 05-12

1шт.

254592A1

DRIVE SHAFT

Consists of 3 - 7

1шт.

3

254593A1

DRIVE SHAFT

1шт.

4

254594A1

YOKE

1шт.

6

229108A1

U-JOINT SPIDER

2шт.

7

827-10040

BOLT,Hex, M10 x 1.5 x 40mm, Cl 10.9, Full Thd

12шт.

8

98783C1

WHEEL NUT,Wheel, Flg, M20 x 1.5

16шт.

9

181466A4

PIN,50mm OD x 479mm L

1шт.

10

628-12040

BOLT,Hex, M12 x 1.75 x 40mm, Cl 10.9, Full Thd

1шт.

10

806-12040

BOLT,Hex, M12 x 1.75 x 40mm, Cl 10.9

1шт.

11

219-41

LUBE NIPPLE,65 Degree Elbow, 1/8" - 27 NPTF

2шт.

12

A177855

SEALING WASHER,50.3mm ID x 90mm OD x 4.9mm Thk

2шт.

13

A177854

WASHER,50.3mm ID x 90mm OD x 1.6mm Thk

4шт.

14

283725A2

PROTECTOR

1шт.

15

614-10020

BOLT,Hex, M10 x 1.5 x 20mm, Cl 8.8, Full Thd

4шт.

15

254328A1

SET SCREW

M10 x 25, Optional

4шт.

16

895-11010

WASHER,11mm ID x 20mm OD x 2mm Thk

11 x 21 x 2 mm

4шт.

17

514-733

BOLT,Hex, M10 x 1 x 40mm, Cl 10.9, Full Thd

4шт.

18

280011A1

SPACER

1шт.

19

101936C2

WASHER

1шт.

Выбрано товаров: 30