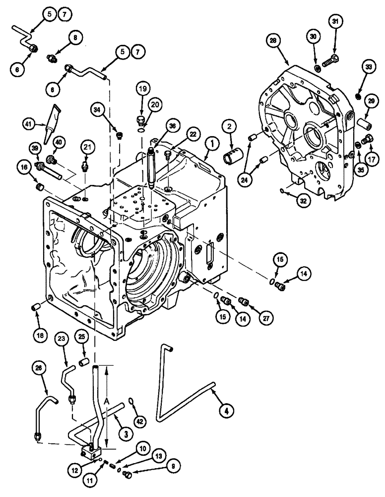
Запчасти Case IH MX120 (06-08) - TRANSAXLE HOUSING (06) - POWER TRAIN

Схема запчастей Case IH MX120 - (06-08) - TRANSAXLE HOUSING (06) - POWER TRAIN
35
20
39
42
25
22
28
32
5
2
13
11
21
31
6
23
16
15
10
16
26
17
12
41
7
6
4
33
40
36
30
18
29
24
8
34
14
3
7
27
5
19
1
9
14
FIT
1:1
100%

Артикул

Название

Примечание

Количество

220164A1

HOUSING ASSY.

Consists of 1,2,3 - 16

1шт.

346540A1

HOUSING ASSY.

Consists of 1,2,3A,4 - 15,40,41

1шт.

1

NSS

NOT SOLD SEPARAT

Housing

1шт.

2

A183013

BUSHING

SLEEVE

1шт.

3

1341200C1

TUBE

A = 390 mm

1шт.

3b

346924A1

PIPE

A = 430.5 mm

1шт.

4

A183894

TUBE

1шт.

5

A188564

TUBE

Includes 6,7

2шт.

6

218-343

TUBE NUT,37 Degree, 9/16"-18, Type B

1шт.

7

218-363

SLEEVE,37 Degree, 3/8" Tube

1шт.

8

218-433

HYD CONNECTOR,9/16" - 18 Male JIC x 9/16" - 18 Male JIC

1шт.

9

1345502C1

PLUG

Includes 10

1шт.

10

30711R1

ROLL PIN,8mm OD x 20mm L, Slotted

1шт.

11

1345504C1

SPRING

1шт.

12

511-10120

BALL,12mm OD, Gr 28

1шт.

13

237-6008

O-RING,0.087" Thk x 0.644" ID, -908, Cl 6, 90 Duro

1шт.

14

221578A1

PLUG,M18 x 1.5 ORB

Includes 15

2шт.

15

637-63153

O-RING,2.2mm Thk x 15.3mm ID, Cl 6, 90 Duro

1шт.

16

221-847

PLUG,Hex Soc, 1 1/4"-11 1/2

1шт.

17

826-16110

BOLT,Hex, M16 x 2 x 110mm, Cl 10.9

4WD

2шт.

17

828-16090

BOLT,Hex, M16 x 2 x 90mm, Cl 10.9

2шт.

18

A175769

DOWEL

2шт.

19

71100209

PLUG,Hex Soc, 3/4"-16 ORB

Incl Ref 20

4шт.

20

237-6008

O-RING,0.087" Thk x 0.644" ID, -908, Cl 6, 90 Duro

1шт.

21

A188637

BLEEDER

Brake Bleed, Left

1шт.

22

826-10020

BOLT,Hex, M10 x 1.5 x 20mm, Cl 10.9, Full Thd

2шт.

23

A188723

TUBE

1шт.

24

A175944

DOWEL,22.1mm OD x 13.5mm L

2шт.

25

347355A1

SLEEVE

1шт.

26

1345659C2

TUBE,8 mm OD, 173, 65 mm Length

1шт.

27

1960881C1

PLUG

1шт.

28

115707A1

HOUSING

Includes 29

1шт.

29

A188099

BUSHING

SLEEVE

1шт.

30

A64303

WASHER

1шт.

31

828-16070

BOLT,Hex, M16 x 2 x 70mm, Cl 10.9

1шт.

32

238-5015

O-RING,0.07" Thk x 0.551" ID, -15, Cl 5, 75 Duro

1шт.

33

239-5117

O-RING,Quad, 0.094" Thk x 0.813" ID, Cl 5, 75 Duro

2шт.

34

217-433

PLUG,Hex Soc, 1/4" - 18 NPTF

1шт.

35

896-11016

WASHER,17.5mm ID x 30mm OD x 4mm Thk

2шт.

36

129596A1

BLEEDER

Brake Bleed, Right

1шт.

39

536850R1

HEATER

Transmission Oil, Only For N.A. and Scandinavia

1шт.

40

86637727

DRAIN PLUG,Sq Soc, 1 1/4"-11 1/2, NTPF

In Place of 536850R1

1шт.

41

345-166

LOCTITE

545 (1 ml)

1шт.

42

239-5129

O-RING,Square, 0.094" Thk x 1.563" ID, -129, Cl 5, 75 Duro

SEALRING

1шт.

Выбрано товаров: 44