Запчасти Case IH MX120 (07-05) - BRAKE SYSTEM (07) - BRAKES

Схема запчастей Case IH MX120 - (07-05) - BRAKE SYSTEM (07) - BRAKES
30
27
6
9
20
15
25
11
11
10
3
22
28
1
23
11
6
19
31
26
5
16
16
11
32
18
24
33
13
21
30
33
4
7
4
8
29
24
32
11
31
14
17
11
5
12
2
23
14
11
FIT
1:1
100%

Артикул

Название

Примечание

Количество

JJE0961834 -

1шт.

With Booster

1шт.

Europe Only

1шт.

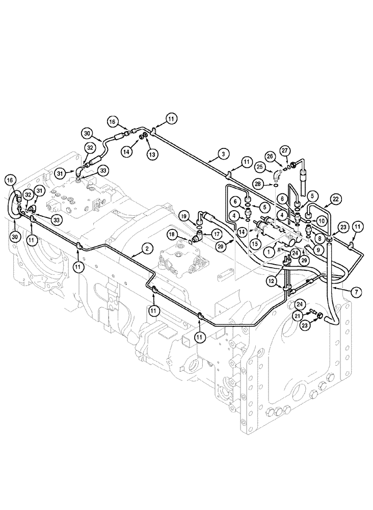
1

357760A1

MASTER CYLINDER

1шт.

2

357832A3

BRAKE LINE

1шт.

3

357833A2

BRAKE LINE

1шт.

4

700-101

HYD CONNECTOR,11/16" - 16 Male ORFS x M14 x 1.5 Male ORB

Incl. 5, 6

2шт.

5

637-63173

O-RING,2.2mm Thk x 17.3mm ID, Cl 6, 75 Duro

1шт.

6

238-6012

O-RING,0.07" Thk x 0.364" ID, -12, Cl 6, 90 Duro

1шт.

7

357835A1

HOSE,12.70 mm ID x 800.00 mm, SAE 30R7

1шт.

8

700-102

HYD CONNECTOR,13/16" - 16 Male ORFS x M18 x 1.5 Male ORB

Incl. 9,10

1шт.

9

637-63173

O-RING,2.2mm Thk x 17.3mm ID, Cl 6, 75 Duro

1шт.

10

238-6012

O-RING,0.07" Thk x 0.364" ID, -12, Cl 6, 90 Duro

1шт.

11

515-2279

CLAMP,5/16", Insul, 5/16" Bolt

10шт.

12

277391A1

CLAMP

2шт.

13

892-11008

LOCK WASHER,8mm ID

10шт.

14

829-1408

NUT,Hex, M8 x 1.25, Cl 10.9

14шт.

15

895-11008

WASHER,9mm ID x 16mm OD x 1.6mm Thk

5шт.

16

238-6011

O-RING,0.07" Thk x 0.301" ID, -11, Cl 6, 90 Duro

2шт.

17

700-345

ELBOW,90 Degree Elbow, 11/16" - 16 Male ORFS x M18 x 1.5 Male ORB

Includes 18,19

1шт.

18

637-63173

O-RING,2.2mm Thk x 17.3mm ID, Cl 6, 75 Duro

1шт.

19

238-6012

O-RING,0.07" Thk x 0.364" ID, -12, Cl 6, 90 Duro

1шт.

20

357834A1

HOSE

1шт.

21

217-152

FITTING,1/2" Hose Barb x 3/8" Male NPTF

1шт.

22

358611A1

BRAKE LINE

1шт.

23

196252A1

CLAMP

2шт.

24

614-8016

BOLT,Hex, M8 x 1.25 x 16mm, Cl 8.8, Full Thd

1шт.

362863A1

ELBOW

Consists of 25 - 28

1шт.

25

NSS

NOT SOLD SEPARAT

Elbow

1шт.

26

133519C1

SCREEN

1шт.

27

238-6012

O-RING,0.07" Thk x 0.364" ID, -12, Cl 6, 90 Duro

1шт.

28

637-63113

O-RING,2.2mm Thk x 11.3mm ID, Cl 6

1шт.

29

224552A1

CABLE

1шт.

30

225010A2

HOSE

2шт.

31

700-378

ELBOW,90 Degree Elbow, 9/16" - 18 Male ORFS x M14 x 1.5 Male ORB

Includes 32,33

1шт.

32

637-63113

O-RING,2.2mm Thk x 11.3mm ID, Cl 6

1шт.

33

238-6011

O-RING,0.07" Thk x 0.301" ID, -11, Cl 6, 90 Duro

1шт.

Выбрано товаров: 37