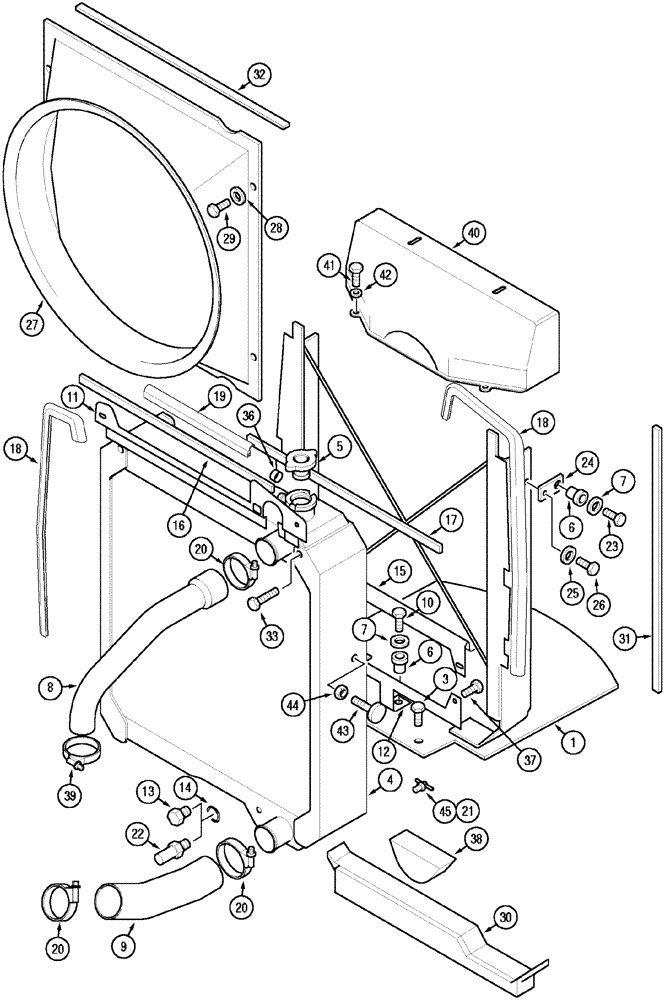
Запчасти Case IH MX120 (02-02) - RADIATOR AND CONNECTIONS (02) - ENGINE

Схема запчастей Case IH MX120 - (02-02) - RADIATOR AND CONNECTIONS (02) - ENGINE
44
36
41
40
16
31
20
30
25
10
23
13
28
1
18
4
42
8
11
6
20
15
5
24
3
37
9
14
6
26
20
7
22
27
12
7
38
32
17
21
19
33
43
39
18
29
45
FIT
1:1
100%

Артикул

Название

Примечание

Количество

1

234816A2

SUPPORT

1шт.

1

232876A3

SUPPORT

With Front P.T.O. and Front Hitch, Europe Only

1шт.

3

844-12025

BOLT,Hvy Hex, M12 x 25mm, Cl 8.8

4шт.

3

844-12030

BOLT,Hvy Hex, M12 x 30mm, Cl 8.8

4шт.

4

135690A3

RADIATOR

3 Row, MX100,MX110,MX120

1шт.

4

135691A3

RADIATOR

4 Row, MX100,MX110,MX120, With Front P.T.O. and Front Hitch, Europe Only

1шт.

4

135691A3

RADIATOR

4 Row, MX135

1шт.

5

A170241

RADIATOR CAP

15 psi

1шт.

6

179601A1

RUBBER BLOCK

RUBBER BLOCK

4шт.

7

K691987

WASHER,10.5mm ID x 30mm OD x 3.0mm Thk

4шт.

8

141569A2

RADIATOR HOSE

1шт.

9

141570A1

RADIATOR HOSE,56.40 mm ID x 279.00 mm, SAE J20

1шт.

10

614-10030

BOLT,Hex, M10 x 1.5 x 30mm, Cl 8.8, Full Thd

2шт.

11

220946A3

LARGE PLATE

PLATE, LARGE

1шт.

12

234814A1

SUPPORT

1шт.

13

214389

PLUG,3/4" - 16 ORB

Includes Ref. 14, without Heater

1шт.

14

237-6008

O-RING,0.087" Thk x 0.644" ID, -908, Cl 6, 90 Duro

1шт.

15

139871A1

SUPPORT ASSY.

Oil Cooler, See Fig. 2-10

1шт.

16

221888A1

SEAL

435 mm

1шт.

17

221889A1

SEAL

52 mm

1шт.

18

221890A2

SEAL

840 mm, Right

1шт.

18

222008A2

SEAL,662mm L

840 mm, Left

1шт.

19

221891A3

SEAL

305 mm

1шт.

20

214-1540

HOSE CLAMP,#40, 2.06" - 3", Type F Worm, W/ Liner

3шт.

21

217-103

COCK, DRAIN

1/4" PT

1шт.

22

196816C1

FITTING

With Heater, See Fig. 2-07

1шт.

23

844-12030

BOLT,Hvy Hex, M12 x 30mm, Cl 8.8

2шт.

24

188739A2

BRACKET

2шт.

25

895-11010

WASHER,11mm ID x 20mm OD x 2mm Thk

11 x 21 x 2 mm

2шт.

26

614-10016

BOLT,Hex, M10 x 1.5 x 16mm, Cl 8.8, Full Thd

2шт.

27

187089A2

DEFLECTOR

1шт.

28

895-15008

WASHER,9mm ID x 20mm OD x 1.6mm Thk

4шт.

29

844-8020

BOLT,Hvy Hex, M8 x 20mm, Cl 8.8

4шт.

30

236102A1

SEAL

612 mm

1шт.

30

226323A2

SEAL

With Front P.T.O. and Front Hitch, Europe Only

1шт.

31

190561A2

SEAL

605 mm

2шт.

32

190562A2

SEALING STRIP,30mm W x 546mm L x 12.7mm Thk

546 mm

2шт.

33

905-8040

BOLT,Hex Flg, M8 x 40mm

2шт.

36

A171099

HOSE CLAMP,13.2mm - 15.4mm

1шт.

37

905-8016

BOLT,Hex Flg, M8 x 16mm

2шт.

38

231135A1

SEAL

175 mm

1шт.

39

214-1528

HOSE CLAMP,#28, 1.31" - 2.25", Type F Worm, W/ Liner

1шт.

40

232269A2

COVER

With Front P.T.O. and Front Hitch, Europe Only

1шт.

41

614-8010

BOLT,Hex, M8 x 1.25 x 10mm, Cl 8.8, Full Thd

2шт.

42

895-11008

WASHER,9mm ID x 16mm OD x 1.6mm Thk

2шт.

259672A2

BUMPER

Consists of 43,44

2шт.

43

NSS

NOT SOLD SEPARAT

Bumper

1шт.

44

829-1306

NUT,M6, Cl 10

1шт.

45

345-87

SEALANT

1шт.

45

B17503

LOCTITE

1шт.

Выбрано товаров: 50