Запчасти Case IH MX120 (09-36) - HEATER AND AIR CONDITIONING (09) - CHASSIS/ATTACHMENTS

Схема запчастей Case IH MX120 - (09-36) - HEATER AND AIR CONDITIONING (09) - CHASSIS/ATTACHMENTS
4
25
14
8
1
5
12
24
21
23
26
22
29
19
27
7
2
9
9
28
6
25
24
11
16
9
6
5
3
15
9
17
18
10
20
13
FIT
1:1
100%

Артикул

Название

Примечание

Количество

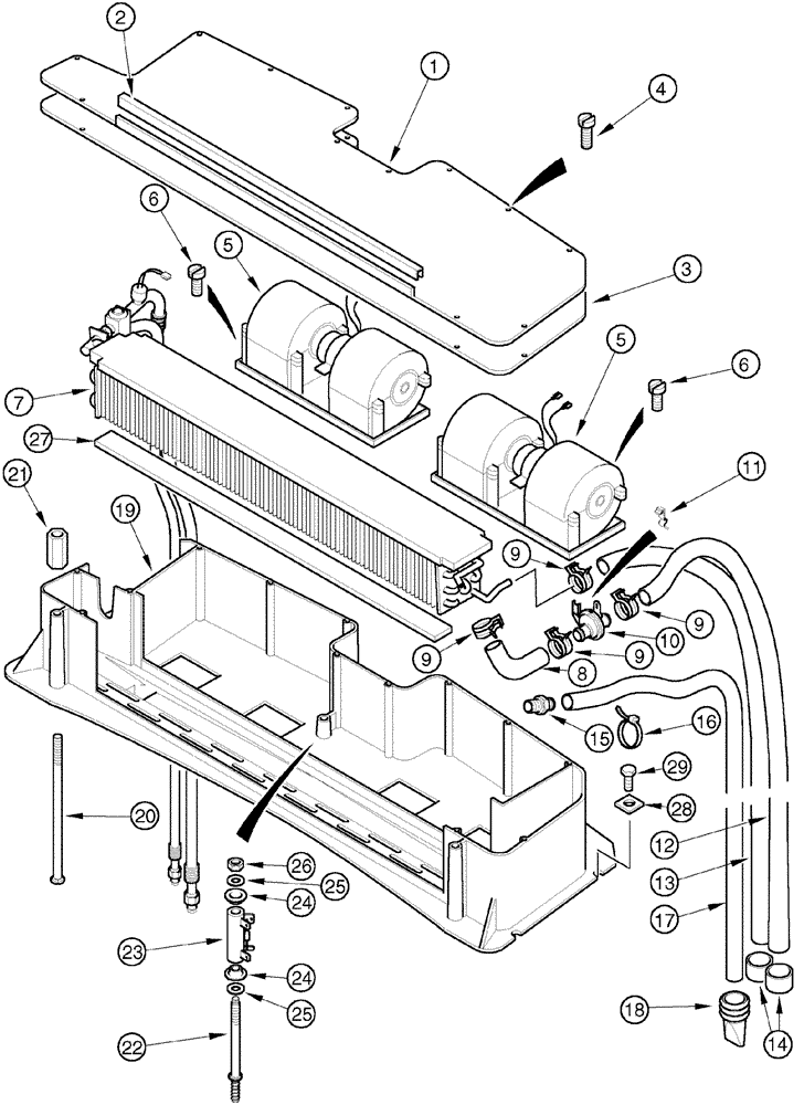
1

222386A2

COVER ASSY

1шт.

2

236759A2

WINDGUARD,927.1mm L

1шт.

3

222494A2

GASKET,3.2mm Thk

1шт.

4

840-2410

SCREW,Pozidrive, Pan HD, M4 x 10mm, Cl 4.8

4.8

13шт.

222387A5

HEATER ASSY.

Heater, Consists of 5 - 15,17 - 19,22 - 27

1шт.

5

178454A2

BLOWER ASSY.

2шт.

178454A2R

REMAN-BLOWER

MX100, MX110, MX120, MX135

2шт.

178454A2C

CORE-BLOWER

Return Number

1шт.

6

758-1

SELF-TAP SCREW,Pan Hd, M4.2 x 16

12шт.

7

251389A1

RADIATOR

1шт.

8

181072A1

HOSE,15.50 mm ID

1шт.

9

1954736C1

HOSE CLAMP,#24

4шт.

10

1331087C1

HEATER VALVE

1шт.

11

1954626C1

SPRING CLIP

1шт.

12

181071A1

LARGE HOSE,15.50 mm ID x 3130.00 mm

HOSE,LARGE Cut from 11 x 97252CX

1шт.

13

1954494C1

HEATER HOSE,15.50 mm ID x 4267.00 mm

Cut from 15 x 97252CX

1шт.

14

353-13

PLUG,Cap, .728" OD

2шт.

15

1250522C3

FITTING

2шт.

16

22-824

CABLE TIE,3/16" x 7 1/4"

CABLE STRAP

3шт.

17

222647A1

HOSE,12.95 mm ID x 2880.00 mm

2880 mm, Cut from 10 x 198091C1

2шт.

18

109239C2

CHECK VALVE

2шт.

19

181061A4

CASE

1шт.

20

222384A2

CARRIAGE BOLT

M8 x 235

2шт.

21

307164A1

SPACER

8 mm

2шт.

22

236817A1

STUD

1шт.

23

307153A1

RESISTOR

1шт.

24

307155A1

WASHER

2шт.

25

307154A1

WASHER

2шт.

26

829-1406

NUT,Hex, M6 x 1, Cl 10.9

1шт.

27

255538A1

GASKET

1шт.

28

3402978R1

PLATE

6шт.

29

780-14625

SELF-TAP SCREW,Hex Hd, M6.3 x 25

3 x 25 mm

6шт.

Выбрано товаров: 32