Запчасти Case IH MX135 (05-08) - FRONT AXLE SUSPENSION (05) - STEERING

Схема запчастей Case IH MX135 - (05-08) - FRONT AXLE SUSPENSION (05) - STEERING
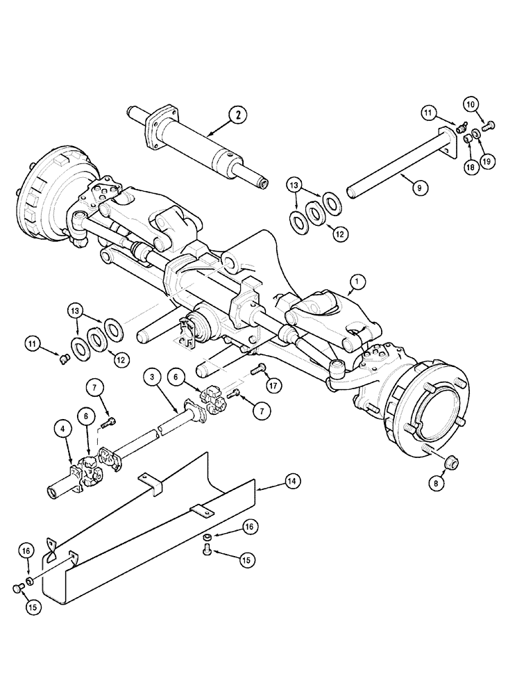
6
13
3
7
12
8
6
4
16
13
11
18
15
19
2
9
15
12
10
16
17
7
14
11
1
FIT
1:1
100%

Артикул

Название

Примечание

Количество

Europe Only

1шт.

1

327126A1

4WD AXLE ASSY

20:25S

1шт.

2

NSS

NOT SOLD SEPARAT

Cylinder Assy

1шт.

254592A1

DRIVE SHAFT

Consists of 3 - 7

1шт.

3

254593A1

DRIVE SHAFT

1шт.

4

254594A1

YOKE

1шт.

6

229108A1

U-JOINT SPIDER

2шт.

7

827-10040

BOLT,Hex, M10 x 1.5 x 40mm, Cl 10.9, Full Thd

12шт.

8

180132A1

WHEEL NUT,Wheel, Flg, M22 x 1.5

10шт.

9

181466A4

PIN,50mm OD x 479mm L

1шт.

10

806-12040

BOLT,Hex, M12 x 1.75 x 40mm, Cl 10.9

1шт.

11

219-41

LUBE NIPPLE,65 Degree Elbow, 1/8" - 27 NPTF

2шт.

12

A177855

SEALING WASHER,50.3mm ID x 90mm OD x 4.9mm Thk

2шт.

13

A177854

WASHER,50.3mm ID x 90mm OD x 1.6mm Thk

4шт.

14

337559A3

PROTECTOR

1шт.

15

614-10020

BOLT,Hex, M10 x 1.5 x 20mm, Cl 8.8, Full Thd

4шт.

15

254328A1

SET SCREW

M10 x 25, Optional

4шт.

16

895-11010

WASHER,11mm ID x 20mm OD x 2mm Thk

11 x 21 x 2 mm

4шт.

17

514-733

BOLT,Hex, M10 x 1 x 40mm, Cl 10.9, Full Thd

4шт.

18

280011A1

SPACER

1шт.

19

101936C2

WASHER

1шт.

Выбрано товаров: 21