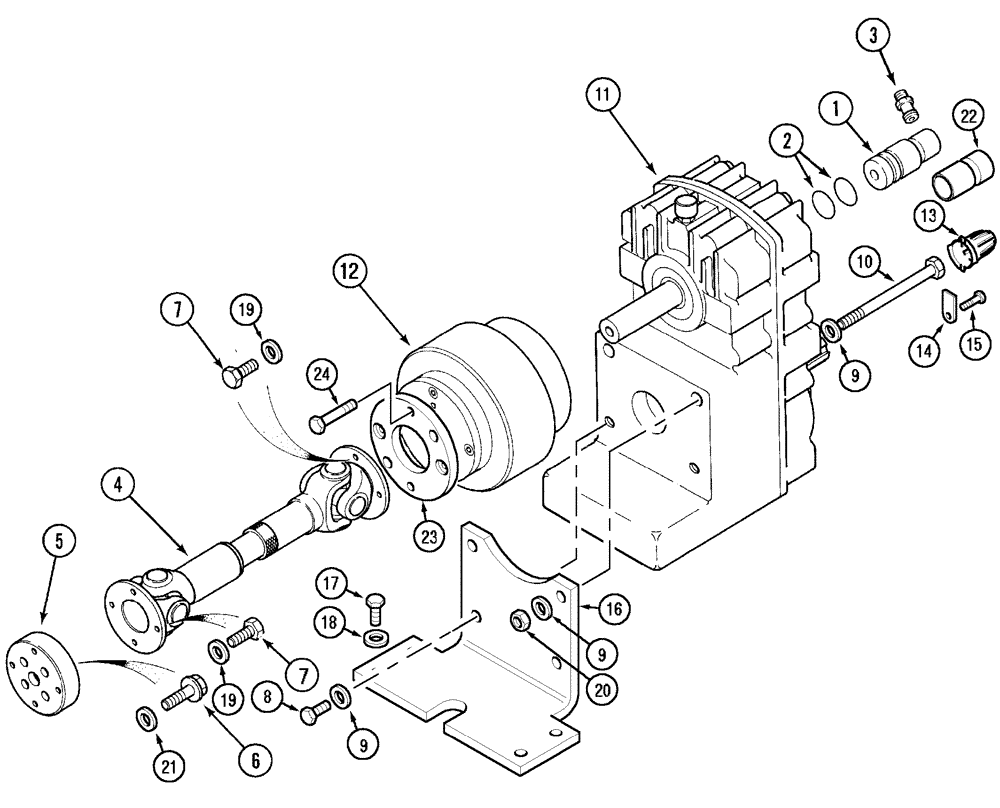
Запчасти Case IH MX135 (06-34) - FRONT P.T.O. HOUSING (06) - POWER TRAIN

Схема запчастей Case IH MX135 - (06-34) - FRONT P.T.O. HOUSING (06) - POWER TRAIN
1
19
17
4
9
22
23
15
20
19
21
5
2
18
6
13
8
11
3
7
12
9
9
16
10
7
14
24
FIT
1:1
100%

Артикул

Название

Примечание

Количество

Europe Only

1шт.

222468A1

PTO

POWER TAKE OFF , Transmission, Front, Consists of 1,11

1шт.

1

1533973C1

FITTING

Includes 2,3

1шт.

2

134932A1

O-RING

2шт.

3

134934A1

UNION

1шт.

4

222471A1

DRIVE SHAFT

Drive

1шт.

4a

383499A1

U-JOINT SPIDER

Universal, Coupling

1шт.

5

222470A1

ADAPTER

1шт.

6

J903857

BOLT,Hex, M12 x 1.25 x 36mm

M12 x 36

4шт.

7

628-10030

BOLT,Hex, M10 x 1.5 x 30mm, Cl 10.9, Full Thd

1шт.

7

628-10025

BOLT,Hex, M10 x 1.5 x 25mm, Cl 10.9, Full Thd

1шт.

7

628-10020

BOLT,Hex, M10 x 1.5 x 20mm, Cl 10.9, Full Thd

1шт.

8

626-16045

BOLT,Hex, M16 x 2 x 45mm, Cl 10.9, Full Thd

2шт.

9

896-11016

WASHER,17.5mm ID x 30mm OD x 4mm Thk

1шт.

10

814-16220

BOLT,Hex, M16 x 2 x 220mm, Cl 8.8

2шт.

11

1534488C2

PTO

POWER TAKE OFF , See Page(s) 6-103

1шт.

12

228470A1

CLUTCH

See Page(s) 6-105

1шт.

13

1973953C1

COVER

1шт.

14

139326A1

CLIP

2шт.

15

30442R1

SCREW,Hex Flat Hd, M6 x 16, 4.8

2шт.

16

228032A2

SUPPORT

1шт.

17

828-16060

BOLT,Hex, M16 x 2 x 60mm, Cl 10.9

4шт.

18

896-11016

WASHER,17.5mm ID x 30mm OD x 4mm Thk

1шт.

19

895-18010

WASHER,10.5mm ID x 18mm OD x 1.6mm Thk

1шт.

20

829-1316

NUT,M16, Cl 10

2шт.

21

895-11012

WASHER,13.5mm ID x 24mm OD x 2.5mm Thk

4шт.

22

3054841R2

TUBE

1шт.

23

282814A1

SPACER

1шт.

24

627-10016

BOLT,Hex, M10 x 1.5 x 16mm, Cl 10.9, Full Thd

2шт.

24

614-10012

BOLT,Hex, M10 x 1.5 x 12mm, Cl 8.8, Full Thd

Replaces 627-10016

2шт.

Выбрано товаров: 30