Запчасти Case IH MX135 (02-14) - VERTICAL EXHAUST - WITHOUT CAB (02) - ENGINE

Схема запчастей Case IH MX135 - (02-14) - VERTICAL EXHAUST - WITHOUT CAB (02) - ENGINE
3
23
16
6
7
4
22
20
14
18
13
6
9
8
11
10
21
15
2
19
17
1
12
5
FIT
1:1
100%

Артикул

Название

Примечание

Количество

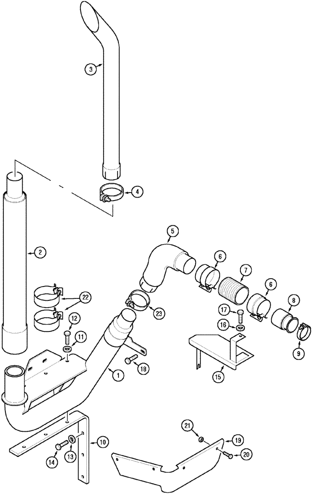
1

252530A2

PIPE

1шт.

2

224514A1

MUFFLER

1шт.

2

293634A1

MUFFLER

With Aspirator, ROPS, Not Illustrated

1шт.

3

242530A1

PIPE, EXHAUST SYSTEM

PIPE, EXHAUST

1шт.

4

180300A1

CLAMP,88.9mm

1шт.

5

184967A1

TUBE,90.043 mm ID, 240, 165 mm Length

1шт.

6

197008A1

CLAMP,90.48mm ID

2шт.

7

195773A2

PIPE

1шт.

8

196342A1

ADAPTER

1шт.

9

A170467

CLAMP,72mm ID

1шт.

10

199326A1

SUPPORT

1шт.

11

896-11012

WASHER,13.5mm ID x 24mm OD x 3mm Thk

5шт.

12

614-12040

BOLT,Hex, M12 x 1.75 x 40mm, Cl 8.8, Full Thd

5шт.

13

896-11016

WASHER,17.5mm ID x 30mm OD x 4mm Thk

1шт.

14

627-16040

BOLT,Hex, M16 x 2 x 40mm, Cl 10.9, Full Thd

1шт.

15

224832A4

GUARD

1шт.

16

895-18010

WASHER,10.5mm ID x 18mm OD x 1.6mm Thk

1шт.

17

614-10020

BOLT,Hex, M10 x 1.5 x 20mm, Cl 8.8, Full Thd

1шт.

18

905-12025

BOLT,Hex Flg, M12 x 25mm

1шт.

19

244805A3

PANEL

Lower Right

1шт.

20

1975782C1

SELF-TAP SCREW,Truss HD, #10 - 16 x 5/8"

4шт.

21

96900C1

SPRING NUT,U, #10-16, Panel type

4шт.

22

131798A1

CLAMP

1шт.

23

180300A1

CLAMP,88.9mm

1шт.

Выбрано товаров: 24