Запчасти Case IH MX135 (02-16) - WATER PUMP AND FAN (02) - ENGINE

Схема запчастей Case IH MX135 - (02-16) - WATER PUMP AND FAN (02) - ENGINE
5
26
27
24
11
15
22
9
10
16
8
19
1
5a
7
3
17
12
4
23
6
28
21
14
18
20
24
13
FIT
1:1
100%

Артикул

Название

Примечание

Количество

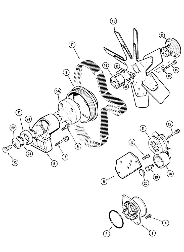
1

J802970

PUMP, WATER

Includes 3

1шт.

1

J286278R

REMAN-WATER PUMP

MX100, MX110, MX120, MX135

1шт.

1

J286278C

CORE-WATER PUMP

Return Number

1шт.

3

238-5341

O-RING,0.21" Thk x 3.475" ID, -341, Cl 5, 75 Duro

1шт.

4

J900227

BOLT,Hex, M8 x 1.25 x 22mm, Cl 10.9

2шт.

5

J911205

BRACKET

Includes 5A,21 - 24

1шт.

5b

J911924

HUB

1шт.

6

845-8030

BOLT,Hvy Hex, M8 x 30mm, Cl 8.8

2шт.

7

845-8040

BOLT,Hvy Hex, M8 x 40mm, Cl 8.8

4шт.

8

J914462

PULLEY,163mm OD

1:1,1, Fan

1шт.

9

J925195

SUPPORT

1шт.

10

J925186

SCREW,Torx, M8 x 1.25 x 25mm, Cl 10.9

1шт.

10

845-8025

BOLT,Hex Flg, M8 x 25mm, Cl 8.8

1шт.

11

J934817

BELT TENSIONER

1шт.

12

844-10070

BOLT,Hex Flng, M10 x 70mm, Cl 8.8

1шт.

13

194518A2

FAN,7 Blades, 609.3mm OD

1шт.

13

225882A2

FAN

With Front P.T.O. and Front Hitch, Europe Only

1шт.

14

283778A1

SPACER

27/28 mm

1шт.

15

814-10060

BOLT,Hex, M10 x 1.5 x 60mm, Cl 8.8

4шт.

15

814-10055

BOLT,Hex, M10 x 1.5 x 55mm, Cl 8.8

With Front P.T.O. and Front Hitch, Europe Only

4шт.

16

496-21041

WASHER,13/32" x 13/16" x .089", HDN

4шт.

17

J911558

V-BELT,27.92mm W x 1498.6mm L, 8 Ribs

1шт.

A77817

KIT

Consists of 18 - 20

1шт.

18

NSS

NOT SOLD SEPARAT

Pulley

1шт.

19

NSS

NOT SOLD SEPARAT

Bolt

1шт.

20

NSS

NOT SOLD SEPARAT

Seal

1шт.

21

J910739

BALL BEARING,35mm ID x 64mm OD x 37mm W

1шт.

22

J923044

RETAINER

1шт.

23

J907769

BOLT,Hex, M10 x 70mm, Cl 12.9

M10 x 70

1шт.

24

100-21250

SNAP RING,2.50", Int, #250

2шт.

26

188922A1

DRIVE,Cooling Fan Viscous

1шт.

27

496-11034

WASHER,11/32" x 11/16" x 1/16", HDN

4шт.

28

829-1408

NUT,Hex, M8 x 1.25, Cl 10.9

4шт.

Выбрано товаров: 33