Запчасти Case IH MX150 (09-62) - STABILIZER (37) - HITCHES, DRAWBARS & IMPLEMENT COUPLINGS

Схема запчастей Case IH MX150 - (09-62) - STABILIZER (37) - HITCHES, DRAWBARS & IMPLEMENT COUPLINGS
5
18
4
2
8
12
7
15
16
17
13
1
9
11
10
3
6
14
19
FIT
1:1
100%

Артикул

Название

Примечание

Количество

Telescopic

1шт.

Europe Only

1шт.

178704A3

STABILIZER

Consists Of 1 - 8

2шт.

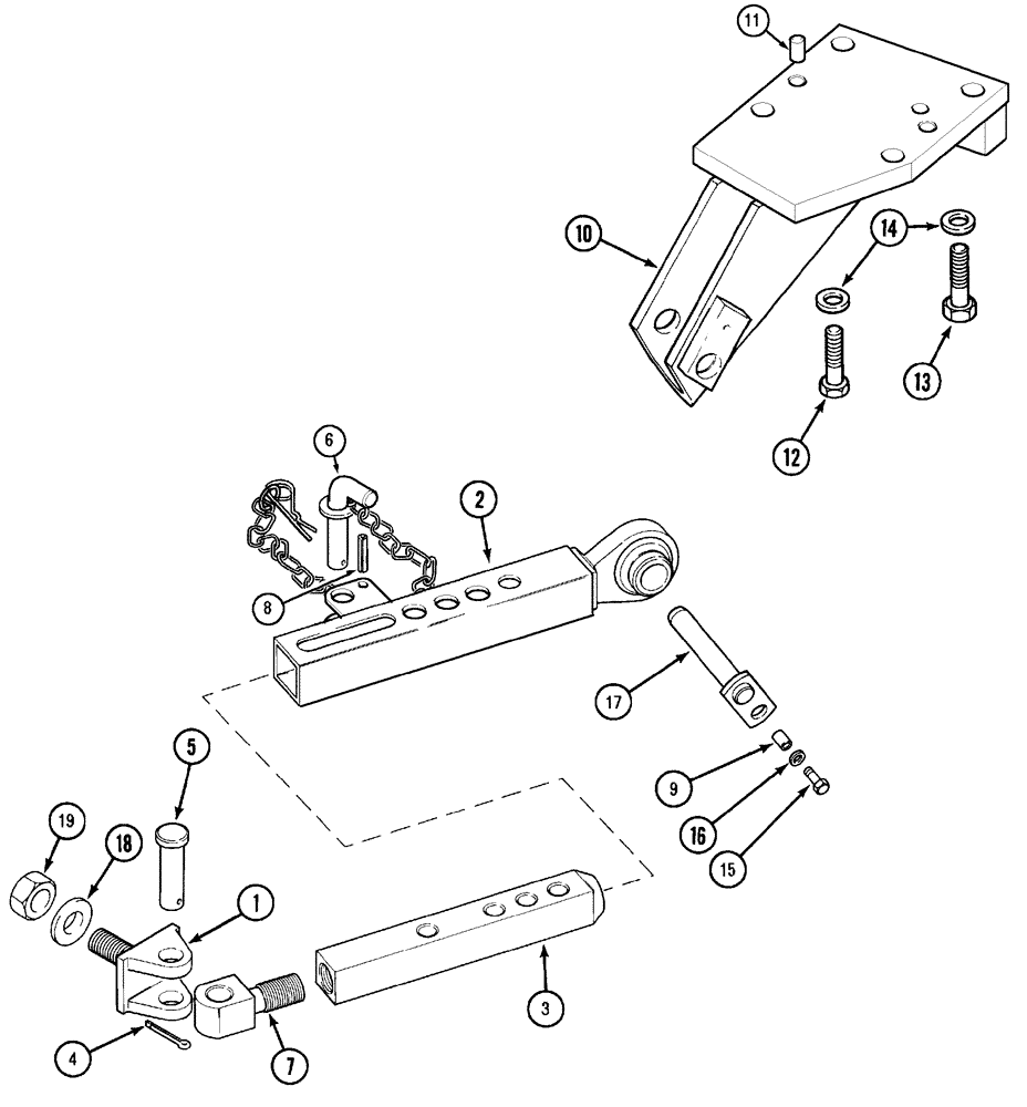
1

304880A2

CLEVIS,M27 x 3

1шт.

2

304879A1

TURNBUCKLE

1шт.

3

304881A1

SHAFT,M30 x 3.5

Telescopic

1шт.

4

732-5032

COTTER PIN,M5 x 32

1шт.

5

1974345C1

CLEVIS PIN,30mm OD x 83mm L

1шт.

6

304884A1

HITCH PIN

1шт.

7

304883A1

HITCH PIN,M30 x 3.5

1шт.

8

838-3432

PIN,M4 x 32, Coiled

1шт.

9

1533065C1

SPACER

1шт.

10

280298A1

SUPPORT ASSY.

Right, Includes 11

1шт.

10

252876A1

SUPPORT ASSY.

Left, Includes 11

1шт.

11

NSS

NOT SOLD SEPARAT

12 x 25 mm, Pin

2шт.

12

628-16060

BOLT,Hex, M16 x 2 x 60mm, Cl 10.9, Full Thd

2шт.

13

828-20120

BOLT,Hex, M20 x 2.5 x 120mm, Cl 10.9

M20 x 120; 10.9

2шт.

14

896-12020

WASHER,22mm ID x 37mm OD x 4mm Thk

22 x 37 x 4 mm

4шт.

15

614-8022

BOLT,Hex, M8 x 1.25 x 22mm, Cl 8.8, Full Thd

1шт.

16

933615R1

WASHER,M8.4 x 21 x 4

1шт.

17

1533173C1

HEADED PIN,19mm OD x 114mm L

1шт.

18

896-11027

WASHER,28.8mm ID x 50.5mm OD x 5mm Thk

29 x 50 x 5mm

1шт.

19

832-46427

NUT,M27 x 3, Cl 8

M27

1шт.

Выбрано товаров: 23