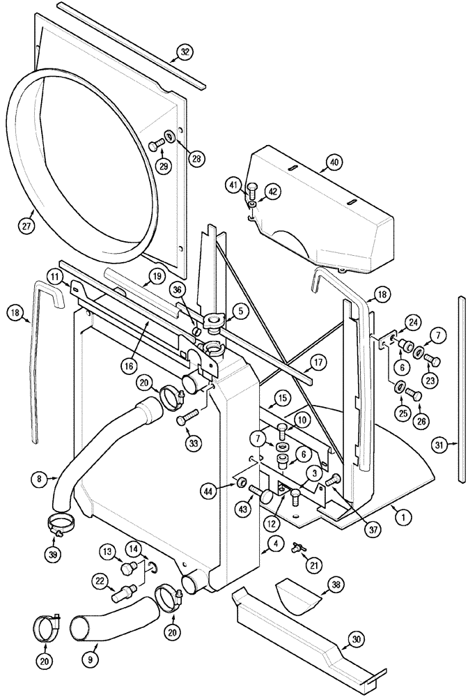
Запчасти Case IH MX150 (02-02) - RADIATOR AND CONNECTIONS (10) - ENGINE

Схема запчастей Case IH MX150 - (02-02) - RADIATOR AND CONNECTIONS (10) - ENGINE
33
41
22
6
31
21
36
18
44
32
17
23
3
40
42
24
26
38
8
12
30
10
39
25
28
27
4
29
6
11
7
37
20
13
20
18
7
20
15
19
43
9
1
5
16
14
FIT
1:1
100%

Артикул

Название

Примечание

Количество

1

234816A2

SUPPORT

1шт.

1

232876A3

SUPPORT

With Front P.T.O. and Front Hitch, Europe Only

1шт.

3

844-12025

BOLT,Hvy Hex, M12 x 25mm, Cl 8.8

4шт.

4

244295A1

RADIATOR

MX170

1шт.

4

244295A1

RADIATOR

With Front P.T.O. and Front Hitch, Europe Only, MX150

1шт.

4

135691A3

RADIATOR

4 Row, MX150

1шт.

5

A170241

RADIATOR CAP

15 psi

1шт.

6

179601A1

RUBBER BLOCK

RUBBER BLOCK

4шт.

7

K691987

WASHER,10.5mm ID x 30mm OD x 3.0mm Thk

4шт.

8

141569A2

RADIATOR HOSE

1шт.

9

141570A1

RADIATOR HOSE,56.40 mm ID x 279.00 mm, SAE J20

1шт.

10

614-10030

BOLT,Hex, M10 x 1.5 x 30mm, Cl 8.8, Full Thd

2шт.

11

220946A3

LARGE PLATE

PLATE, LARGE

1шт.

12

234814A1

SUPPORT

1шт.

13

214389

PLUG,3/4" - 16 ORB

Includes Ref. 14, without Heater

1шт.

14

237-6008

O-RING,0.087" Thk x 0.644" ID, -908, Cl 6, 90 Duro

1шт.

15

139871A1

SUPPORT ASSY.

Oil Cooler, See Fig. 02-10

1шт.

16

221888A1

SEAL

435 mm

1шт.

17

221889A1

SEAL

52 mm

1шт.

18

221890A2

SEAL

840 mm, Right

1шт.

18

222008A2

SEAL,662mm L

840 mm, Left

1шт.

19

221891A3

SEAL

305 mm

1шт.

20

214-1540

HOSE CLAMP,#40, 2.06" - 3", Type F Worm, W/ Liner

3шт.

21

217-103

COCK, DRAIN

1/4" PT

1шт.

22

196816C1

FITTING

With Heater, See Page(s) 2-17

1шт.

23

614-10030

BOLT,Hex, M10 x 1.5 x 30mm, Cl 8.8, Full Thd

2шт.

24

188739A2

BRACKET

2шт.

25

895-11010

WASHER,11mm ID x 20mm OD x 2mm Thk

11 x 21 x 2 mm

2шт.

26

614-10016

BOLT,Hex, M10 x 1.5 x 16mm, Cl 8.8, Full Thd

2шт.

27

187089A2

DEFLECTOR

1шт.

28

895-11010

WASHER,11mm ID x 20mm OD x 2mm Thk

11 x 21 x 2 mm

4шт.

29

844-8020

BOLT,Hvy Hex, M8 x 20mm, Cl 8.8

4шт.

30

236102A1

SEAL

612 mm

1шт.

30

226323A2

SEAL

With Front P.T.O. and Front Hitch, Europe Only

1шт.

31

190561A2

SEAL

605 mm

2шт.

32

190562A2

SEALING STRIP,30mm W x 546mm L x 12.7mm Thk

546 mm

2шт.

33

905-8040

BOLT,Hex Flg, M8 x 40mm

2шт.

33

905-8030

BOLT,Hex Flg, M8 x 30mm

M8 x 30, Optional

2шт.

36

A171099

HOSE CLAMP,13.2mm - 15.4mm

1шт.

37

905-8016

BOLT,Hex Flg, M8 x 16mm

2шт.

38

231135A1

SEAL

175 mm

1шт.

39

214-1528

HOSE CLAMP,#28, 1.31" - 2.25", Type F Worm, W/ Liner

1шт.

40

232269A2

COVER

With Front P.T.O. and Front Hitch, Europe Only

1шт.

41

614-8010

BOLT,Hex, M8 x 1.25 x 10mm, Cl 8.8, Full Thd

2шт.

42

895-11008

WASHER,9mm ID x 16mm OD x 1.6mm Thk

2шт.

259672A2

BUMPER

Consists Of 43,44

2шт.

43

NSS

NOT SOLD SEPARAT

Bumper

1шт.

44

829-1406

NUT,Hex, M6 x 1, Cl 10.9

1шт.

Выбрано товаров: 48