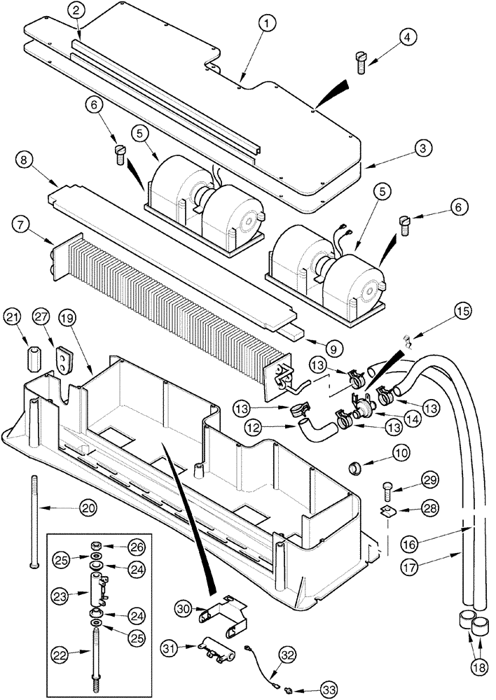
Запчасти Case IH MX150 (09-36) - HEATER INSTALLATION (50) - CAB CLIMATE CONTROL

Схема запчастей Case IH MX150 - (09-36) - HEATER INSTALLATION (50) - CAB CLIMATE CONTROL
13
5
33
4
21
13
31
16
32
19
5
24
23
13
14
7
25
17
1
15
26
18
3
6
29
24
25
8
13
6
30
2
9
22
10
12
28
20
FIT
1:1
100%

Артикул

Название

Примечание

Количество

222386A2

COVER ASSY

Consists Of 1,2,3

1шт.

1

181063A3

COVER

1шт.

2

236759A2

WINDGUARD,927.1mm L

1шт.

3

222494A2

GASKET,3.2mm Thk

1шт.

4

840-2410

SCREW,Pozidrive, Pan HD, M4 x 10mm, Cl 4.8

4.8

13шт.

5

178454A2

BLOWER ASSY.

2шт.

178454A2R

REMAN-BLOWER

MX150, MX170 BOTH (1/98-)

2шт.

178454A2C

CORE-BLOWER

Return Number

1шт.

6

758-1

SELF-TAP SCREW,Pan Hd, M4.2 x 16

12шт.

7

194031A1

RADIATOR, HEATER

1шт.

8

222385A2

SEAL

1шт.

9

255538A1

GASKET

1шт.

10

353-407

PLUG,Dome, .687" hole, Nylon

2шт.

12

181072A1

HOSE,15.50 mm ID

Outlet

1шт.

13

1954736C1

HOSE CLAMP,#24

4шт.

14

1331087C1

HEATER VALVE

1шт.

15

1954626C1

SPRING CLIP

1шт.

16

181071A1

LARGE HOSE,15.50 mm ID x 3130.00 mm

HOSE,LARGE Cut from 11 x 97252CX

1шт.

16

1974655C1

HEATER HOSE,15.5mm ID x 2642mm L

1шт.

17

1954494C1

HEATER HOSE,15.50 mm ID x 4267.00 mm

Cut from 15 x 97252CX

1шт.

17

1530636C1

HEATER HOSE

1шт.

18

353-13

PLUG,Cap, .728" OD

2шт.

19

181061A4

CASE

1шт.

20

222384A2

CARRIAGE BOLT

M8 x 235

2шт.

21

307164A1

SPACER

8 mm

2шт.

22

236817A1

STUD

1шт.

23

307153A1

RESISTOR

1шт.

24

307155A1

WASHER

2шт.

25

307154A1

WASHER

2шт.

26

829-1406

NUT,Hex, M6 x 1, Cl 10.9

1шт.

28

3402978R1

PLATE

6шт.

29

780-14625

SELF-TAP SCREW,Hex Hd, M6.3 x 25

3 x 25 mm

6шт.

359671A1

RESISTOR

Includes 30,31,32

1шт.

30

359669A1

HOLDER

6шт.

31

359504A1

RESISTOR

1шт.

32

236864A2

HARNESS,500mm L

1шт.

33

355956A1

DIODE

1шт.

97252CX

HOSE

15240 mm

1шт.

Выбрано товаров: 38