Запчасти Case IH MX150 (06-30) - P.T.O. CONTROLS - SHIFTABLE (21) - TRANSMISSION

Схема запчастей Case IH MX150 - (06-30) - P.T.O. CONTROLS - SHIFTABLE (21) - TRANSMISSION
13
4
12
11
5
8
15
18
7
6
18
16
19
1
9
10
14
20
21
2
3
17
FIT
1:1
100%

Артикул

Название

Примечание

Количество

Europe Only

1шт.

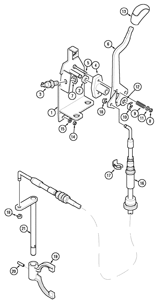
1

234869A5

SUPPORT ASSY.

1шт.

2

248475A1

SPACER

1шт.

3

177499A2

LIMIT SWITCH

Plunger, Incl 7

1шт.

4

175312A1

SUPPORT

1шт.

5

814-6045

BOLT,Hex, M6 x 1 x 45mm, Cl 8.8

2шт.

6

300333A1

LEVER ASSY.

1шт.

7

188603A1

JAM NUT

M16

1шт.

8

832-10406

NUT,M6 x 1, Cl 8

2шт.

9

T102381

SPRING

2шт.

10

240908A1

CLIP,ELECTRICAL

1шт.

11

895-11006

WASHER,6.6mm ID x 12mm OD x 1.6mm Thk

2шт.

12

896-11012

WASHER,13.5mm ID x 24mm OD x 3mm Thk

1шт.

13

177108A1

GRIP

1шт.

14

829-1408

NUT,Hex, M8 x 1.25, Cl 10.9

3шт.

15

895-11008

WASHER,9mm ID x 16mm OD x 1.6mm Thk

3шт.

16

293450A2

CABLE ASSY.,1791mm L

1791 mm

1шт.

17

800-4313

CIRCLIP,M13

1шт.

18

800-436

CIRCLIP,M6

2шт.

19

A183464

SHIFTER FORK

1шт.

20

38-21216

PIN,4.75mm OD x 25.4mm L, Coiled

3/16" x 1", Coiled

1шт.

21

292027A2

LEVER ASSY.

1шт.

Выбрано товаров: 22