Запчасти Case IH MX150 (05-06) - STEERING CYLINDER AND TIE ROD (25) - FRONT AXLE SYSTEM

Схема запчастей Case IH MX150 - (05-06) - STEERING CYLINDER AND TIE ROD (25) - FRONT AXLE SYSTEM
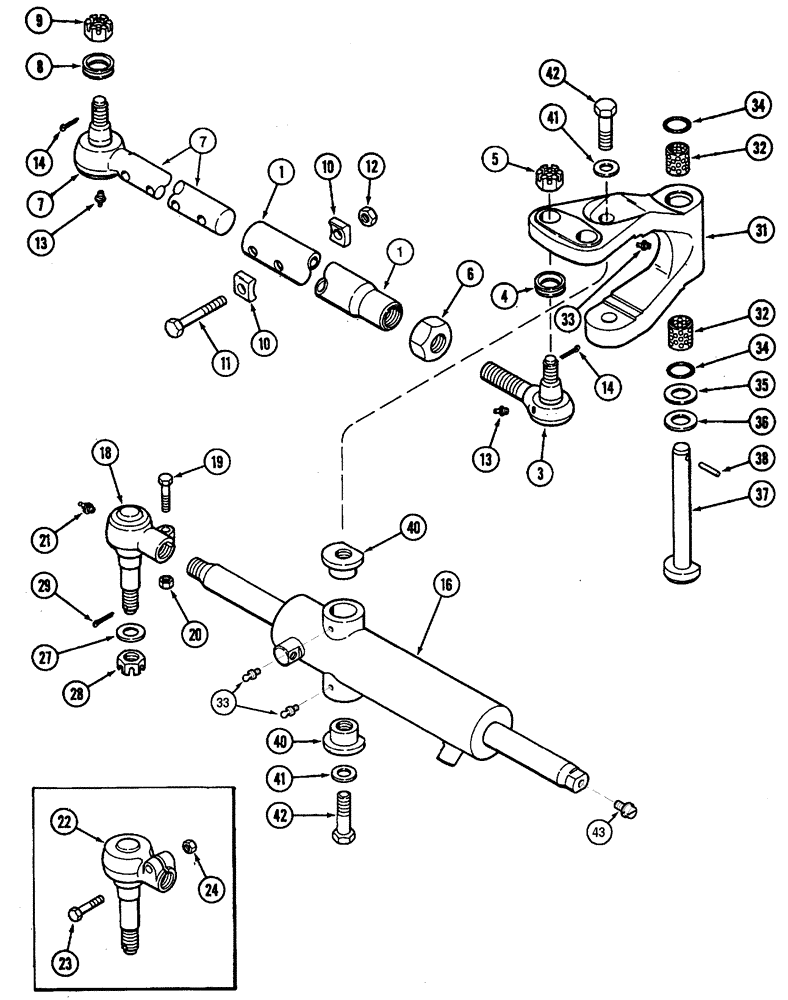
31
27
38
41
18
10
9
13
7
14
12
5
43
42
6
34
10
19
22
3
28
4
8
7
24
11
33
32
34
1
40
23
35
16
13
20
41
40
29
14
21
1
32
37
42
33
36
FIT
1:1
100%

Артикул

Название

Примечание

Количество

*

2WD

1шт.

405419A1

TIE-ROD

Consists Of 1 - 13

2шт.

1

1280657C1

TUBE,30.7 - 40 mm ID, 41.2 mm OD, 431.5 mm Length

1шт.

3

406054A1

BALL JOINT,1-1/8" - 12 x 5"

Includes 4,5

1шт.

4

1280659C1

SEAL,27.61mm ID x 38.9mm OD x 8.13mm Thk

1шт.

5

1280660C1

SLOTTED NUT

M20

1шт.

6

1280661C1

NUT

1-1/8"

1шт.

7

406053A1

BALL JOINT

Includes 8,9

1шт.

8

1280659C1

SEAL,27.61mm ID x 38.9mm OD x 8.13mm Thk

1шт.

9

1280660C1

SLOTTED NUT

M20

1шт.

10

A145857

CLAMP,9.91mm ID x 25.4mm OD x 7.365mm Thk

4шт.

11

328-648

BOLT,Hex, 3/8" - 24 x 3", Gr 8

2шт.

12

232-4616

LOCK NUT,3/8"-24, GC

2шт.

13

219-8

LUBE NIPPLE,1/4" - 28 NPTF

2шт.

14

432-824

COTTER PIN,1/8" x 1 1/2"

4шт.

16

93194C9

STEERING CYLINDER,Double Acting, 31.75mm Rod, 246.38mm Stroke

67 ID x 246 mm strk, See Page(s) 5-17

1шт.

16

93194C9R

REMAN-HYD CYLINDER

MX150, MX170, Both CASE IH MAXXUM DIESEL TRACTOR, 67 ID x 246 mm strk (1/98-)

1шт.

16

93194C9C

CORE-HYD CYLINDER

Return Number

1шт.

1280566C2

BALL JOINT

Consists Of 18 - 24

1шт.

18

NSS

NOT SOLD SEPARAT

Socket, Includes 19,20,21

1шт.

19

413-632

BOLT,Hex, 3/8" - 16 x 2", Gr 5

1шт.

20

131-463

NUT,3/8"-16

1шт.

21

219-8

LUBE NIPPLE,1/4" - 28 NPTF

1шт.

22

NSS

NOT SOLD SEPARAT

Socket Assy, Includes 23,24

1шт.

23

413-728

BOLT,Hex, 7/16" - 14 x 1-3/4", Gr 5

1шт.

24

232-4117

LOCK NUT,7/16"-14, GC

1шт.

27

495-81074

WASHER,1 1/32" x 1 3/4" x .120"

1шт.

28

425-1914

SLOTTED NUT,7/8"-14, G5, Thk

1шт.

29

432-1028

COTTER PIN,5/32" x 1 3/4"

1шт.

31

1259579C6

ARM

Includes 32

1шт.

32

1259581C1

BUSHING,25.43mm ID x 28.6mm OD x 31.8mm L

2шт.

33

219-17

LUBE NIPPLE,3/16" NPTF

3шт.

34

238-5214

O-RING,0.139" Thk x 0.984" ID, -214, Cl 5, 75 Duro

2шт.

35

71421C1

WASHER

1-1/32 x 1-3/4 x 5/32

1шт.

36

95-81052

WASHER,1.03" ID x 1.75" OD x 0.05" Thk

1шт.

37

1334694C1

PIN,50.8mm OD x 210.05mm L

1шт.

38

38-31624

ROLL PIN,1/4" x 1 1/2", Coiled

1шт.

40

1259582C4

THREADED INSERT

2шт.

41

396-31081

WASHER,20.63mm ID x 38.1mm OD x 5.56mm Thk

2шт.

42

628-20060

SCREW,Hex, M20 x 2.5 x 60mm, Cl 10.9, Full Thd

2шт.

43

353-550

PLUG,Slotted, 1/2"-13

1шт.

Выбрано товаров: 41