Запчасти Case IH MX170 (05-10) - FRONT AXLE (25) - FRONT AXLE SYSTEM

Схема запчастей Case IH MX170 - (05-10) - FRONT AXLE (25) - FRONT AXLE SYSTEM
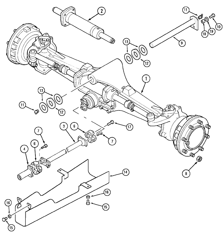
15
12
19
1
9
18
8
6
13
12
17
4
13
16
2
10
7
3
11
15
14
16
11
6
7
FIT
1:1
100%

Артикул

Название

Примечание

Количество

4WD

1шт.

1

257479A1

4WD AXLE ASSY

20.29, Europe Only

1шт.

1

257478A1

AXLE

20.29, N.A. Only

1шт.

2

300173A1

STEERING CYLINDER

See Page(s) 5-31

1шт.

254592A1

DRIVE SHAFT

Consists Of 3 - 7

1шт.

3

254593A1

DRIVE SHAFT

1шт.

4

254594A1

YOKE

1шт.

6

229108A1

U-JOINT SPIDER

2шт.

7

827-10040

BOLT,Hex, M10 x 1.5 x 40mm, Cl 10.9, Full Thd

12шт.

8

98783C1

WHEEL NUT,Wheel, Flg, M20 x 1.5

20шт.

9

181466A4

PIN,50mm OD x 479mm L

1шт.

10

806-12040

BOLT,Hex, M12 x 1.75 x 40mm, Cl 10.9

1шт.

11

219-41

LUBE NIPPLE,65 Degree Elbow, 1/8" - 27 NPTF

2шт.

12

A177855

SEALING WASHER,50.3mm ID x 90mm OD x 4.9mm Thk

2шт.

13

A177854

WASHER,50.3mm ID x 90mm OD x 1.6mm Thk

4шт.

14

283725A2

PROTECTOR

1шт.

15

614-10020

BOLT,Hex, M10 x 1.5 x 20mm, Cl 8.8, Full Thd

4шт.

15

254328A1

SET SCREW

M10 x 25

4шт.

17

514-733

BOLT,Hex, M10 x 1 x 40mm, Cl 10.9, Full Thd

4шт.

18

280011A1

SPACER

1шт.

19

101936C2

WASHER

1шт.

16

895-11010

WASHER,11mm ID x 20mm OD x 2mm Thk

11 x 21 x 2 mm

4шт.

Выбрано товаров: 22