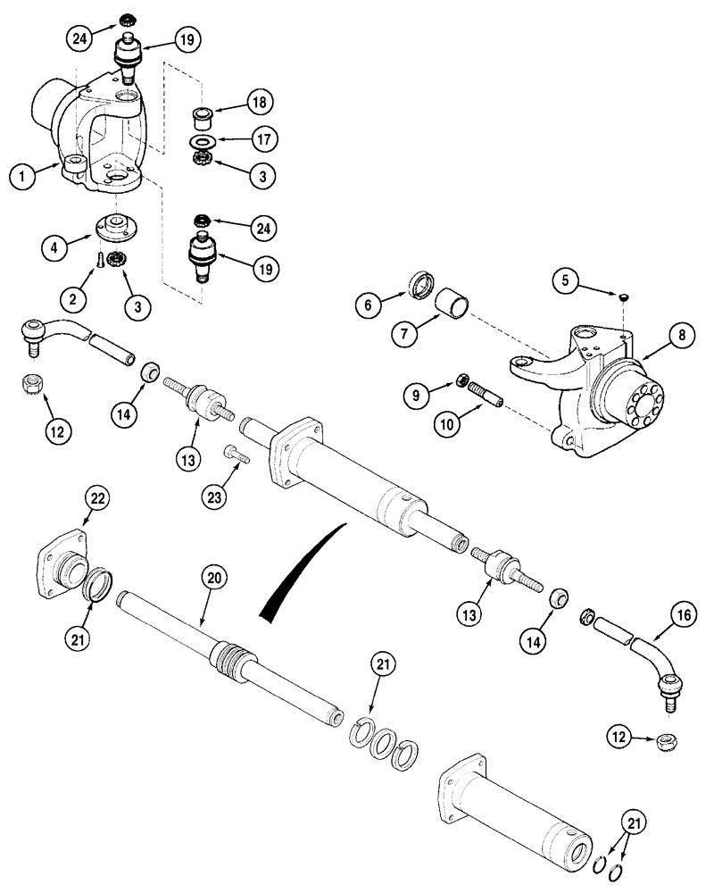
Запчасти Case IH MX170 (05-16) - STEERING CYLINDER AND SWIVEL HOUSINGS (25) - FRONT AXLE SYSTEM

Схема запчастей Case IH MX170 - (05-16) - STEERING CYLINDER AND SWIVEL HOUSINGS (25) - FRONT AXLE SYSTEM
7
10
24
24
8
14
12
21
16
4
23
22
5
3
19
20
18
17
12
19
13
9
3
21
1
6
14
21
13
2
FIT
1:1
100%

Артикул

Название

Примечание

Количество

-

Axle 20:29S, Upped And Lower Ball Joint Mounts Machined Into Castings 1 And 8

1шт.

-

4WD

1шт.

1

1-33-741-719

STUB AXLE/STEERING S

Left, Replaces 406726A1

1шт.

Also Order REF 2, 3, 4, 17, 18, 19 and 24 for Initial Replacement

1шт.

2

5194169

BOLT,Hex Flg, M12 x 33, 12.9

6шт.

3

1-33-741-802

NUT,M22 x 1.5

4шт.

4

1-33-741-718

FLANGE

2шт.

5

247518A1

PLUG

14.5 mm

8шт.

6

406605A1

SEAL

2шт.

7

300166A1

BUSHING

2шт.

8

1-33-741-709

STUB AXLE/STEERING S

Right, Replaces 406717A1

1шт.

Also Order REF 2, 3, 4, 17, 18, 19 and 24 for Initial Replacement

1шт.

9

406729A1

NUT

M27 x 2

2шт.

10

406728A1

BOLT,M27 x 122mm

M27 x 122

2шт.

12

107070A1

LOCK NUT

M20

2шт.

13

311446A1

BALL JOINT

2шт.

14

126143A1

NUT

M24

2шт.

15

406601A1

TIE-ROD

TIE ROD , Left

1шт.

16

406604A1

TIE-ROD

TIE ROD , Right

1шт.

17

1-33-741-714

WASHER

2шт.

18

1-33-741-713

CENTERING RING

2шт.

19

1-33-741-717

BALL JOINT

4шт.

406602A1

STEERING CYLINDER

Consists Of 20 - 23

1шт.

20

311448A1

PISTON ROD

38mm OD, 702mm L, 138mm Cylinder stroke 1/2

1шт.

21

300161A1

SEAL KIT

1шт.

22

406600A1

JACK HEAD

1шт.

23

114296A1

BOLT

M12 x 45

4шт.

24

1-33-741-801

NUT,M27 x 1.5

4шт.

Выбрано товаров: 28