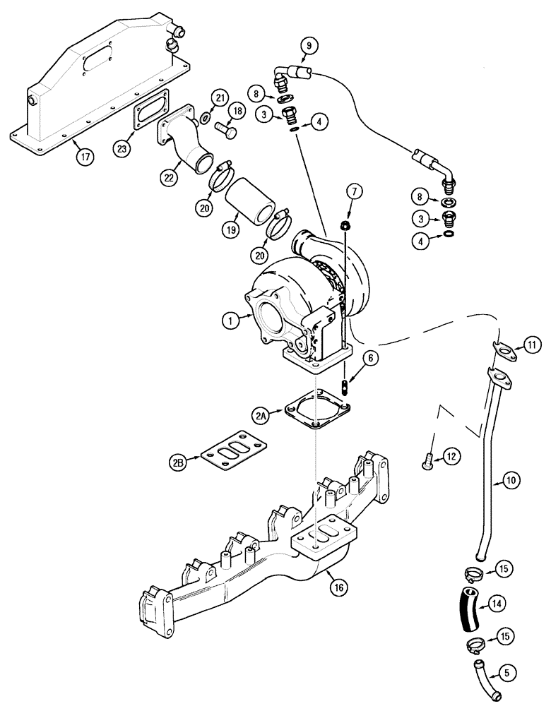
Запчасти Case IH MX170 (02-16) - TURBOCHARGER AND CONNECTIONS (10) - ENGINE

Схема запчастей Case IH MX170 - (02-16) - TURBOCHARGER AND CONNECTIONS (10) - ENGINE
3
21
22
6
2b
4
2a
7
15
19
15
20
8
5
16
10
1
18
4
20
11
12
14
8
17
9
23
3
FIT
1:1
100%

Артикул

Название

Примечание

Количество

1

J802770

TURBOCHARGER

See Fig. 02-17

1шт.

1

JR802770

REMAN-TURBOCHARGER

MX150, MX170

1шт.

1

JC537132

CORE-TURBOCHARGER

Return Number

1шт.

2a

J919369

GASKET,0.5mm Thk

1шт.

2b

J901356

GASKET,0.5mm Thk

1шт.

3

J919687

HYD CONNECTOR

Includes 4

2шт.

4

238-5013

O-RING,0.07" Thk x 0.426" ID, -13, Cl 5, 75 Duro

1шт.

5

J931973

TUBE,0.875" OD

1шт.

6

J818823

STUD

M10 x 42

4шт.

7

J818824

FLANGE NUT

M10

4шт.

8

222-993

GASKET,3/8 Tube, Fl, Copper

2шт.

9

J920603

HOSE

Supply

1шт.

10

J944048

TUBE,0.875" OD

Drain

1шт.

11

J285747

GASKET

1шт.

12

845-8020

BOLT,Hvy Hex, M8 x 20mm, Cl 8.8

2шт.

14

J931970

HOSE,22.22 mm ID x 76.20 mm

1шт.

15

214-1416

HOSE CLAMP,#16, 0.81" - 1.5", Type F Worm

2шт.

16

J931745

MANIFOLD

Exhaust, See Fig. 02-15

1шт.

17

J919806

AFTERCOOLER

1шт.

18

844-8035

BOLT,Hvy Hex, M8 x 35mm, Cl 8.8

4шт.

19

J916165

HOSE

1шт.

20

214-1540

HOSE CLAMP,#40, 2.06" - 3", Type F Worm, W/ Liner

2шт.

21

J918189

SEALING WASHER

4шт.

22

J933288

CONNECTOR, ELEC

CONNECTOR

1шт.

23

J914856

GASKET,1.02mm Thk

7 mm

1шт.

Выбрано товаров: 25