Запчасти Case IH MX80C (02-20) - TURBOCHARGER AND CONNECTIONS (02) - ENGINE

Схема запчастей Case IH MX80C - (02-20) - TURBOCHARGER AND CONNECTIONS (02) - ENGINE
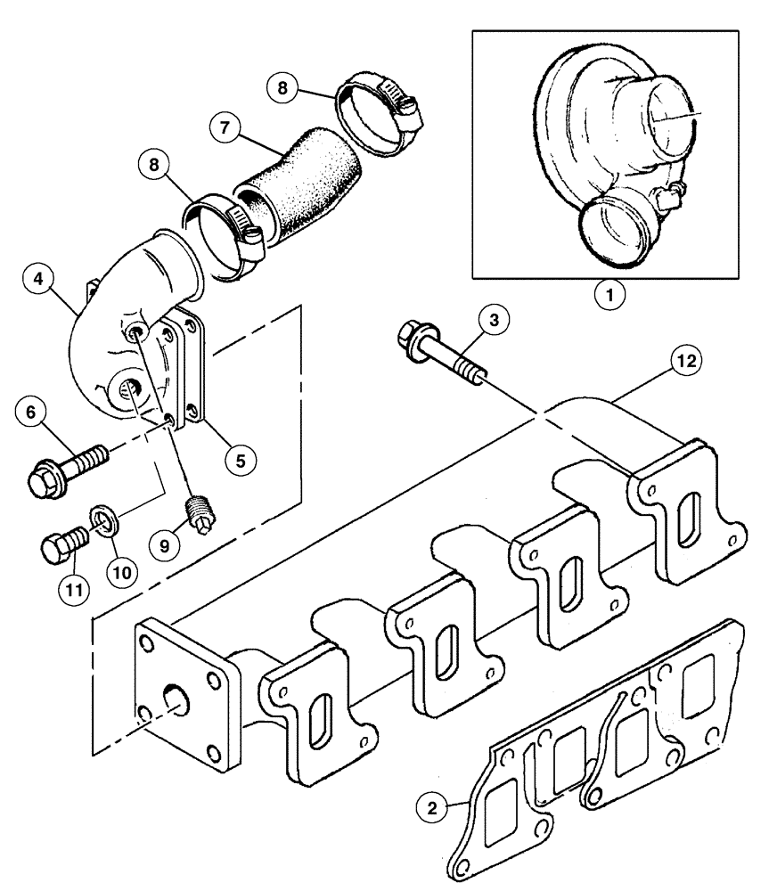
2
3
9
7
11
4
10
1
5
12
6
8
8
FIT
1:1
100%

Артикул

Название

Примечание

Количество

1

293765A1

TURBOCHARGER

MX80C

1шт.

1

293764A1

TURBOCHARGER

MX90C

1шт.

1

293188A1

TURBOCHARGER

MX100C

1шт.

2

442545A1

MANIFOLD GASKET

1шт.

3

308753A1

SCREW

8шт.

4

293193A1

ELBOW

1шт.

5

218550A1

GASKET

1шт.

6

844-8030

BOLT,Hex, M8 x 1.25 x 30mm, Cl 8.8

MX80C, MX90C

4шт.

6

844-8025

BOLT,Hvy Hex, M8 x 25mm, Cl 8.8

MX100C

4шт.

7

336908A1

HOSE

1шт.

8

218770A1

CLAMP

2шт.

9

3118147R1

PLUG

MX80C, MX90C

1шт.

10

E110758

WASHER

1шт.

11

3136229R1

PLUG,7/8" - 14

1шт.

12

293195A1

MANIFOLD

1шт.

Выбрано товаров: 15