Запчасти Case IH MX80C (02-30) - BALANCER (02) - ENGINE

Схема запчастей Case IH MX80C - (02-30) - BALANCER (02) - ENGINE
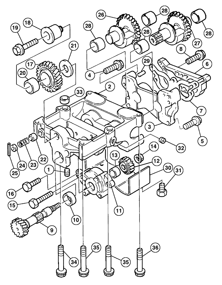
31
26
28
16
14
3
4
19
35
17
33
34
28
28
20
24
5
35
8
7
23
28
12
11
36
2
10
22
18
6
15
9
27
21
25
30
1
29
13
32
FIT
1:1
100%

Артикул

Название

Примечание

Количество

390910A1

BALANCER

consists of: 1 - 32

1шт.

1

293499A1

PLUG

1шт.

2

293180A1

FRAME

Includes: 3, 4, 5

1шт.

3

NSS

NOT SOLD SEPARAT

COVER

2шт.

4

218373A1

SCREW

2шт.

5

844-10035

BOLT,Hex, M10 x 35mm, Cl 8.8

1шт.

6

293164A1

COVER

1шт.

7

293157A1

GASKET

1шт.

8

293016A1

SCREW

4шт.

9

293039A1

SHAFT

1шт.

10

293023A1

BEARING, NEEDLE

1шт.

11

293177A1

PUMP, ENGINE OIL

1шт.

12

293029A1

PINION

1шт.

13

293024A1

BEARING, NEEDLE

1шт.

14

293141A1

NUT

1шт.

15

285433A1

SCREW

2шт.

16

844-8025

BOLT,Hvy Hex, M8 x 25mm, Cl 8.8

1шт.

17

293496A1

PINION

1шт.

18

293503A1

HUB

1шт.

19

293488A1

SCREW

1шт.

20

293491A1

BEARING, NEEDLE

1шт.

21

293501A1

WASHER

1шт.

22

293500A1

PLUNGER ASSY.

1шт.

23

293498A1

SPRING

1шт.

24

293502A1

CAP

1шт.

25

293485A1

PIN

1шт.

26

293494A1

BALANCING WEIGHT

1шт.

27

293495A1

BALANCING WEIGHT

1шт.

28

293490A1

BUSHING

4шт.

29

293483A1

DOWEL

2шт.

30

293509A1

COVER

1шт.

31

293486A1

SCREW

4шт.

32

217811A1

PLUG

1шт.

33

291969A1

BLANK-OFF PLUG

2шт.

34

218422A1

SCREW

1шт.

35

218421A1

SCREW

3шт.

36

844-10065

BOLT,Hvy Hex, M10 x 65mm, Cl 8.8

M10 x 65

2шт.

Выбрано товаров: 37