Запчасти Case IH MX90C (06-07) - TRANSAXLE HOUSING (06) - POWER TRAIN

Схема запчастей Case IH MX90C - (06-07) - TRANSAXLE HOUSING (06) - POWER TRAIN
6
16
15
27
11
28
20
35
19
3
9
1
41
31
17
14
5
18
7
25
21
32
39
16
29
6
36
14
4
24
34
42
30
33
26
23
13
7
8
10
40
22
5
12
2
FIT
1:1
100%

Артикул

Название

Примечание

Количество

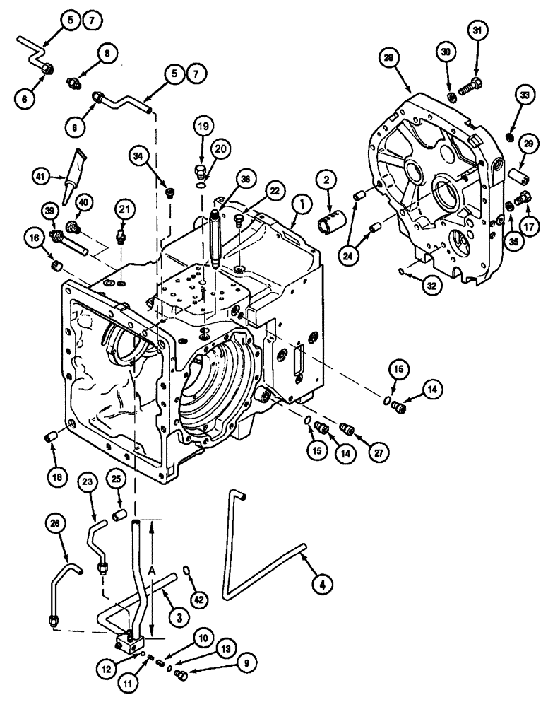
220164A1

HOUSING ASSY.

consists of: 1, 2, 3 - 16

1шт.

346540A1

HOUSING ASSY.

consists of: 1, 2, 3A - 15, 40, 41

1шт.

1

NSS

NOT SOLD SEPARAT

HOUSING

1шт.

2

A183013

BUSHING

SLEEVE

1шт.

3

1341200C1

TUBE

A = 390 mm

1шт.

3a

346924A1

PIPE

A = 430.5 mm

1шт.

4

A183894

TUBE

1шт.

5

A188564

TUBE

Includes: 6, 7

2шт.

6

218-343

TUBE NUT,37 Degree, 9/16"-18, Type B

1шт.

7

218-363

SLEEVE,37 Degree, 3/8" Tube

1шт.

8

218-433

HYD CONNECTOR,9/16" - 18 Male JIC x 9/16" - 18 Male JIC

1шт.

9

1345502C1

PLUG

Includes: 10

1шт.

10

30711R1

ROLL PIN,8mm OD x 20mm L, Slotted

1шт.

11

1345504C1

SPRING

1шт.

12

511-10120

BALL,12mm OD, Gr 28

1шт.

13

237-6008

O-RING,0.087" Thk x 0.644" ID, -908, Cl 6, 90 Duro

1шт.

14

221578A1

PLUG,M18 x 1.5 ORB

Includes 15

2шт.

15

637-63153

O-RING,2.2mm Thk x 15.3mm ID, Cl 6, 90 Duro

1шт.

16

221-847

PLUG,Hex Soc, 1 1/4"-11 1/2

1шт.

17

826-16110

BOLT,Hex, M16 x 2 x 110mm, Cl 10.9

2шт.

18

A175769

DOWEL

2шт.

19

71100209

PLUG,Hex Soc, 3/4"-16 ORB

Incl Ref 20

4шт.

20

237-6008

O-RING,0.087" Thk x 0.644" ID, -908, Cl 6, 90 Duro

1шт.

21

129596A1

BLEEDER

brake, left

1шт.

22

626-10020

BOLT,Hex, M10 x 1.5 x 20mm, Cl 10.9, Full Thd

2шт.

23

A188723

TUBE

1шт.

24

A175944

DOWEL,22.1mm OD x 13.5mm L

2шт.

25

347355A1

SLEEVE

1шт.

26

1345659C2

TUBE,8 mm OD, 173, 65 mm Length

1шт.

27

1960881C1

PLUG

1шт.

28

115707A1

HOUSING

Includes: 29

1шт.

29

A188099

BUSHING

SLEEVE

1шт.

30

A64303

WASHER

1шт.

31

828-16070

BOLT,Hex, M16 x 2 x 70mm, Cl 10.9

1шт.

32

238-5015

O-RING,0.07" Thk x 0.551" ID, -15, Cl 5, 75 Duro

1шт.

33

239-5117

O-RING,Quad, 0.094" Thk x 0.813" ID, Cl 5, 75 Duro

2шт.

34

217-433

PLUG,Hex Soc, 1/4" - 18 NPTF

1шт.

35

896-12016

WASHER,17.5mm ID x 30mm OD x 4mm Thk

2шт.

36

129596A1

BLEEDER

brake, right

1шт.

37

239-5117

O-RING,Quad, 0.094" Thk x 0.813" ID, Cl 5, 75 Duro

1шт.

38

239-5129

O-RING,Square, 0.094" Thk x 1.563" ID, -129, Cl 5, 75 Duro

SEALRING

1шт.

39

536850R1

HEATER

transmission oil, only for N.A. and Scandinavia

1шт.

40

86637727

DRAIN PLUG,Sq Soc, 1 1/4"-11 1/2, NTPF

1-1/4 in, in place of 536850R1

1шт.

41

345-166

LOCTITE

545 (1 ml)

1шт.

42

239-5129

O-RING,Square, 0.094" Thk x 1.563" ID, -129, Cl 5, 75 Duro

SEALRING

1шт.

Выбрано товаров: 45