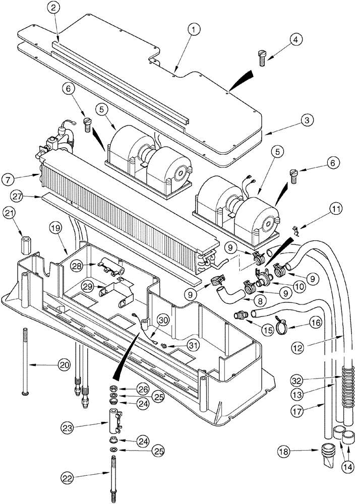
Запчасти Case IH MX90C (09-32) - HEATER AND AIR CONDITIONING (09) - CHASSIS

Схема запчастей Case IH MX90C - (09-32) - HEATER AND AIR CONDITIONING (09) - CHASSIS
24
9
22
18
20
1
11
19
10
21
3
16
9
6
15
5
7
31
24
12
23
14
28
5
8
4
9
25
25
2
29
17
9
30
6
27
13
32
26
FIT
1:1
100%

Артикул

Название

Примечание

Количество

1

181063A3

COVER

1шт.

2

236759A2

WINDGUARD,927.1mm L

1шт.

3

222494A2

GASKET,3.2mm Thk

1шт.

4

840-2410

SCREW,Pozidrive, Pan HD, M4 x 10mm, Cl 4.8

4.8

13шт.

5

178454A2

BLOWER ASSY.

2шт.

178454A2R

REMAN-BLOWER

MX80C, MX90C, MX100C ALL (1/98-)

2шт.

178454A2C

CORE-BLOWER

Return Number

1шт.

6

758-1

SELF-TAP SCREW,Pan Hd, M4.2 x 16

12шт.

7

251389A1

RADIATOR

1шт.

8

181072A1

HOSE,15.50 mm ID

1шт.

9

1954736C1

HOSE CLAMP,#24

4шт.

10

1331087C1

HEATER VALVE

1шт.

11

1954626C1

SPRING CLIP

1шт.

12

181071A1

LARGE HOSE,15.50 mm ID x 3130.00 mm

HOSE,LARGE Cut from 97252CX

1шт.

13

1954494C1

HEATER HOSE,15.50 mm ID x 4267.00 mm

Cut from 97252CX

1шт.

14

353-13

PLUG,Cap, .728" OD

2шт.

15

1250522C3

FITTING

2шт.

16

22-824

CABLE TIE,3/16" x 7 1/4"

CABLE STRAP

3шт.

17

222647A1

HOSE,12.95 mm ID x 2880.00 mm

2880 mm, cut from 198091C1

2шт.

18

109239C2

CHECK VALVE

2шт.

19

181061A4

CASE

1шт.

20

222384A2

CARRIAGE BOLT

M8 x 235

2шт.

21

307164A1

SPACER

8 mm

2шт.

22

236817A1

STUD

1шт.

23

307153A1

RESISTOR

1шт.

24

307154A1

WASHER

center

2шт.

25

307155A1

WASHER

2шт.

26

829-1406

NUT,Hex, M6 x 1, Cl 10.9

1шт.

27

255538A1

GASKET

1шт.

248-21110

GROMMET,1" ID x 1 3/8" Groove Dia

1 in, not illustrated

1шт.

359671A1

RESISTOR

Includes: 28, 29

1шт.

28

359504A1

RESISTOR

if so equipped

1шт.

29

359669A1

HOLDER

if so equipped

1шт.

30

236864A2

HARNESS,500mm L

1шт.

356593A1

REPAIR KIT

Includes: 31

1шт.

31

355956A1

DIODE

1шт.

32

294170A1

SPRING

2шт.

97252CX

HOSE

15240 mm, bulk length

1шт.

198091C1

HOSE,12.95mm ID x 15240mm L

15240 mm, bulk length

1шт.

Выбрано товаров: 39