Запчасти Case IH MX90C (09-35) - HEATER CONTROLS, CONTROL (09) - CHASSIS

Схема запчастей Case IH MX90C - (09-35) - HEATER CONTROLS, CONTROL (09) - CHASSIS
6
3
7
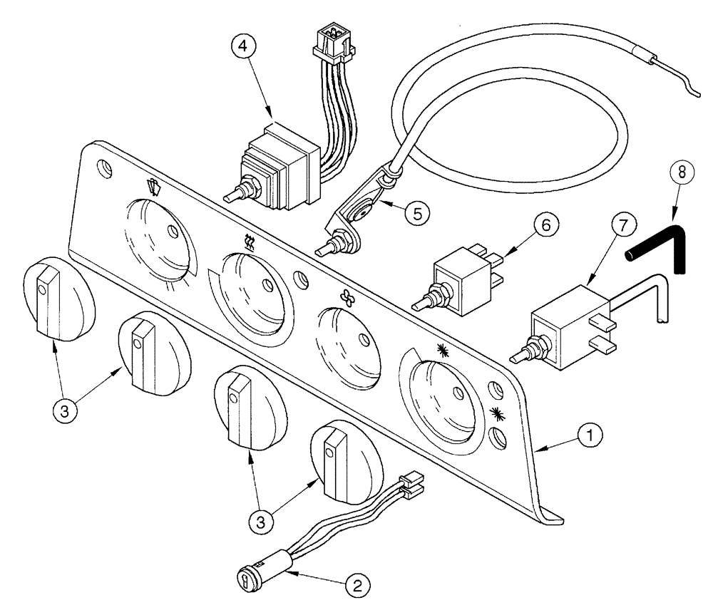
1
5
3
2
8
4
FIT
1:1
100%

Артикул

Название

Примечание

Количество

222388A3

PANEL ASSY.

heater, with air conditioning, consists of: 1 - 7

1шт.

1

222482A3

PANEL

1шт.

2

1964672C1

LIGHT

14V, amber, pressure

1шт.

3

96893C1

KNOB

4шт.

4

228111A1

SWITCH

windshield wiper front, 3 position

1шт.

4a

357662A1

WINDSHIELD WIPER SWI

windshield wiper front, intermittent

1шт.

5

251192A1

CONTROL,696.8mm L

1шт.

6

168822C2

SWITCH

blower, 1-1/16 in square, If Equipped

1шт.

6

403129A1

BLOWER SWITCH

blower, 1-1/2 in square, If Equipped

1шт.

7

92101C1

SWITCH

thermostat

1шт.

8

236866A1

TUBE

1шт.

Выбрано товаров: 0