Запчасти Case IH MX90C (09-75) - TRAILER HITCH, TRIMA, FOR SCANDINAVIA (09) - CHASSIS

Схема запчастей Case IH MX90C - (09-75) - TRAILER HITCH, TRIMA, FOR SCANDINAVIA (09) - CHASSIS
54
33
42
66
1
13
15
66
64
19
25
27
65
3
50
19
6
12
8
44
39
51
9
62
64
49
57
45
7
63
12
34
36
63
68
34
17
60
55
52
26
29
53
64
41
11
4
37
16
20
43
32
14
24
30
61
33
18
10
40
11
17
23
5
13
28
26
48
38
64
16
46
31
35
21
58
2
18
56
14
62
69
59
31
32
70
67
47
22
15
FIT
1:1
100%

Артикул

Название

Примечание

Количество

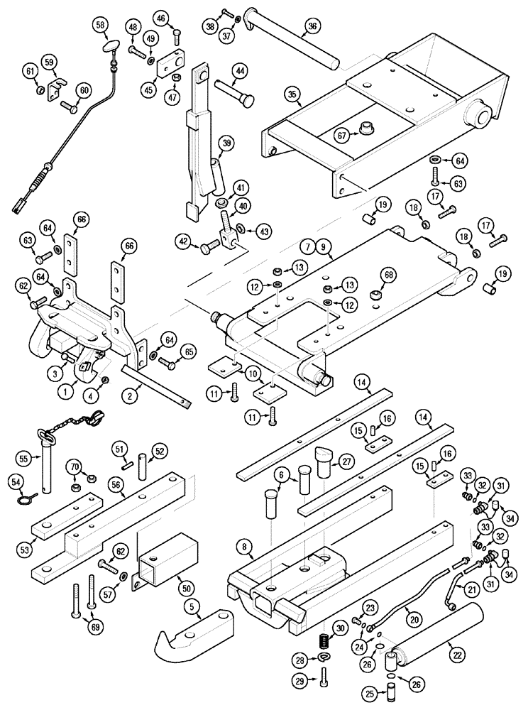
1

280087A1

FRAME, HITCH

Includes: 2 - 4

1шт.

2

282244A1

TORSION SPRING

6шт.

3

814-8045

BOLT,Hex, M8 x 1.25 x 45mm, Cl 8.8

1шт.

4

832-10408

NUT,M8 x 1.25, Cl 8.8

1шт.

280089A1

FRAME, HITCH

Includes: 5 - 38

1шт.

5

282245A1

HOOK

1шт.

6

282246A1

HITCH PIN,25mm OD x 97mm L

2шт.

7

282247A1

FRAME, HITCH

Includes: 8 - 34

1шт.

8

282256A1

FRAME, HITCH

telescopic

1шт.

9

282258A1

FRAME, HITCH

lower

1шт.

10

282287A1

SUPPORT

upper, rear

2шт.

11

614-8020

BOLT,Hex, M8 x 1.25 x 20mm

4шт.

12

895-11008

WASHER,9mm ID x 16mm OD x 1.6mm Thk

4шт.

13

829-1408

NUT,Hex, M8 x 1.25, Cl 10.9

4шт.

14

282288A1

ANTI-SKID STRIP

lower

2шт.

15

282289A1

PAD

upper front

2шт.

16

282290A1

HITCH PIN,8mm OD x 10mm L

4шт.

17

614-16035

BOLT,Hex, M16 x 2 x 35mm, Cl 8.8, Full Thd

2шт.

18

829-1416

NUT,M16, Cl 10

2шт.

19

282291A1

BUSHING,30.07mm ID x 38mm OD x 25mm L

2шт.

20

282292A1

HYDRAULIC HOSE,2400.00 mm

1шт.

21

282293A1

HOSE ASSY.

2000 mm

1шт.

22

295897A1

CYLINDER ASSY.

telescopic, see Figure 8-14

1шт.

23

283453A1

BANJO BOLT

M18

1шт.

24

638-53180

O-RING,18mm ID x 2.65mm Width

2шт.

25

282313A1

HITCH PIN

1шт.

26

800-1125

SNAP RING,M25, Ext

2шт.

27

282314A1

HITCH PIN,50mm OD x 100mm L

1шт.

28

282315A1

LOCK WASHER,9mm ID x 40mm OD x 11mm Thk

1шт.

29

863-8030

HEX SOC SCREW,M8 x 30mm, Cl 12.9

1шт.

30

282318A1

SPRING

1шт.

31

283454A1

ELBOW

2шт.

32

238-5116

O-RING,0.103" Thk x 0.75" ID, -116, Cl 5, 75 Duro

2шт.

33

1272770C2

COUPLING, BREAK AWAY

2шт.

34

T40759

PLUG

2шт.

35

282248A1

FRAME, HITCH

upper

1шт.

36

282250A1

HITCH PIN

with shaft

1шт.

37

895-11008

WASHER,9mm ID x 16mm OD x 1.6mm Thk

1шт.

38

627-8020

BOLT,Hex, M8 x 1.25 x 20mm, Cl 10.9, Full Thd

1шт.

280092A1

LOWER LINK

right, consists of: 39 - 41

1шт.

280093A1

LOWER LINK

left, consists of: 39 - 41

1шт.

39

NSS

NOT SOLD SEPARAT

LINK

1шт.

40

283470A1

ROD, ADJUSTMENT,1"

ROD, ADJUSTING

1шт.

41

425-1016

NUT,1"-8, G5

1шт.

42

614-6050

BOLT,Hex, M6 x 1 x 50mm, Cl 8.8, Full Thd

2шт.

43

832-10406

NUT,M6 x 1, Cl 8

2шт.

44

280094A1

HITCH PIN,32mm OD x 178mm L

2шт.

45

280095A2

PLATE

2шт.

46

864-8055

HEX SOC SCREW,M8 x 55mm, Cl 8.8

M8 x 50; 8.8

2шт.

47

825-5148

SERRATED NUT,M8, Flg Ser

2шт.

49

896-11008

WASHER,9mm ID x 17mm OD x 2mm Thk

9 x 17 x 2 mm

2шт.

280099A1

DRAWBAR SUPPORT

consists of: 50 - 56

1шт.

50

283477A1

DRAWBAR

1шт.

283480A1

HITCH PIN

Includes: 51, 52

1шт.

51

838-4840

LOCK PIN,M8 x 40, Slotted

1шт.

52

283480A1

HITCH PIN

1шт.

53

283476A1

PLATE

1шт.

54

1348064C1

LINCH PIN

1шт.

48

627-8030

BOLT,Hex, M8 x 1.25 x 30mm, Cl 10.9, Full Thd

2шт.

55

1974215C3

HITCH PIN,40mm OD x 185mm L

1шт.

56

283475A1

DRAWBAR

1шт.

57

896-11020

WASHER,22mm ID x 37mm OD x 4mm Thk

22 x 37 x 4 mm

2шт.

58

293020A4

CABLE ASSY.

1шт.

59

278176A1

SUPPORT

1шт.

60

614-6020

BOLT,Hex, M6 x 1 x 20mm, Cl 8.8, Full Thd

2шт.

61

829-1406

NUT,Hex, M6 x 1, Cl 10.9

2шт.

62

627-20040

BOLT,Hex, M20 x 2.5 x 40mm, Cl 10.9, Full Thd

2шт.

62

828-16065

BOLT,Hex, M16 x 2 x 65mm, Cl 10.9

4шт.

63

828-16045

BOLT,Hex, M16 x 2 x 45mm, Cl 10.9

M16 x 45; 10.9

4шт.

64

896-12016

WASHER,17.5mm ID x 30mm OD x 4mm Thk

14шт.

65

628-16040

BOLT,Hex, M16 x 2 x 40mm, Cl 10.9, Full Thd

4шт.

66

280088A1

PLATE

2шт.

67

280090A1

HITCH PIN

2шт.

68

280091A1

HITCH DAMPER

2шт.

69

827-16140

BOLT,Hex, M16 x 2 x 140mm, Cl 10.9

2шт.

70

825-51416

FLANGE NUT,Flg, M16, Serr

2шт.

Выбрано товаров: 76