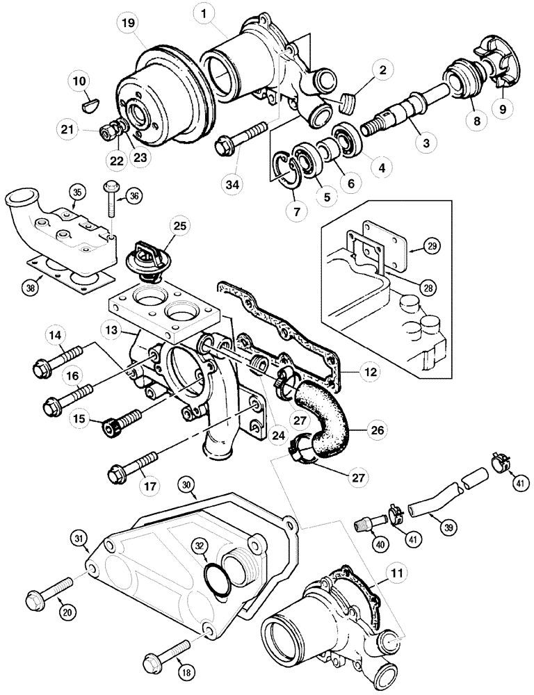
Запчасти Case IH MX90C (02-17) - WATER PUMP SYSTEM (02) - ENGINE

Схема запчастей Case IH MX90C - (02-17) - WATER PUMP SYSTEM (02) - ENGINE
12
3
27
29
23
36
6
30
38
7
2
8
41
26
11
14
13
20
21
4
1
25
28
24
9
32
39
16
41
31
10
15
17
18
22
40
19
5
35
34
27
FIT
1:1
100%

Артикул

Название

Примечание

Количество

311781A1

PUMP, WATER

consists of: 1 - 9

1шт.

311781A1R

REMAN-WATER PUMP

MX80C, MX90C, MX100C

1шт.

311781A1C

CORE-WATER PUMP

Return Number

1шт.

311785A1

PACKAGE, REPAIR

consists of: 3 - 9

1шт.

1

NSS

NOT SOLD SEPARAT

BODY

1шт.

2

217-439

PLUG,Hex Soc, 1/2" - 14 NPTF

1шт.

3

NSS

NOT SOLD SEPARAT

SHAFT

1шт.

4

NSS

NOT SOLD SEPARAT

BEARING, ball

1шт.

5

NSS

NOT SOLD SEPARAT

BEARING, ball

1шт.

6

NSS

NOT SOLD SEPARAT

SPACER

1шт.

7

NSS

NOT SOLD SEPARAT

RING, retaining

1шт.

8

NSS

NOT SOLD SEPARAT

SEAL

1шт.

9

NSS

NOT SOLD SEPARAT

IMPELLER

1шт.

10

126-12

WOODRUFF KEY,#6, 5/32" x 5/8"

1шт.

11

311782A1

GASKET

1шт.

12

315991A1

SEAL

1шт.

13

311783A1

HOUSING

1шт.

14

217919A1

SCREW,Hex Flg, M10 x 25mm

2шт.

15

297778A1

SCREW

2шт.

16

218373A1

SCREW

2шт.

17

293517A1

SCREW

1шт.

18

218652A1

SCREW

2шт.

19

313806A1

PULLEY

1шт.

20

313797A1

SCREW

2шт.

21

425-1110

NUT,5/8"-18, G5

1шт.

22

281655A1

WASHER

1шт.

23

3115512R1

WASHER

1шт.

24

217-439

PLUG,Hex Soc, 1/2" - 14 NPTF

1шт.

25

218039A1

THERMOSTAT

2шт.

26

293143A1

HOSE

1шт.

27

295958A1

CLIP,ELECTRICAL

2шт.

28

293191A1

GASKET

1шт.

29

297779A1

COVER

1шт.

30

386347A1

SEAL

1шт.

31

313796A1

LARGE PLATE

PLATE, LARGE

1шт.

32

313798A1

O-RING

1шт.

34

218363A1

SCREW

4шт.

35

311786A1

OUTLET

1шт.

36

295808A1

SCREW

6шт.

38

218548A1

GASKET

1шт.

39

293922A1

LARGE HOSE,408.00 mm, SAE 20R4 Class D1 or SAE J20R4 Class E

HOSE,LARGE

1шт.

40

217-153

FITTING,5/8" Hose Barb x 1/2" Male NPTF

1шт.

41

214-1410

HOSE CLAMP,#10, 0.56" - 1.06", Type F Worm

2шт.

Выбрано товаров: 43