Запчасти Case IH MX90C (02-32) - OIL PAN (02) - ENGINE

Схема запчастей Case IH MX90C - (02-32) - OIL PAN (02) - ENGINE
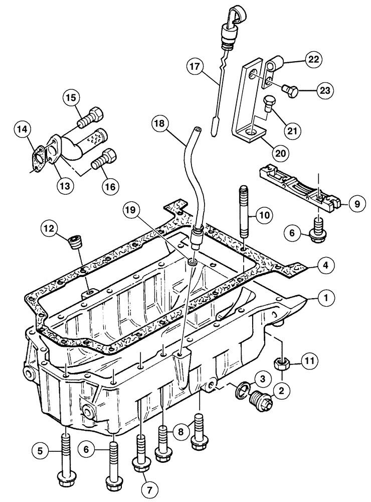
21
4
17
10
7
1
18
23
13
8
20
12
11
6
14
15
5
6
16
19
3
9
2
22
FIT
1:1
100%

Артикул

Название

Примечание

Количество

1

293162A1

ENGINE OIL PAN

1шт.

2

218386A1

PLUG

2шт.

3

218387A1

O-RING

2шт.

4

291981A1

GASKET

1шт.

5

281607A1

FLANGE BOLT

5шт.

6

862-6020

HEX SOC SCREW,M6 x 20mm, Cl 12.9

M6 x 20; 12.9

2шт.

7

316563A1

SCREW

1шт.

8

218038A1

SCREW

12шт.

9

281604A1

SPECIAL CLAMP

1шт.

10

281605A1

STUD

2шт.

11

825-2408

FLANGE NUT,M8 x 1.25, Flg, Cl 8

2шт.

12

218403A1

PLUG

2шт.

13

335770A1

PIPE

suction

1шт.

14

293153A1

GASKET

1шт.

15

285433A1

SCREW

1шт.

16

844-8035

BOLT,Hvy Hex, M8 x 35mm, Cl 8.8

1шт.

17

275189A3

DIPSTICK,485mm L

1шт.

18

275188A1

HYD TUBE,9.6 mm OD, 330, 115 mm Length

1шт.

19

638-52095

O-RING,9.5mm ID x 1.8mm Width

9.5 ID x 1.8

1шт.

20

276295A2

SUPPORT

1шт.

21

844-10020

BOLT,Hvy Hex, M10 x 20mm, Cl 8.8

1шт.

22

515-2195

CLAMP,3/8", Insul, 1/4" Bolt

1/2 x 3/8

1шт.

23

844-6016

BOLT,Hvy Hex, M6 x 16mm, Cl 8.8

1шт.

Выбрано товаров: 23