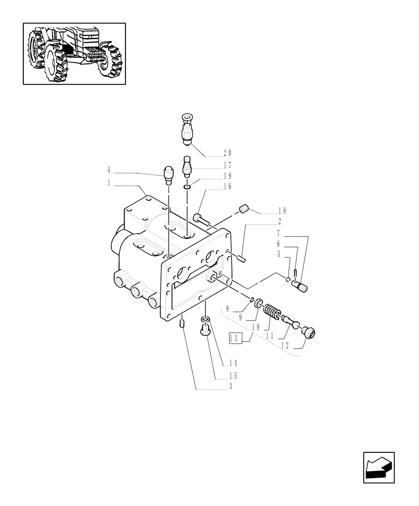
Запчасти Case IH MXM120 (1.32.2/03[01]) - (VAR.272) HI-LO 24X12 (SHUTTLE 40 KM/H) / INTERNAL SHIFTING CONTROLS (03) - TRANSMISSION

Схема запчастей Case IH MXM120 - (1.32.2/03[01]) - (VAR.272) HI-LO 24X12 (SHUTTLE 40 KM/H) / INTERNAL SHIFTING CONTROLS (03) - TRANSMISSION
2
11
5
10
4
16
3
19
9
17
18
12
20
6
1
7
13
14
8
15
FIT
1:1
100%

Артикул

Название

Примечание

Количество

1

5178401

SUPPORT

1шт.

2

10839710

DOWEL,M10 x 15.00mm

M10 x 15

2шт.

3

14326004

PLUG,Hex Socket, M10 x 1.25 x 11.00mm, STL, DAC

M10 x 1.25

7шт.

4

13413290

BREATHER

1шт.

5

20063430

BALL,4.76mm OD, Gr 100

1шт.

6

14158370

LOCK PIN,M2 x 8, Slotted

1шт.

7

5170016

SCREW,M12 x 1.5 x 25mm

M12 x 1.25 x 25

1шт.

8

5165486

CIRCLIP,9mm

1шт.

9

5165438

SHIM,9.1mm ID x 13.5mm OD x 2.5mm Thk

1шт.

10

5165487

SPRING

1шт.

11

5165484

VALVE

1шт.

12

5165488

HYD CONNECTOR,M18 x 1.5, 9 mm L

1шт.

13

5165485

HYDRAULIC VALVE

1шт.

14

4858606

SEAL,10.2mm ID x 16mm OD x 1mm Thk

1шт.

15

11903114

PLUG,M10 x 1.25 x 11

1шт.

16

16204524

BOLT,Hex, M10 x 1.25 x 35mm, Cl 8.8

1шт.

16

11307031

BOLT,Hex, M10 x 1.25 x 40mm, Cl 10.9

1шт.

17

82020683

SWITCH ASSY

Shift Rail Position, Grey, Serial Range: -C5246

4шт.

18

10269404

PLUG,M12 x 1.5

M12 x 1.25

1шт.

19

89617873

O-RING,0.078" Thk x 0.468" ID, -906, Cl 6, 90 Duro

1шт.

20

87369251

SWITCH ASSY

Shift Rail Position, Grey, Start Serial: D5246

2шт.

Выбрано товаров: 21