Запчасти Case IH MXM120 (1.32.2/03[04]) - (VAR.272) HI-LO 24X12 (SHUTTLE 40 KM/H) / CENTRAL REDUCTION GEAR CONTROLS (03) - TRANSMISSION

Схема запчастей Case IH MXM120 - (1.32.2/03[04]) - (VAR.272) HI-LO 24X12 (SHUTTLE 40 KM/H) / CENTRAL REDUCTION GEAR CONTROLS (03) - TRANSMISSION
18
16
5
17
5
1
14
7
16
9
pag.1
11
6
8
16
6
23
10
2
12
10
3
22
13
4
14
19
19
20
10
15
12
3
20
18
9
12
25
5
7
21
4
15
5
10
2
16
21
24
23
FIT
1:1
100%

Артикул

Название

Примечание

Количество

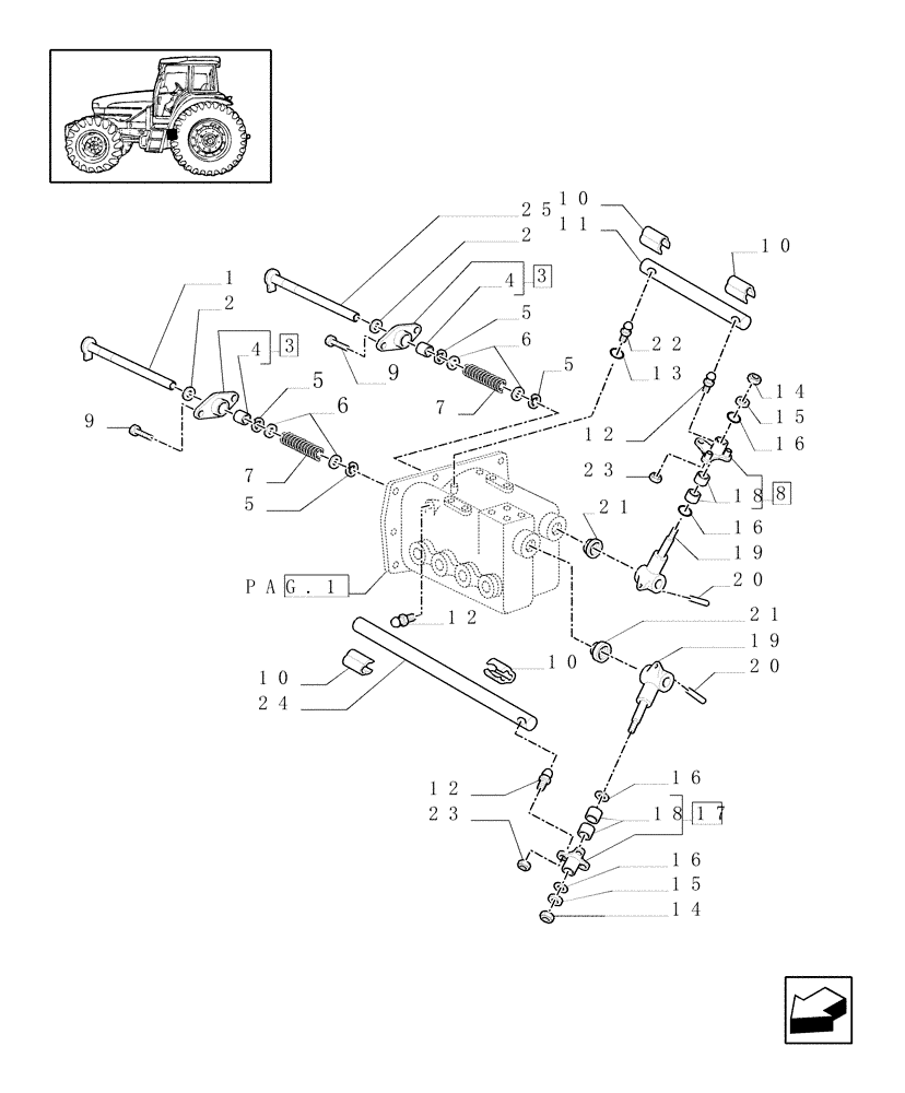
1

5177733

LEVER

1шт.

2

5165590

SPACER

2шт.

3

5165891

SUPPORT

2шт.

4

5167877

BUSHING,24mm ID x 27mm OD x 20mm L

2шт.

5

5165598

CIRCLIP

4шт.

6

5165595

SPACER

4шт.

7

5165594

SPRING

2шт.

8

5177815

LEVER

1шт.

9

16043524

SCREW,Hex, M8 x 1.25 x 22mm, Cl 8.8, Full Thd

4шт.

10

10125574

CLAMP,13mm

4шт.

11

5182619

TIE-ROD

1шт.

12

5166895

BALL STUD,M8

1шт.

13

14437885

O-RING,13.30mm ID x 2.40mm

1шт.

14

16109225

LOCK NUT,M12 x 1.25

2шт.

15

14496721

WASHER,13mm ID x 24mm OD x 2.5mm Thk

2шт.

16

14457281

O-RING,0.612" ID x 0.103" Width

4шт.

17

5177814

LEVER

2шт.

18

5165609

BUSHING,16.04mm ID x 18mm OD x 15mm L

4шт.

19

5170465

HUB

2шт.

20

14610270

LOCK PIN,M10 x 45, Slotted

2шт.

21

5165599

GASKET,24mm ID x 35mm OD x 9mm Thk

24 x 35 x 9

2шт.

22

5178385

PIN,12mm OD x 38mm L

1шт.

23

16102311

THIN NUT,Thin, M8 x 1.25, Cl 04

2шт.

24

5182617

TIE-ROD

1шт.

25

5177730

SHIFT RAIL

1шт.

Выбрано товаров: 25