Запчасти Case IH MXM120 (1.32.8/03[01]) - (VAR.272) HI-LO 24X12 (SHUTTLE 40 KM/H) / LUBRICATION PIPING (03) - TRANSMISSION

Схема запчастей Case IH MXM120 - (1.32.8/03[01]) - (VAR.272) HI-LO 24X12 (SHUTTLE 40 KM/H) / LUBRICATION PIPING (03) - TRANSMISSION
1.32.8
2
4
1
13
6
12
17
7
14
5
2
11
20
15
16
1.32.2/3
1.40.0/8
1.40.0/5
19
4
4
5
8
10
18
3
1
9
FIT
1:1
100%

Артикул

Название

Примечание

Количество

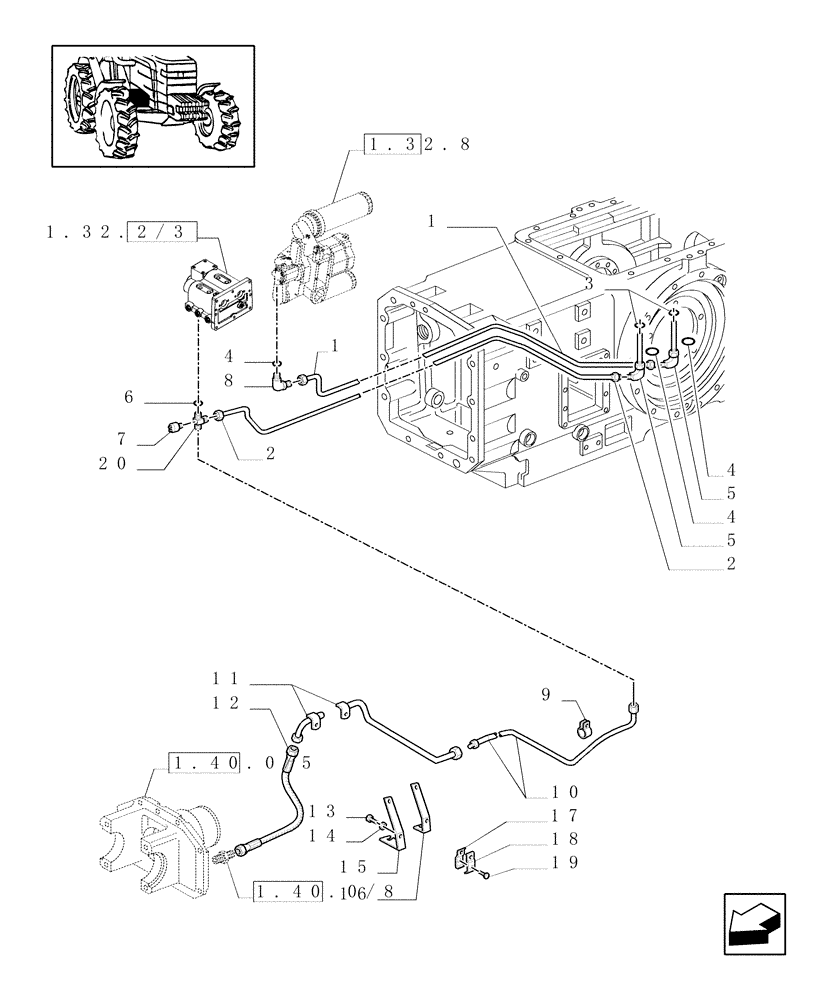
1

5169650

HYD TUBE

1шт.

2

5169168

HYD TUBE

1шт.

3

5103230

O-RING,2.62mm Thk x 11.91mm ID

2.62 x 11.91

2шт.

4

14437985

O-RING,15.3mm ID x 2.4mm

3шт.

5

5154687

ELBOW

147 mm Tube

2шт.

6

14437885

O-RING,13.30mm ID x 2.40mm

1шт.

7

82008236

SWITCH ASSY

Trans. Oil, 51 mm L.

1шт.

8

5155452

ELBOW

1шт.

9

83925873

CLIP,M13, M15 Bolt

1шт.

10

82006200

HYD TUBE,12 mm OD, 104 mm Length

1шт.

11

87305938

HYD TUBE

1шт.

12

87309802

FLEXIBLE HOSE

1шт.

13

10902224

SCREW,Hex, M6 x 16mm, Cl 8.8, Full Thd

2шт.

14

17094714

LOCK WASHER,M6 x 13

2шт.

15

82003024

BRACKET

1шт.

16

82003023

BRACKET

1шт.

17

5156381

CLAMP

1шт.

18

5156380

CLAMP

1шт.

19

10902624

SCREW,Hex, M6 x 25mm, Cl 8.8, Full Thd

2шт.

20

5170941

TEE

1шт.

Выбрано товаров: 20