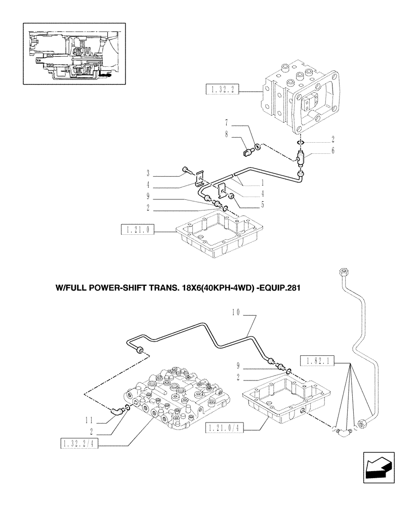
Запчасти Case IH MXM130 (1.33.3[05]) - START HYDRAULIC CLUTCH (4WD) (04) - FRONT AXLE & STEERING

Схема запчастей Case IH MXM130 - (1.33.3[05]) - START HYDRAULIC CLUTCH (4WD) (04) - FRONT AXLE & STEERING
7
2
9
3
1
2
9
1.32.2
1.32.2/4
1.82.1
1.21.0/4
1.21.0
2
10
8
4
4
2
6
11
5
FIT
1:1
100%

Артикул

Название

Примечание

Количество

1

5169273

HYD TUBE

1шт.

W/Semi Power Shift Trans. 17 x 6 (JAPAN) Equip. 084

1шт.

2

14437985

O-RING,15.3mm ID x 2.4mm

1шт.

3

10902624

SCREW,Hex, M6 x 25mm, Cl 8.8, Full Thd

1шт.

4

5156399

CLAMP

2шт.

5

15896221

NUT,Hex, M6, 5.20mm High, Cl 10

1шт.

6

5169272

HYD CONNECTOR

1шт.

7

2854292

SEALING WASHER,12mm ID x 17mm OD x 1.5mm Thk

1шт.

8

82031395

SWITCH ASSY

Trans. Oil

1шт.

9

5158805

HYD CONNECTOR,7/8-14 UNF, M18 x 1.5

1шт.

10

5175485

HYD TUBE

1шт.

W/Full Power Shift Trans. 18 x 6 (40KPH 4WD) Equip. 281

1шт.

W/Full Power Shift Trans. 17 x 6 (JAPAN) Equip. 085

1шт.

11

5155452

ELBOW

1шт.

W/Full Power Shift Trans. 18 x 6 (40KPH 4WD) Equip. 281

1шт.

W/Semi Power Shift Trans. 17 x 6 (JAPAN) Equip. 084 or W/Full Power Shift Trans. 17 x 6 (JAPAN) Equip. 085

1шт.

Выбрано товаров: 16