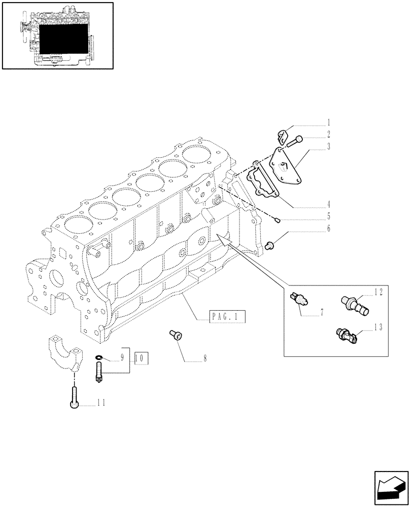
Запчасти Case IH MXM130 (0.04.0[02]) - CYLINDER BLOCK & RELATED PARTS (01) - ENGINE

Схема запчастей Case IH MXM130 - (0.04.0[02]) - CYLINDER BLOCK & RELATED PARTS (01) - ENGINE
3
pag.1
5
8
12
4
2
6
11
7
9
1
10
13
FIT
1:1
100%

Артикул

Название

Примечание

Количество

1

81822024

CLIP

1шт.

2

83925618

FLANGE BOLT,Hex, 3/8" - 16 x 3/4", Gr 5

HS, G8, 3/8"-16 x 5/8"

4шт.

3

81876726

COVER

1шт.

4

81822547

GASKET,1.52mm Thk

1шт.

5

82851791

PLUG

1шт.

6

82851792

PLUG

HS, 1/2"-14 x .42"

1шт.

7

82028130

PRESSURE SWITCH

Oil, Pressure, MXM120, MXM130, MXM140, MXM155, MXM175, MXM190

1шт.

W/Analog Instrument

1шт.

7

87344173

SENDER UNIT

Oil, Pressure, MXM175, MXM190

1шт.

W/Digital Instrument

1шт.

8

87800929

PLUG

1шт.

9

83958242

O-RING,0.156" ID x 0.07" Width

.156" ID x .070" Thk

6шт.

10

81879050

LUBE OIL NOZZLE

LUBE OIL JET NOZZLE

6шт.

11

87802279

BOLT,9/16" - 12 x 4-3/4"

14шт.

12

87564684

SWITCH ASSY

Oil

1шт.

W/Digital Instrument

1шт.

13

87745843

PRESSURE SWITCH

1шт.

Valid for VAR.747 with models MXM120, MXM130, MXM155; Valid for STD version with models MXM175, MXM190

1шт.

Выбрано товаров: 18