Запчасти Case IH MXM140 (1.82.1/01[02]) - MECHANICAL GEAR BOX 20X16 (40 KM/H) /MECHANICALLY CONTROLLED HYDRAULIC LIFT (OPEN CENTRE) (07) - HYDRAULIC SYSTEM

Схема запчастей Case IH MXM140 - (1.82.1/01[02]) - MECHANICAL GEAR BOX 20X16 (40 KM/H) /MECHANICALLY CONTROLLED HYDRAULIC LIFT (OPEN CENTRE) (07) - HYDRAULIC SYSTEM
11
15
8
2
3
1.82.8
1.32.8/1
1.82.8
pag. 1
5
22
9
16
21
4
1
17
10
20
19
18
7
12
6
14
13
FIT
1:1
100%

Артикул

Название

Примечание

Количество

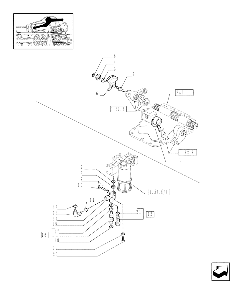
1

5171150

RING

1шт.

2

5150139

SCREW

1шт.

3

12644304

WASHER,10.2mm ID x 35mm OD x 3mm Thk

1шт.

4

5104907

KNOB

1шт.

5

11065676

SNAP RING,M8, Ext

1шт.

6

5152460

SECTOR

TOOTHED SECTOR

1шт.

7

5146468

O-RING,0.103" Thk x 0.549" ID, -113, Cl 5, 75 Duro

1шт.

8

44015841

BACK-UP RING,19mm ID x 20mm OD x 2.05mm Thk

1шт.

9

14462880

O-RING,0.139" Thk x 0.734" ID, -210, Cl 5, 75 Duro

2шт.

10

5153789

HYD TUBE

1шт.

11

14438085

O-RING,19.3mm ID x 2.4mm

1шт.

12

5185513

O-RING,1.78mm Thk x 18.77mm ID, 85 Duro

1шт.

13

5185042

ELBOW

1шт.

14

5153790

HYD CONNECTOR

1шт.

15

10263360

SEAL,20.3mm ID x 26mm OD x 1mm Thk

1шт.

16

5011763

VALVE PRESSURE RELIE

, Serial Range: -C4810

1шт.

17

5135738

O-RING,0.103" Thk x 0.674" ID, -115, 80 Duro

, Serial Range: -C4810

1шт.

18

14453981

O-RING,0.989" ID x 0.07" Width

, Serial Range: -C4810

1шт.

19

86517328

LOCK WASHER,6.1mm ID x 11.8mm OD x 1.7mm Thk

3шт.

20

10903624

BOLT,Hex, M6 x 50mm, Cl 8.8

3шт.

21

14453981

O-RING,0.989" ID x 0.07" Width

, Start Serial: D4810

1шт.

22

47128782

VALVE PRESSURE RELIE

Incl. 21, Start Serial: D4810

1шт.

Выбрано товаров: 0