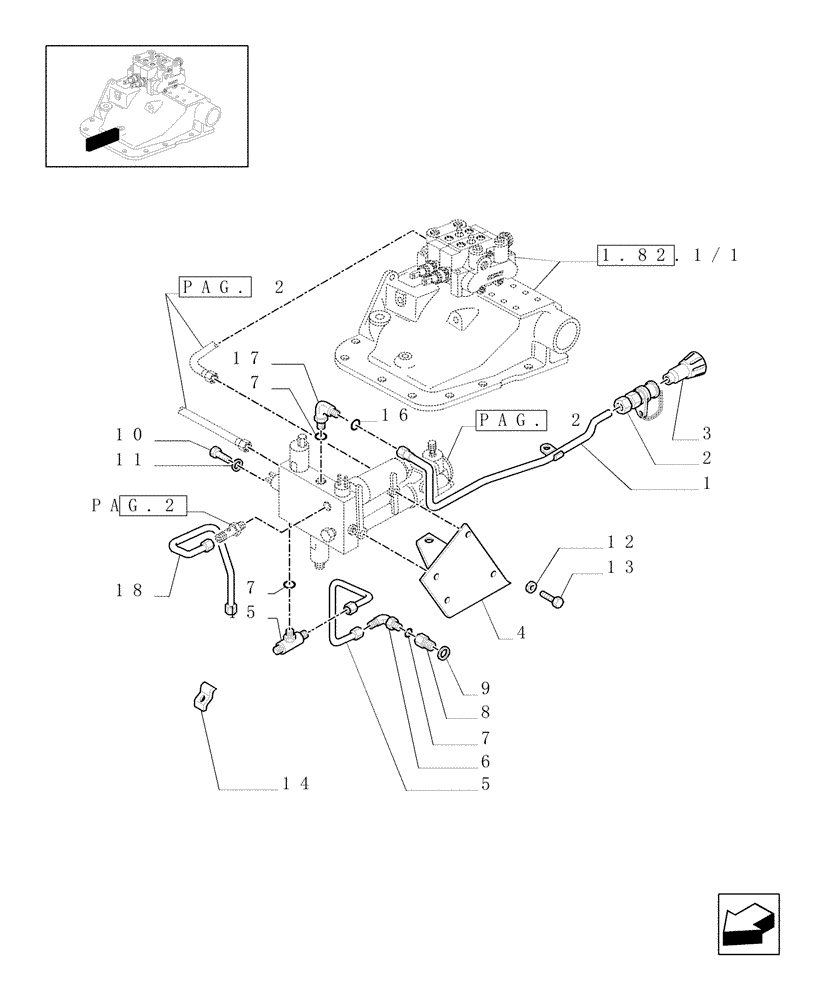
Запчасти Case IH MXM140 (1.82.713/01[01]) - (VAR.372) TRAILER BRAKE VALVE FOR OPEN CENTRE (ITALY) (07) - HYDRAULIC SYSTEM

Схема запчастей Case IH MXM140 - (1.82.713/01[01]) - (VAR.372) TRAILER BRAKE VALVE FOR OPEN CENTRE (ITALY) (07) - HYDRAULIC SYSTEM
14
11
pag. 2
13
1.82.1/1
pag.2
4
15
3
7
5
12
2
9
17
18
6
pag. 2
1
16
10
7
8
7
FIT
1:1
100%

Артикул

Название

Примечание

Количество

1

5185387

HYD TUBE

1шт.

2

44015354

QUICK MALE COUPLING

1шт.

3

62775076

QUICK MALE COUPLING

1шт.

4

82001647

BRACKET

1шт.

5

44909673

HYD TUBE

1шт.

6

5157557

ELBOW

1шт.

7

14437985

O-RING,15.3mm ID x 2.4mm

4шт.

8

5157973

SPACER

1шт.

9

10263460

SEAL,22.3mm ID x 28mm OD x 1.5mm Thk

1шт.

10

16044321

BOLT,M8 x 1.25 x 55mm, Cl 8.8

2шт.

11

11193874

BELLEVILLE WASHER,M8 Bolt Size x 16mm OD x 1.4mm Thk

2шт.

12

11194174

BELLEVILLE WASHER,M14 Bolt Size x 27mm OD x 3mm Thk

2шт.

13

15971521

SCREW,Hex, M10 x 1.25 x 85mm, Cl 8.8

2шт.

14

5156374

CLAMP

1шт.

15

5161315

3 WAY CONNECTION

1шт.

16

5185511

O-RING,1.78mm Thk x 12.42mm ID, 85 Duro

M12.42 ID x 1.78 Thk

1шт.

17

5185052

90 ELBOW,13/16"-16 x M18 x 1.5

1шт.

18

5185458

HYD TUBE

1шт.

Выбрано товаров: 18