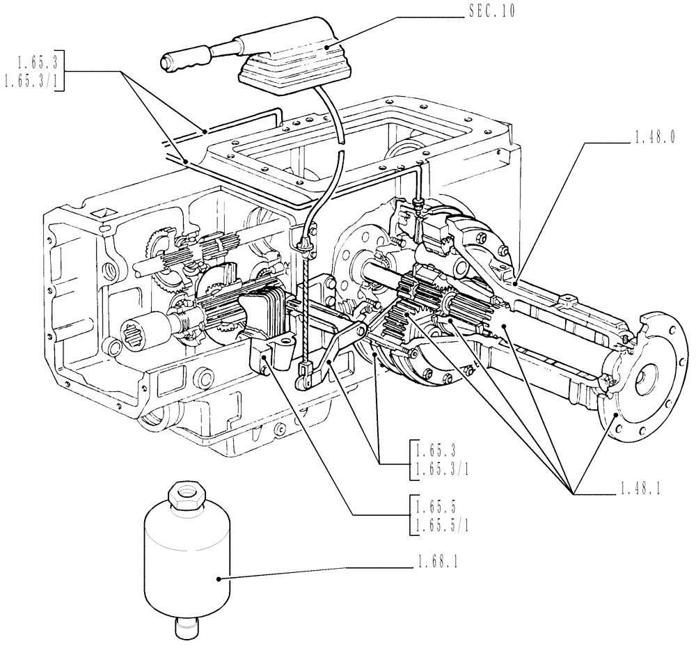
Запчасти Case IH MXM155 (SEC. 05) - REAR AXLE (00) - GENERAL

Схема запчастей Case IH MXM155 - (SEC. 05) - REAR AXLE (00) - GENERAL
sec.10
1.65.3
1.68.1
1.48.0
1.48.1
1.65.3/1
1.65.3
1.65.5/1
1.65.5
1.65.3/1
FIT
1:1
100%