Запчасти Case IH MXM155 (1.65.5[01]) - PARKING BRAKE - C4806 (05) - REAR AXLE

Схема запчастей Case IH MXM155 - (1.65.5[01]) - PARKING BRAKE - C4806 (05) - REAR AXLE
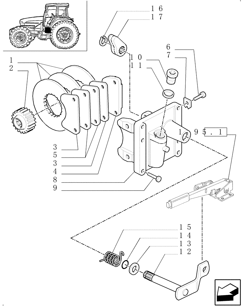
13
16
11
3
5
1.95.1
17
15
7
6
12
2
1
4
10
9
3
14
8
FIT
1:1
100%

Артикул

Название

Примечание

Количество

1

5146036

BRAKE DISC,98mm ID x 180mm OD x 6mm Thk

3шт.

2

5148453

HUB

1шт.

3

5158120

BRAKE PAD,3.1mm Thk

2шт.

4

5144692

SECTOR,10mm Thk

TOOTHED SECTOR

1шт.

5

5158123

BRAKE PAD,4.2mm Thk

2шт.

6

5146091

BOLT,Hex, M14 x 86mm, Cl 8.8

M14 x 1.5 x 86

2шт.

7

14199011

LOCKING PLATE

2шт.

8

5152331

SUPPORT

1шт.

9

16204524

BOLT,Hex, M10 x 1.25 x 35mm, Cl 8.8

6шт.

10

10276140

PLUG,M32 x 1.5 x 15, Brass

1шт.

11

10265060

SEALING WASHER,32.4mm ID x 38mm OD x 1.5mm Thk

1шт.

12

5165906

LEVER

1шт.

13

5101337

WASHER,20.1mm ID x 23.9mm OD x 4mm Thk

1шт.

14

5135739

O-RING,0.737" ID x 0.943" OD x 0.103"

1шт.

15

5178904

SPRING

1шт.

16

11066776

SNAP RING,M19, Ext

1шт.

17

5146001

LEVER

1шт.

Выбрано товаров: 17