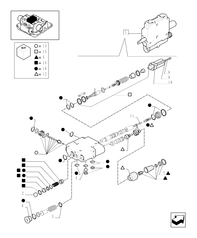
Запчасти Case IH MXM155 (1.82.7/ C[01A]) - REMOTE CONTROL VALVE - BREAKDOWN - D5029 - C5504 (07) - HYDRAULIC SYSTEM

Схема запчастей Case IH MXM155 - (1.82.7/ C[01A]) - REMOTE CONTROL VALVE - BREAKDOWN - D5029 - C5504 (07) - HYDRAULIC SYSTEM
7
13
9
4
14
13
14
5
16
16
5
1
15
13
8
16
12
5
14
2
14
16
16
16
16
12
11
16
16
14
5
12
14
16
10
16
16
3
16
12
6
15
16
14
12
14
15
FIT
1:1
100%

Артикул

Название

Примечание

Количество

1

5195165

HYD VALVE SECTION

Assy

1шт.

1

87526168R

REMAN-HYD VALVE

Reman for New PN 5195165

1шт.

1

87526168C

CORE-VALVE HYD

Return Number

1шт.

2

5191775

PLUG

1шт.

3

47129463

RETAINER

1шт.

4

47127006

VALVE

Shuttle

1шт.

5

87319988

KNOB

1шт.

6

47129438

PLUG

1шт.

7

87319989

CAP

1шт.

8

5191782

SCREW

M6 x 28

2шт.

9

5191783

SPRING WASHER

2шт.

10

5191784

CAP

1шт.

11

47129462

BALL

1шт.

12

47130767

KIT

2шт.

13

5191720

REPAIR KIT

Thrust Pin

1шт.

14

87376020

SERVICE KIT

Check Valve

1шт.

15

87384898

SERVICE KIT

Spool

1шт.

16

5191774

SEAL KIT

1шт.

Выбрано товаров: 18