Запчасти Case IH MXM155 (1.95.4[02]) - ACCELERATOR CONTROL LINKAGE (10) - OPERATORS PLATFORM/CAB

Схема запчастей Case IH MXM155 - (1.95.4[02]) - ACCELERATOR CONTROL LINKAGE (10) - OPERATORS PLATFORM/CAB
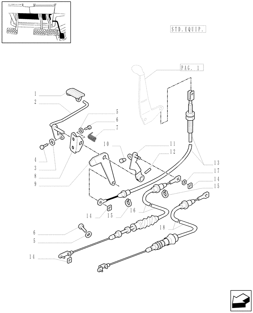
14
2
3
1
14
17
5
std.equip.
5
16
9
11
4
18
14
8
pag. 1
15
10
7
12
6
15
13
6
FIT
1:1
100%

Артикул

Название

Примечание

Количество

1

5167651

PEDAL

1шт.

2

5170351

PEDAL STEM

1шт.

3

15896221

NUT,Hex, M6, 5.20mm High, Cl 10

1шт.

4

16050621

SCREW,Hex, M6 x 30mm, Cl 8.8, Full Thd

1шт.

5

10516674

LOCK WASHER,M8

2шт.

6

16043424

SCREW,Hex, M8 x 1.25 x 20mm, Cl 8.8, Full Thd

2шт.

7

5148906

SPRING

1шт.

8

5157531

SUPPORT

1шт.

9

82000802

LEVER

1шт.

10

81823467

PLUG

1шт.

11

82009504

LEVER

1шт.

12

13938070

ROLL PIN,M4 x 24mm OAL, Coiled

1шт.

13

82026140

FLEXIBLE CABLE

, Serial Range: -ACM281223

1шт.

13

87394939

FLEXIBLE CABLE

, Start Serial: ACM281224

1шт.

14

11063876

SPRING CLIP,M5 x 4mm

3шт.

15

11087976

CIRCLIP,Ext., M8, BLO

2шт.

16

82025456

FLEXIBLE CABLE

, Serial Range: -ACM281223

1шт.

17

14497806

WASHER

1шт.

18

87396116

FLEXIBLE CABLE

, Start Serial: ACM281224

1шт.

Выбрано товаров: 19